캐드, 제품모델링, 기계, 금형 이야기

분류 전체보기 185

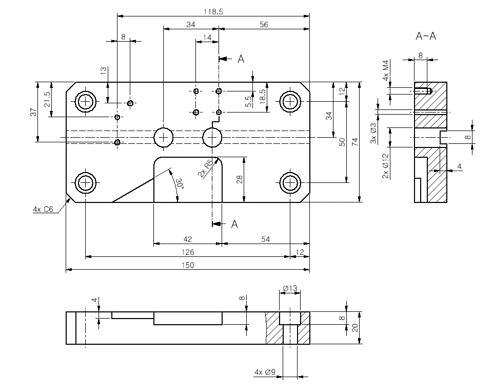
투상도 작도와 치수 기입 방법 최종 - (3) 치수 기입

지난번 올린 글에서 (1) 모델링과 (2) 투상도 작도의 방법에 대해 알아보았습니다. 투상도 작도와 치수 기입 방법 - (1) 모델링 우리는 CAD 실기 시험을 볼 때, 3D 모델링을 하고, 2D 부품도 작업을 합니다. 3D 모델링은 형상별로 모델링하고 그 과정 속에서 형상별로 치수 기입을 합니다. 그런데 왜 도면 작업할 때는 제대로 된 153lab.com 투상도 작도와 치수 기입 방법 - (2) 투상도 작도 지난 포스팅에서 투상도 작도와 치수 기입을 위한 모델링을 하였습니다. https://153lab.com/66 치수 기입에 대해 알아 보자 - (1) 모델링 우리는 CAD 실기 시험을 볼 때, 3D 모델링을 하고, 2D 부품도 작업 153lab.com 이번 글에서는 마지막 편 (3) 치수 기입 하는 ..

일반기계기사, 기계설계산업기사, 전산응용기계제도기능사의 실격 사유 (채점 제외 대상)

국가 기술 자격 CAD 실기 시험의 실격 사유 (채점 제외 대상) 관련 자격 시험 종목으로는 전산응용기계제도기능사, 기계설계산업기사,일반기계기사입니다. 채점 대상에서 제외되는 항목 가) 기권 (1) 수험자 본인이 수험 도중 기권 의사를 표시한 경우 나) 실격 (1) 시험 시작 전 program 설정을 조정하거나 미리 작성된 Part program (도면, 단축키, 셋업 등) 또는 LISP과 같은 Block(도면양식, 표제란, 부품란, 요목표, 주서 및 표면 거칠기 등)을 사용한 경우 - 중요한 것은 '시험 시작 전'과 '미리 작성된'이라는 것입니다. 시험 시간 내에 설정 또는 만드는 것은 상관없습니다. (2) 채점 시 도면 내용이 다른 수험자와 일부 또는 전부가 동일한 경우 (3) 파일로 제공한 KS 데..

투상도 작도와 치수 기입 방법 - (2) 투상도 작도

지난 포스팅에서 투상도 작도와 치수 기입을 위한 모델링을 하였습니다. 치수 기입에 대해 알아 보자 - (1) 모델링 우리는 CAD 실기 시험을 볼 때, 3D 모델링을 하고, 2D 부품도 작업을 합니다. 3D 모델링은 형상별로 모델링하고 그 과정 속에서 형상 별로 치수 기입을 합니다. 그런데 왜 도면 작업할 때는 제대로 153lab.com 이번에는 투상도 작도하는 방법에 대해 알아보도록 하겠습니다. 투상도 작도 투상도 작도의 순서도 모델링의 순서와 같다. 전체 형상부터 외부형상, 내부 형상(구멍)이 잘 보이도록 하고, 중심선을 추가한다. 전체, 외부 형상 내부 형상 (구멍) 중심선 ⓐ 부품의 외형이 잘 보여야 한다. 부품의 전체적인 모양과 외형이 잘 보이도록 아래와 같이 투상도 3개를 만든다. 정면도, 우..

투상도 작도와 치수 기입 방법 - (1) 모델링

우리는 CAD 실기 시험을 볼 때, 3D 모델링을 하고, 2D 부품도 작업을 합니다. 3D 모델링은 형상별로 모델링하고 그 과정 속에서 형상별로 치수 기입을 합니다. 그런데 왜 도면 작업할 때는 제대로 된 치수 기입, 제대로된 투상도를 만들지 못할까요? 이번에는 그 부분에 대해서 실습을 통해 같이 알아보는 시간을 갖도록 하겠습니다. 리밍 지그의 베이스 모델링 모델링 순서는 전체 형상 모델링 외부 형상 모델링 내부 형상 모델링(구멍) ① 전체 형상 모델링 X-Y 평면을 스케치면으로 하고 가로 150, 세로 74의 직사각형을 그린다. 원 점은 직사각형의 오른쪽 아래로 한다. Z 방향으로 20mm 돌출한다. ② 외부 형상 모델링 윗 면을 선택하고 [스케치 시작]을 클릭한다. 직사각형과 직선을 이용하여 아래와 ..

테이퍼 축에 있는 키 홈의 국부 투상도

테이퍼 축에 있는 키 홈의 국부 투상도 테이퍼 축에 평행 키나 반달 키가 있을 때의 인벤터에서 #보조 투상도 만드는 방법에 대해 알아보도록 하겠습니다. 1. 테이퍼 축 모델링 축의 일부만 모델링하도록 하자. ① 인벤터의 X - Y 평면에 다음과 같이 스케치한다. ② [회전]하여 축을 만든다. ③ [돌출]로 키 홈을 만든다. - 대칭 방향, 5mm ④ 4개의 모서리에 [모깍기]로 R2.5를 필렛을 준다. ⑤ [저장]한다. 2. 투상도 작도 미리 만들어 놓은 도면에서 투상도를 작도한다. ① 정면도 작도 [기준] 뷰를 아래 그림과 같이 작도한다. ② 정면도를 더블 클릭하여 [은선]의 가시성을 켠다. ③ 키 홈의 국부 투상도 작도 [보조] 뷰를 클릭하고 기준 뷰를 선택한다. '뷰 방향을 정의할 선형 모형 모서리..

전산응용기계제도기능사 질량 기입 방법

전산응용기계제도기능사 질량 기입 방법 전산응용기계제도기능사 시험은 2D 부품도 1장, 3D 렌더링 등각투상도 1장, 2장을 작성, 출력하여 제출하면 되는데, 3D 렌더링 등각투상도의 부품란의 비고에 주어진 부품의 질량을 그램(g) 단위로 넣어야 합니다. 보통 2개 정도 질량을 구하라고 합니다. 인벤터에서 질량 구하는 방법은 간단하지만 3d 작업을 어떻게 했느냐에 따라 조금 차이가 있으니 정리하는 차원에서 보시기 바랍니다. 1. 단품을 모델링한 경우 (Single solid body - 부품 파일 하나에 솔리드 하나) ① 파일 - iproperties 클릭 ② iproperties창의 [물리적] 탭메뉴 클릭하고 재질(M)은 강철을 선택한다. 자동으로 계산된 질량(S)이 kg단위로 표기 된다. (현재는 1...

인벤터 2023.05.03

분할을 활용한 이중 스퍼 기어 박스 인벤터 모델링

분할을 활용한 이중 스퍼 기어 박스 인벤터 모델링 이번 시간에는 '이중 스퍼 기어 박스' 모델링을 같이 해보도록 하겠습니다. '본체'와 '본체 커버' 각각 하나씩 그리기에는 번거로운 일이고 시간도 걸리기에 하나로 모델링하고 분할을 사용해 두 개의 부품으로 만드는 방법을 알아보도록 하겠습니다. 1. 스케치 ① 안쪽 형상을 옵셋 하여 만들기 위해 먼저 옵셋을 위한 바깥쪽 형상만 스케치한다. ② [간격 띄우기] 명령을 실행하고, 빈 공간에 우클릭하여 [루프 선택]을 해제한다. ③ 필요한 선 3개를 선택한다. ④ 우클릭하여 [계속]을 클릭하고, 간격 띄우기 값을 6mm 주고 엔터 한다. 스케치1 ⑤ 양쪽에 동그라미 친 부분처럼 직선 두 개를 그려준다. ⑥ [ 두 점 직사각형 ] 명령을 이용해 원의 중심에 직사각..

인벤터 2023.05.02

인벤터 3D 도면 만들기 - 3D 렌더링 등각 투상도

인벤터 3D 도면 만들기 - 3D 렌더링 등각 투상도 2D 도면 작업까지 완성한 후에 3D 도면 만드는 과정에 대해 알아보도록 하겠습니다. (준비물 : 2D 템플릿) 1. 3D 경계 만들기 2D경계를 복사하여 3D경계를 만들고, 3D경계의 내용을 수정하여 3D경계를 완성한다. ① [도면 자원] - [경계] 에 있는 [2D경계]를 우클릭하여 복사한다. ② [경계]를 우클릭으로 선택하고 붙여 넣기 한다. ③ 복사 된 '복사 대상 2D경계'를 마우스로 클릭하고, F2번 키를 눌러 이름을 '3D경계'로 변경한다. ④ 3D경계의 수정 생성된 3D경계를 우클릭으로 선택하고 편집을 클릭한다. 경계 편집 환경에서 척도의 1 : 1을 NS (Not to Scale), 각법을 투상법, 3각법을 등각투상법으로 고쳐준다. 스..

단면에서 리브( RIB )의 선 정리 방법

단면에서 리브( RIB )의 선 정리 방법 인벤터만을 이용해서 국가기술 CAD 자격시험을 볼 때에 리브(rib)의 정리 방법에 대해 알아보겠습니다. 리브(rib)는 길이 방향으로 단면 하지 말아야 하는 형상으로 온 단면, 한쪽 단면, 부분 단면 등 단면시에 리브의 바깥쪽 모양을 잘 살려 주어야 합니다. ※ 리브의 선 정리 방법 4가지 방법이 있습니다. 1 단면 후 해칭을 숨기고, 스케치에서 리브 그리는 방법 2. 리브가 없는 모델에서 리브의 선을 그려주는 방법 3. 리브가 있는 모델과 없는 모델의 뷰(View)를 겹치는 방법 4. 리브가 있는 모델의 뷰(View)에 리브가 없는 모델의 단면을 삽입하는 방법 이번 포스팅에서는 첫번째 방법에 대해 알아보겠습니다. 1. 단면 후 해칭을 숨기고, 스케치에서 리브..