지난번 올린 글에서 (1) 모델링과 (2) 투상도 작도의 방법에 대해 알아보았습니다.
투상도 작도와 치수 기입 방법 - (1) 모델링
우리는 CAD 실기 시험을 볼 때, 3D 모델링을 하고, 2D 부품도 작업을 합니다. 3D 모델링은 형상별로 모델링하고 그 과정 속에서 형상별로 치수 기입을 합니다. 그런데 왜 도면 작업할 때는 제대로 된
153lab.com
투상도 작도와 치수 기입 방법 - (2) 투상도 작도
지난 포스팅에서 투상도 작도와 치수 기입을 위한 모델링을 하였습니다. https://153lab.com/66 치수 기입에 대해 알아 보자 - (1) 모델링 우리는 CAD 실기 시험을 볼 때, 3D 모델링을 하고, 2D 부품도 작업
153lab.com
이번 글에서는 마지막 편 (3) 치수 기입 하는 방법에 대해 알아보도록 하겠습니다.
치수 기입 방법
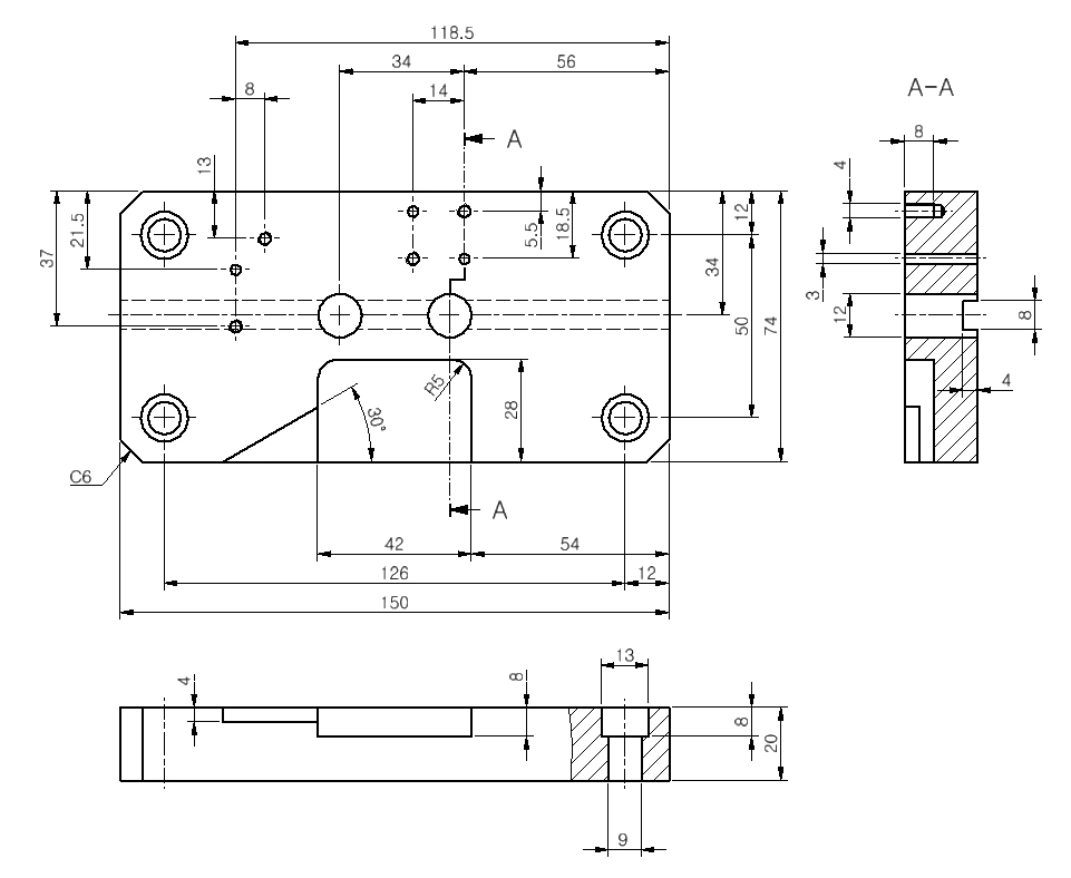
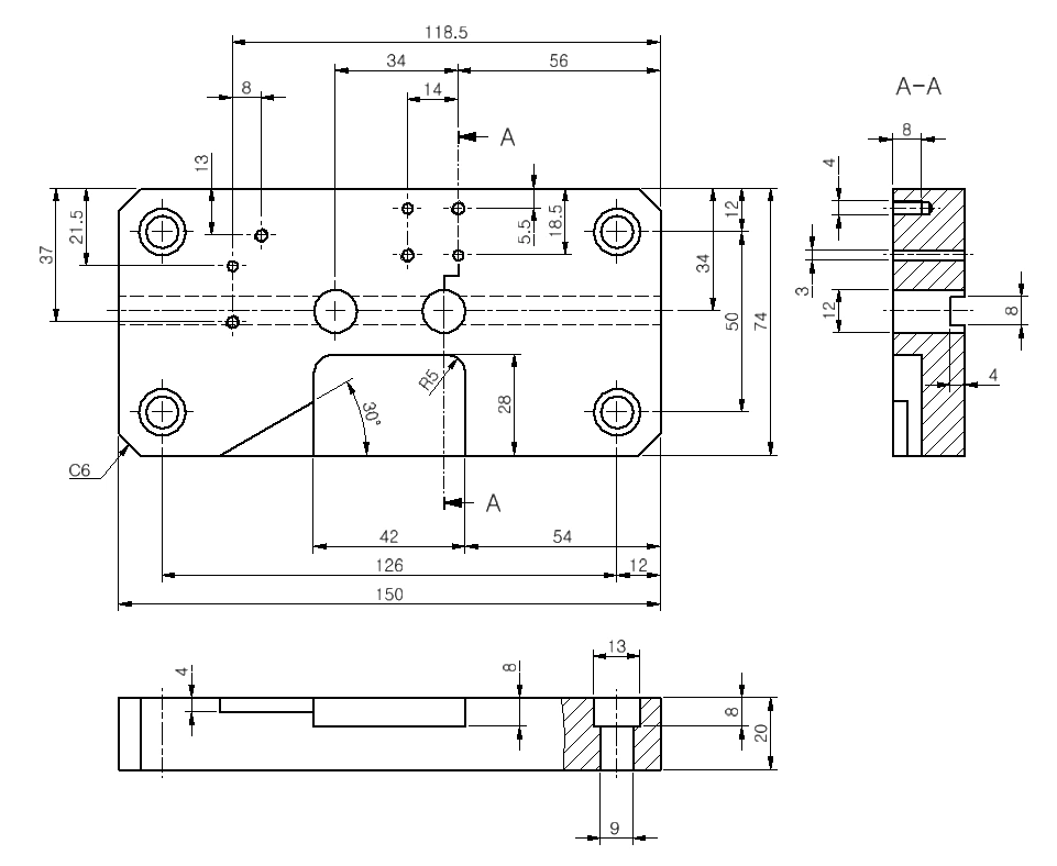
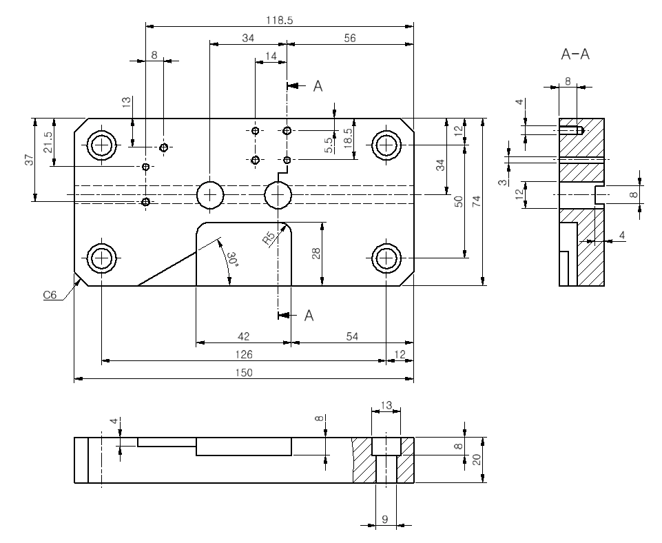
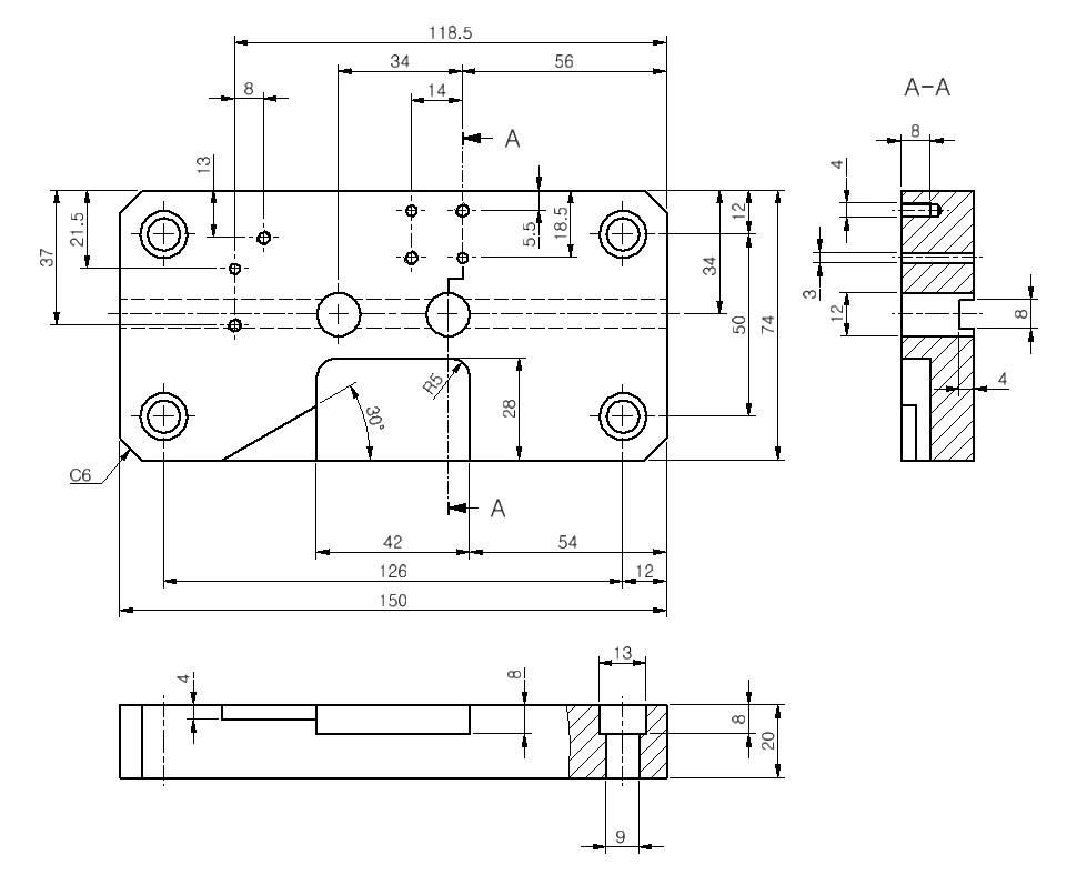
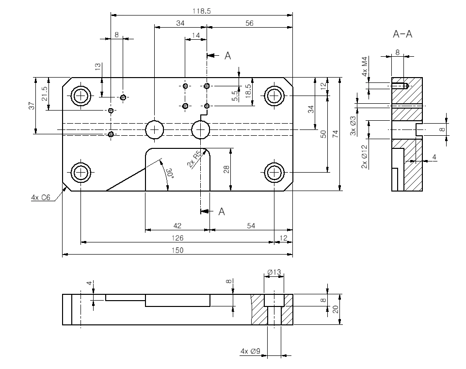
치수 기입은 모델링의 역순으로 진행하고, 마지막에 기호나 문자로 치수의 뜻을 구체화시켜 준다.
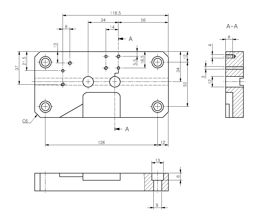
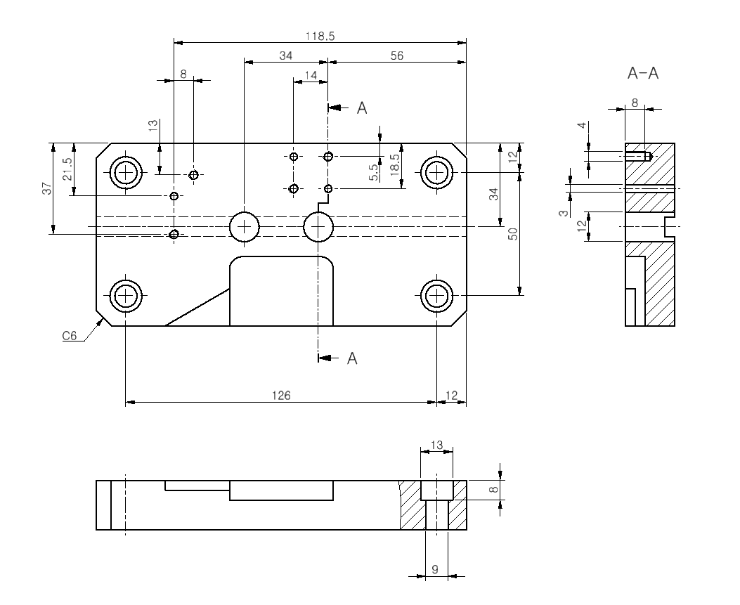
내부 형상 치수 기입 (구멍의 치수 기입)
외부 형상 치수 기입
전체 형상 치수 기입
마무리 (2x , Ø, M 등등)
치수는 형상의 위치, 자세, 크기를 나타내는 숫자이다.
도면에 기입하는 모든 치수는
- 위치 치수
- 자세 치수
- 크기 치수
중에 하나가 된다.
전체 형상을 제외하고는 위치 치수를 기입하여야 한다.
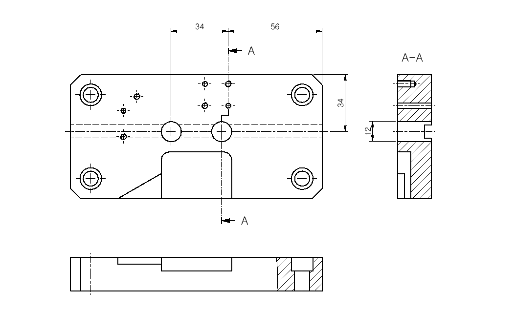
모델링 할 때를 생각해 보자.
가운데 두 개의 구멍을 뚫기 위해 우리는 가로 위치와 세로 위치를 각각 주었다.
가로 60과 세로 34는 기준 면에서 떨어지는 첫 번째 구멍의 위치 치수이며, 두 개의 구멍 사이의 간격 치수 30도 두 번째 구멍이 첫 번째 구멍에서 떨어지는 위치 치수이다.

[구멍] 명령을 사용하여 위치를 지정하기 위한 점을 지정했고, 모양을 선택했으며, 크기의 값을 입력하였다.
Ø12, 전체 관통
바로 위의 치수가 구멍의 크기 치수인 것이다.

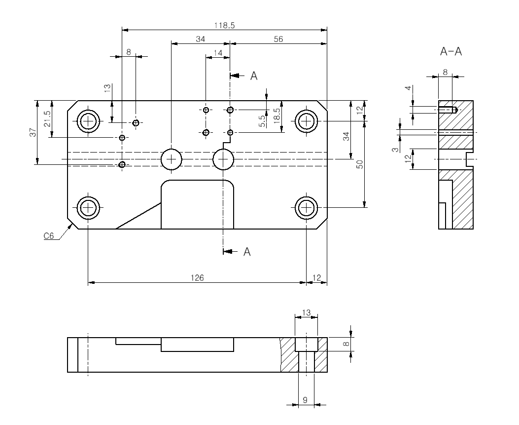
① 내부 형상 치수 기입 (구멍의 치수 기입)
치수 기입의 첫 번째 단계인 내부 형상 치수 기입을 해보자.
치수 기입할 때에 "형상 관련 치수 기입"을 해야 된다는 것이다.
형상 관련 치수 기입이란 형상에 관련된 위치, 자세, 크기 치수를 같이 치수 기입하는 것이다.
모델링 할 때에 구멍의 위치 치수를 준 스케치면과 같은 방향에서 본 투상도에 위치 치수를 기입하고, 크기는 지름과 깊이가 모두 보이는 단면에 기입하면 된다.

이렇게 모델링 했을 때에 주었던 치수를 도면에서 똑같이 주면 되는 것이다.
치수의 마무리( 개수, Ø 와 같은 것)는 전체 형상의 치수 기입을 한 다음, 치수 검도를 하면서 주는 것이 좋겠다.

이렇게 해서 구멍과 관련한 치수는 모두 주었다.
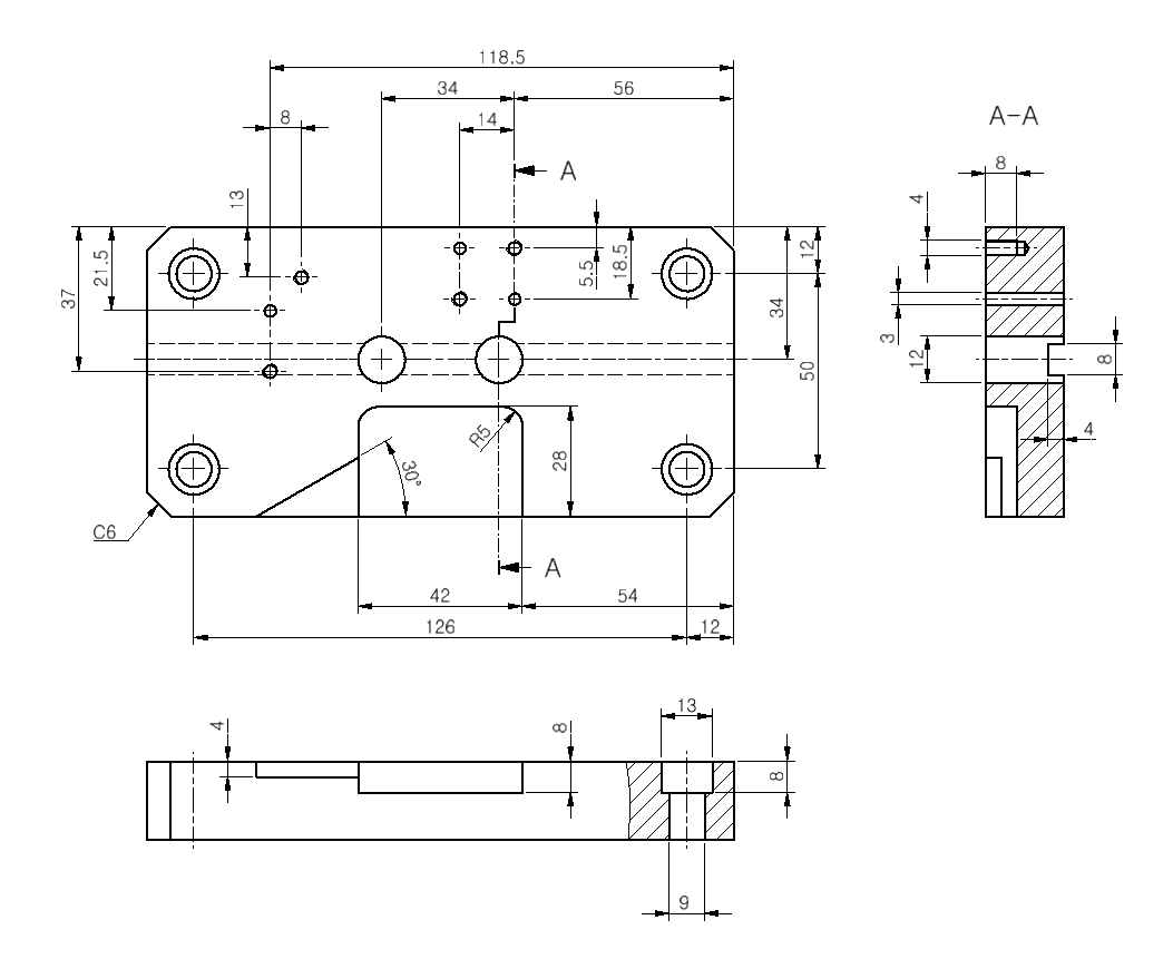
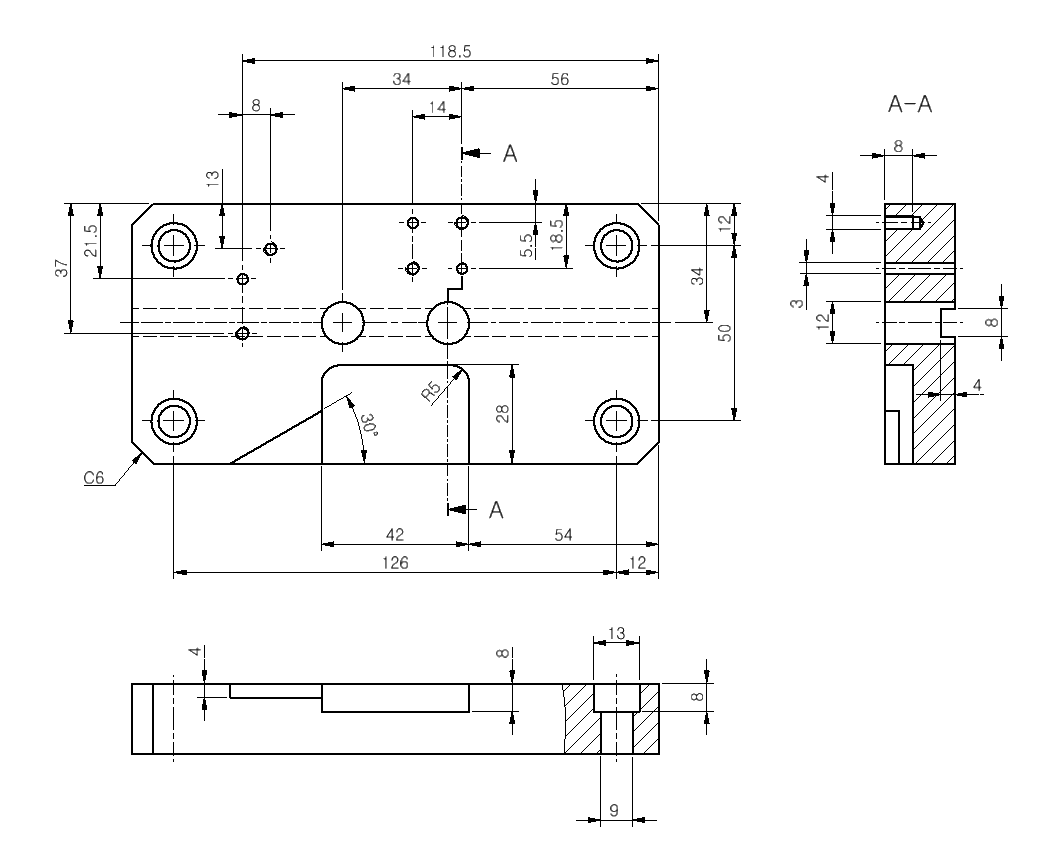
② 외부 형상 치수 기입
위 쪽에 파인 삼각, 사각 홈과 아래쪽 위치 결정 키 홈, 모떼기와 같은, 단면을 하지 않고도 보이는 형상에 대한 치수 기입을 한다.
항상 고려해야 할 것은 위치 치수가 누락되지 않도록 해야 한다.

③ 전체 형상 치수 기입
직육면체의 모양이 전체적 형상이므로 길이, 나비, 폭 (쉽게 가로, 세로, 높이) 3개가 필요하다.
정면도에 2개를 주고 저면도에 1개를 주었다.

치수 기입할 때에 치수선의 열과 행을 잘 맞추는 것도 중요하다.
④ 마무리 ( 개수, 나사의 호칭, Ø )
이제 마무리할 때이다.
치수 앞과 뒤에 붙는 기호나 문자를 넣어 주면 된다.
카운터 보어와 같이 큰 구멍, 작은 구멍이 있을 때에 개수는 작은 구멍에만 준다.

이상으로 3회에 걸쳐 모델링, 투상도 작도, 치수 기입까지 알아보았습니다.
3회 분량이 길지는 않으니 꼼꼼히 몇 번 정독하신다면 시험에서 좋은 결과가 있으시리라 생각됩니다.
기계 분야의 국가 기술 자격 CAD 실기 시험 ( 일반기계기사, 기계설계산업기사, 전산응용기계제도기능사) 시험에서 100점 만점에 50점 정도에 해당하는 부분이 모델링, 투상도 작도, 치수 기입입니다.
기본에 기본이 되는 위의 3가지에 집중하셔서 꼭 시험에서 좋은 결과 있기를 기원합니다.
153LAB
'국가 기술 자격 CAD 실기 시험 > 기계 제도와 도면 해독' 카테고리의 다른 글
| 주철품과 주강품의 보통 치수 공차 (일반 공차) (0) | 2023.07.10 |
|---|---|
| 동력전달장치의 부품별 재질 선정 (0) | 2023.07.05 |
| 주물면과 가공면의 구분 (2) | 2023.07.03 |
| 치공구의 시작 - 바이스1 #모델링부터 도면 작업까지 전 과정 따라하기 (2) | 2023.06.26 |
| 투상도 작도와 치수 기입 방법 - (2) 투상도 작도 (0) | 2023.05.10 |
| 투상도 작도와 치수 기입 방법 - (1) 모델링 (1) | 2023.05.09 |
| 테이퍼 축에 있는 키 홈의 국부 투상도 (1) | 2023.05.08 |
| 단면에서 리브( RIB )의 선 정리 방법 (1) | 2023.04.28 |