캐드, 제품모델링, 기계, 금형 이야기

국가 기술 자격 CAD 실기 시험/실기 시험을 준비하면서 20

2026.2회 전산응용기계제도기능사 고사장 장비 현황

국가기술자격 · 실기시험전산응용기계제도기능사 시험장 & 설치 장비 현황수도권부터 제주까지 — 거리순으로 한눈에 확인하세요.42 시험장24 지사2026.04 기준일📌 보는 법 · 서울에서 가까운 지역 순으로 정렬되어 있습니다. 각 카드의 설치 장비를 미리 확인하고 본인 시험장에 맞는 버전으로 연습하는 것을 권장합니다. AutoCAD·Inventor 버전이 다르면 단축키와 UI가 약간 달라질 수 있어요.🏙️수도권17곳서울주차 불가서울동부국가자격시험장(광진구)설치 장비AutoCAD 2019 (한글)Inventor 2019 (한글)서울서부주차 불가서울서부국가자격시험장설치 장비AutoCAD 2023 (한글)Inventor 2023 (한글)서울남부주차 가능서울남부디지털시험센터(영등포구)[CBT3실]설치 장비..

2026년 1회 일반기계기사 / 기계설계산업기사 작업형 고사장 장비 현황

2026년 2회 작업형 고사장 시설현황일반기계기사와 기계설계산업기사를 구분해 정리했으며, 시험장소를 누르면 구글맵이 열립니다.일반기계기사 바로가기기계설계산업기사 바로가기일반기계기사 고사장 시설현황총 34개 시험장 · 지역별 접기/펼치기 가능서울서울서부부산대구인천광주서울남부경인강원충북대전전북전남경북경남제주강원동부부산남부경북동부경기북부경기동부경북서부경기남부세종경남서부경기서부서울1개 시험장시험장소시설현황서울동부국가자격시험장(광진구)_주차불가구글맵 열기지도 미리보기AutoCAD 2019(한글), Inventor 2019(한글)서울서부1개 시험장시험장소시설현황서울서부국가자격시험장(대중교통 이용)구글맵 열기지도 미리보기AutoCAD 2023 (한글)Autodesk Inventor 2023 (한글)부산1개 시험장시험..

기술사 · 기능장 · 기사 · 산업기사 · 기능사 응시자격 총정리

기술사 · 기능장 · 기사 · 산업기사 · 기능사 응시자격 국가기술자격증은 기능사, 산업기사, 기사, 기능장, 기술사로 나뉩니다.각 자격은 실무 경력, 학력, 사전 자격 여부에 따라 응시 요건이 다르니 아래 내용을 꼭 참고하세요.1. 기술사 응시자격기술사는 국가기술자격 중 가장 높은 등급으로, 기술 분야 최고 전문가를 위한 자격입니다.기사 취득 후 실무 4년 이상이 일반적인 경로이며, 학력이나 실무 경험만으로도 응시할 수 있습니다.기사 자격 + 실무 4년 이상산업기사 자격 + 실무 5년 이상기능사 자격 + 실무 7년 이상4년제 대학 졸업 + 실무 6년 이상전문대 졸업 + 실무 7~8년 이상기술훈련 이수자 + 실무 6~8년 이상실무경력 9년 이상해외 동일 자격 보유자2. 기능장 응시자격기능장은 현장 숙련..

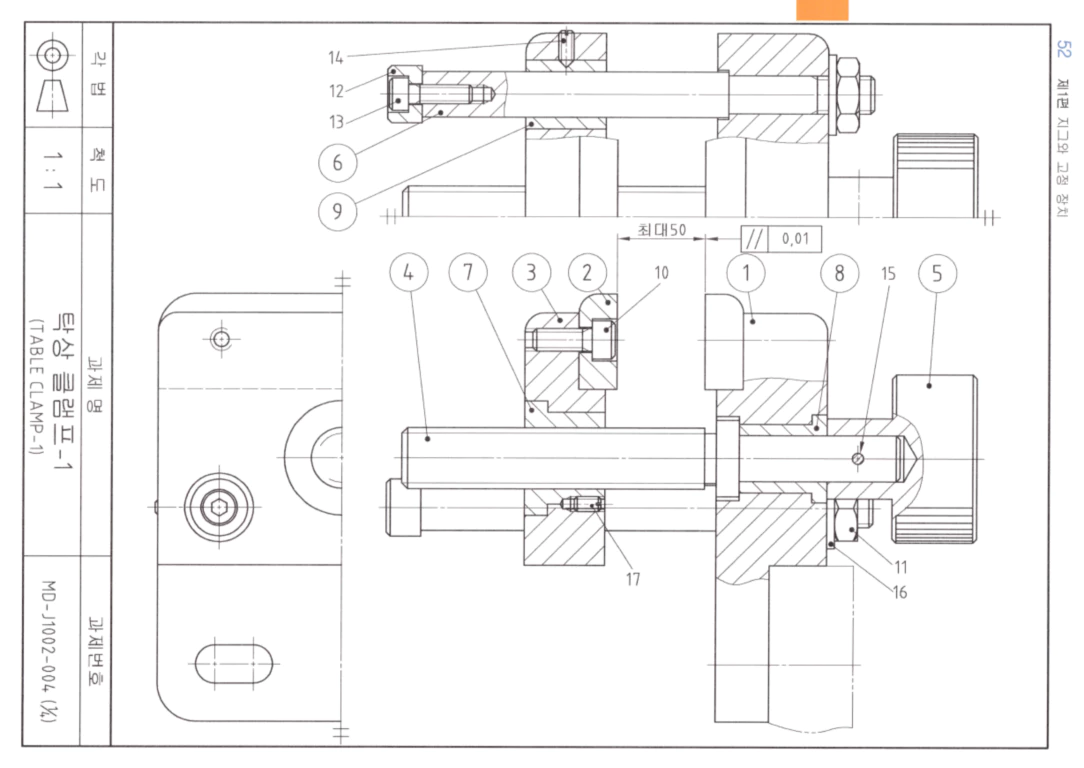
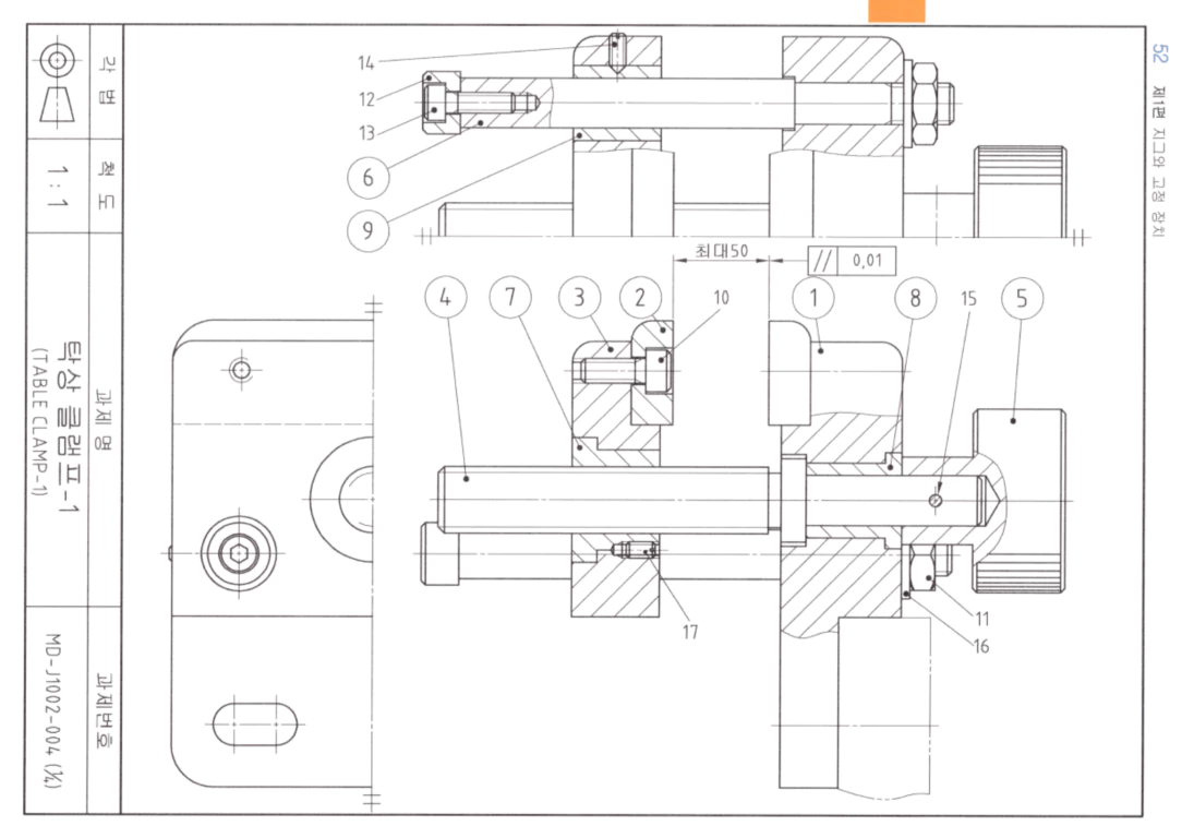
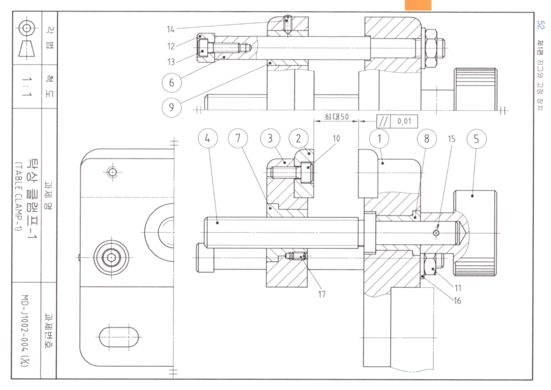
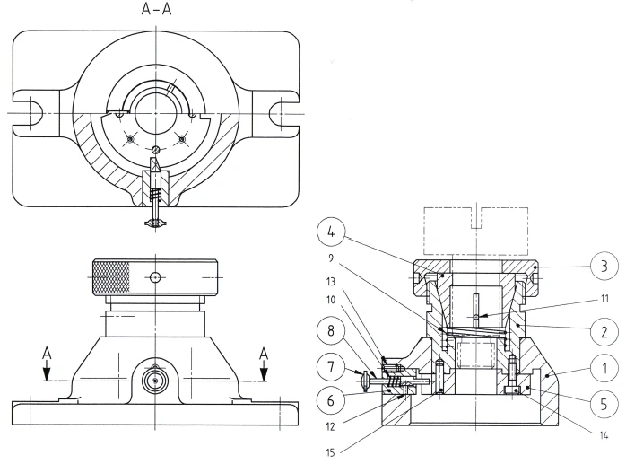
2025. 1회 전산응용기계제도기능사 출제 문제 "분할 장치(분할지그)"

전산응용기계제도기능사 출제 문제 '분할 장치'이번 포스팅에서는 2025년 1회 전산응용기계제도기능사에 출제된 분할지그(분할장치)에 대해 알아보겠습니다. 1. 분할 장치란?분할 장치는 가공물을 고정하고, 정해진 각도로 정확히 회전시켜 균등한 분할 가공(기어 이빨, 슬롯, 다각형 가공 등)을 할 수 있게 돕는 정밀 지그입니다.주요 기능은 가공물 고정 + 분할 이동 + 분할 위치 고정입니다. 2. 각 부품의 사용 용도 부품 번호 부품명 주요 역할1본체 (Body)전체 구조를 지지하는 기본 프레임2콜릿 하우징 (Collet Housing)콜릿을 감싸고 본체와 연결3콜릿 너트 (Collet Nut)콜릿을 눌러 가공물을 고정4콜릿 (Collet)가공물을 강하게 고정5분할판 (Index Plate)분할 각도를 정확히..

2024년 1회 기계설계산업기사 시험 장소와 설치 프로그램

종목 : 기계설계산업기사 지사명 시험장소명 시설현황 강원 한국폴리텍대학 원주캠퍼스 2D/3D 라이센스 계정 지참 필요 (AutoCAD2023/NX12 설치) 경기남부 (안성공도) 경기남부지사 국가자격시험장(주차불가) 오토캐드2020 한글버전 경기남부 (안성공도) 경기남부지사 국가자격시험장(주차불가) 인벤터 2020 경기동부 한국폴리텍대학 성남캠퍼스(드림관) 1. CAD S/W : AutoCAD 2022 한글 2. CAM S/W : inventor 2022 한글, solidworks2016 한글, NX10 한글 *개인 PC 지참 시 부정방지를 위한 개인 PC 사전 점검 예정 경기북부 대한상공회의소 경기인력개발원 1. 2차원 CAD 소프트웨어 : ZW_CAD2020(한글) 2. 3차원 CAD 소프트웨어 : ..

2024년 1회 일반기계기사 작업형 시 장소와 프로그램 목록

3월 26일부터 실기 시험 접수 기간입니다. QNET에서 시험장 장소와 프로그램 설치 목록을 공개하였으니 참고하시기 바랍니다. 종목 : 일반기계기사 지사명 시험장소명 시설현황 강원 한국폴리텍대학 원주캠퍼스 2D/3D 라이센스 계정 지참 필요 (AutoCAD2023/NX12 설치) 강원동부 강원대학교 삼척캠퍼스(제1공학관) * CAD S/W - - 2D 작업용 : Auto CAD 2023 (한글) - 3D 작업용 : Inventor 2022 (한글) 경기남부 (안성공도) 경기남부지사 국가자격시험장(주차불가) 오토캐드2020 한글버전 경기동부 한국폴리텍대학 성남캠퍼스(드림관) AutoCAD 2022 한글 inventor 2022 한글 solidworks2016 한글 NX10 한글 경기북부 경기북부국가자격시험..

2023년 4회 일반기계기사 고사장 (서울, 경기, 경인, 인천)

지사명 시험 장소명 종목명 시설현황 경기남부 (안성공고) 경기남부지사 국가자격시험장(주차불가) 일반기계기사 오토캐드2020 한글버전 인벤터 2020 경기동부 성남테크노과학고(CBT 2실) 일반기계기사 오토캐드2019(한글) 인벤터2022(한글) 경기동부 한국폴리텍대학 성남캠퍼스(드림관) 일반기계기사 AutoCAD_2022(한글) inventor_2019(한글) solidworks_2016(한글) NX10 경기북부 경기북부국가자격시험장(주차불가) 일반기계기사 2D AutoCAD 2019(한글) 3D Inventor 2019(한글) 경기서부 유한대학교(자유관) 일반기계기사 2차원 : 오토캐드2022(영문) 3차원 : NX9.0(영문) 경인 한국교통대학교의왕캠퍼스 일반기계기사 AUTO CAD 2023 Inve..

2023년 4회차 일반기계기사 시험 일정

8월 7일부터 일반기계기사 4회 차 필기 접수 기간입니다. 이번 필기 접수 시간은 필기 시험장 위치에 따라 수도권(서울, 경기, 인천)과 수도권 외 지역의 접수 시작 시간이 다르니 확인하시고 접수하시기 바랍니다. 사전 입력 서비스를 이용하시면 빠르게 원서 접수 하실 수 있습니다. ● 사전 입력 서비스 기간 : 2023년 8월 3일(목) 14시 ~ 8월 6일(일) 23시 59분까지 4회 일반기계기사 시험 일정 2023년 일반기계기사 4회 시험 일정 구분 기간 필기시험 원서접수 2023.08.07.(월) ~ 2023.08.10.(목) 18:00까지 필기시험 접수 시작 시간 시험장 소재 지역별 분리 수도권 외 지방 8.7(월) 12:00부터 수도권(서울, 경기, 인천) 8.7(월) 14:00부터 필기시험 20..

2024년 일반기계기사 시험 변경 사항 및 출제 기준

일반기계기사 + 기계설계기사 = 일반기계기사 2024년부터 일반기계기사와 기계설계기사 자격 종목 간 내용 유사성과 현장에서의 자격 활용 및 수요 등을 고려하여 종목 통합됩니다. 구분 현행 개정안 종목 구분 종목명 일반기계기사 기계설계기사 일반기계기사 직무분야 16 기계 16 기계 "변경 없음" 중직무분야 161 기계제작 161 기계제작 "변경 없음" 소관 부처 산업통상자원부 고용노동부 산업통상자원부 시험 과목 필기 시험 1. 재료역학 2. 기계 열역학 3. 기계 유체역학 4. 기계재료 및 유압기기 5. 기계 제작법 및 기계동력학 1. 재료역학 2. 기계제작법 3. 기계설계 및 기계재료 4. 기구학 및 CAD 1. 기계 제도 및 설계 2. 기계 재료 및 제작 3. 구조 해석 4. 열 · 유체 해석 실기 시..

채점 기준표 - 일반기계기사 · 기계설계산업기사 · 전산응용기계제도기능사

채점 기준 국가 기술 자격 CAD 실기 시험의 기계 계열 (일반기계기사, 기계설계산업기사, 전산응용기계제도기능사) 실기 과제의 채점 기준은 아래와 같으며, 학습 방법란의 내용을 참고하여 학습하시기 바랍니다. 대부분의 수험생들은 투상과 3D모델링까지만 집중하는 경향이 있는데, 물론 가장 중요한 부분이지만, 투상도 선택과 배열, 정확한 투상도 정리까지 잘하셔야 100점 만점의 30점을 획득하실 수 있습니다. 각 항목의 배점을 확인하세요. ★ 100점 기준 각 항목의 배점 1. 투상도 선택과 배열 - 30점 2. 치수 기입 - 15점 3. 끼워 맞춤 공차, 치수 공차 - 10점 4. 표면 거칠기 - 10점 5. 형상 기하 공차 - 10점 6. 재료 선택과 처리 - 7점 7. 주서, 표제란 및 부품란 - 8점 ..