캐드, 제품모델링, 기계, 금형 이야기

국가 기술 자격 CAD 실기 시험/인벤터 2D 템플릿(idw) 8

인벤터에서 부품란을 테이블로 만들기

스케치에서 선과 문자로 부품란을 만들 수 있으나 이번 포스팅에서는 인벤터의 '테이블'기능을 이용하여 부품란을 만드는 방법을 설명하도록 하겠습니다.인벤터의 테이블 기능을 이용한 부품란 만들기현재(2024년 말까지) 전산응용기계제도기능사와 기계설계산업기사는 테이블의 열과 행의 간격이 같고, 일반기계기사만 다르니 구분하여 참고하시기 바랍니다. 스타일 편집기에서 테이블의 스타일 설정 (1) 메뉴의 [관리]에서 스타일 편집기를 실행(2)  테이블(JIS) 스타일 편집 (3)  테이블(JIS) 스타일 편집   ▶  제목(T) :  체크 해제  ▶  선 형식 (내부 / 외부) : 테이블의 내부 선과 외부선의 굵기를 적용한다. 기본이 내부로 되어 있으므로 그림과 같이 0.25mm 적용하고, 내부/외부 버튼을 클릭하여 ..

PDF 뷰어에서 도면 출력 방법

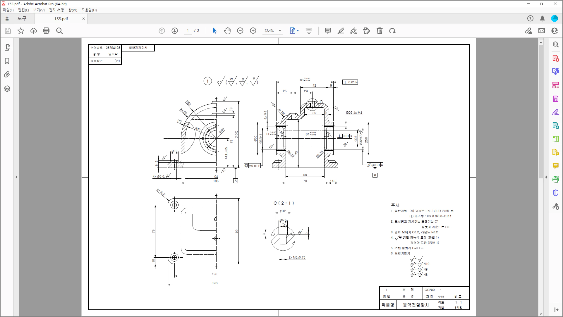
도면 작업의 마지막 중요 과제인 '출력'에 대해서 알아보도로 하겠습니다. 인벤터에서 PDF 내보내기 방법은 아래 링크를 참고하시기 바랍니다. 인벤터에서 PDF 내보내기 방법과 옵션 인벤터에서 PDF 내보내기 일반기계기사, 기계설계산업기사, 전산응용기계제도기능사 시험에서 2D, 3D 도면 각각 한 장씩, 완성했다고 가정하고 그 후에 도면을 PDF로 내보내는 방법을 알아보도록 153lab.com PDF 뷰어에서 도면 출력 방법과 옵션 1. PDF 파일 열기 어도비 아크로뱃(Adobe acrobat)에서 출력할 PDF 파일을 연다. 2. [인쇄] 버튼 클릭 또는 Ctrl + P 3. 프린터 확인 및 [페이지 설정] 출력할 프린터를 확인하고, 화면 하단에 [페이지 설정] 버튼을 클릭한다. 4. 페이지 설정 변경..

인벤터에서 PDF 내보내기 방법과 옵션

인벤터에서 PDF 내보내기 일반기계기사, 기계설계산업기사, 전산응용기계제도기능사 시험에서 2D, 3D 도면 각각 한 장씩, 완성했다고 가정하고 그 후에 도면을 PDF로 내보내는 방법을 알아보도록 하겠습니다. 1. 2D 부품도, 3D 렌더링 등각 투상도의 완성 idw파일에는 sheet가 총 두 개로 하나는 2D 부품도, 다른 하나는 3D 등각투상도이다. ⓐ Sheet:1 - 2D 부품도 ⓑ Sheet:2 - 3D 렌더링 등각 투상도 2. PDF 내보내기 ⓐ [파일] - [내보내기] - [PDF] 순으로 클릭한다. ⓑ 파일 이름과 옵션 PDF 파일 이름을 입력하고, [옵션] 버튼을 클릭한다. ⓒ 옵션 빨간 사각형만 체크하면 되는데 세부 사항은 다음과 같다. ① 인쇄 범위 ※ 현재 시트 : 현재 활성된 시트만..

인벤터 3D 도면 만들기 - 3D 렌더링 등각 투상도

인벤터 3D 도면 만들기 - 3D 렌더링 등각 투상도 2D 도면 작업까지 완성한 후에 3D 도면 만드는 과정에 대해 알아보도록 하겠습니다. (준비물 : 2D 템플릿) 1. 3D 경계 만들기 2D경계를 복사하여 3D경계를 만들고, 3D경계의 내용을 수정하여 3D경계를 완성한다. ① [도면 자원] - [경계] 에 있는 [2D경계]를 우클릭하여 복사한다. ② [경계]를 우클릭으로 선택하고 붙여 넣기 한다. ③ 복사 된 '복사 대상 2D경계'를 마우스로 클릭하고, F2번 키를 눌러 이름을 '3D경계'로 변경한다. ④ 3D경계의 수정 생성된 3D경계를 우클릭으로 선택하고 편집을 클릭한다. 경계 편집 환경에서 척도의 1 : 1을 NS (Not to Scale), 각법을 투상법, 3각법을 등각투상법으로 고쳐준다. 스..

인벤터 2D 템플릿 만들기 - 4. 주서의 기입

4. 주서의 기입 주서는 KS기계제도규격. PDF의 주서의 예시를 참고하되 제도해야 하는 부품에 맞추어, 가감을 하여야 합니다. 이번에는 주서 기입하는 방법에 대해 알아보겠습니다. ① [텍스트] 명령을 클릭하고 주서의 위치는 부품란 위쪽에 아래 그림과 같이 주서 예시를 보고 입력한다. 3번에 필렛은 R0.2라는 항목은 예시에는 없지만, 일반 필렛에 대해 정의한 항목으로 넣어주는 것이 좋다. ② 행 간격을 [정확히]로 설정하고 값은 8을 준다. 그래야 보기에도 좋고 7번 항목의 표면 거칠기 기호를 입력하기 좋다. [확인] 버튼을 클릭하고 위치를 맞추어 준다. ③ 4번에 제거 가공 금지 기호와 7번 항목에서 w기호만 먼저 작성한다. ④ 7번 항목의 표면 거칠기를 복사한다. (마우스 우 클릭 - 복사) ⑤ 복..

인벤터 2D 템플릿 만들기 - 3. 대칭 도시 기호, 품번 기호의 정의 방법, 품번 기호와 대표(부분)표면거칠기의 배치 방법

3. 대칭 도시 기호, 품번 기호의 정의 방법, 품번 기호와 대표(부분)표면거칠기의 배치 방법 1. 대칭도시기호 만들기 ① 모형 검색기에서 스케치 기호를 우클릭 선택하고 [새 기호 정의]를 클릭한다. 스케치 환경으로 들어가게 된다. ② 세로로 6mm의 직선 하나를 그린다. ③직사각형 툴의 [두 점 중심]을 선택하여 6mm 직선의 가운데를 중심으로 아래 그림과 같이 그려주고 가로 3mm, 세로 1mm 치수 기입한다. ④ 직사각형의 선 중에서 위아래 수평선을 제외한 선들을 선택한 후 [스케치만]으로 설정하여 스케치에서만 보이게 한다. ⑤ 스케치마무리를 클릭하고 스케치 기호 이름에 [대칭도시기호]라고 적는다. (이름은 무엇이든 상관은 없다.) 2. 품번 기호 만들기 ① 모형 검색기에서 스케치 기호를 우클릭으로..

인벤터 2D 템플릿 만들기 - 2. 윤곽선, 중심마크, 표제란, 부품란 만들기

2. 윤곽선, 중심마크, 표제란, 부품란 만들기(1) 새 경계 정의 [모형검색기]에서 [경계]를 마우스 우클릭으로 선택하여 [새 경계 정의]를 클릭한다.  (2) 도면의 한계선 작도작성 패널에 [직사각형] 명령을 클릭 후, 도면 왼쪽 하단점과 오른쪽 상단점에 스냅 하여 도면에 맞게 직사각형을 그려준다.  한계선을 모두 선택한 후 형식 패널에 있는 [스케치만]을 클릭한다.(한계선은 경계 편집 화면에서는 보이지만 도면에서는 보이지 않게 된다.)  (3) 윤곽선 작도 [간격 띄우기] 명령으로 한계선을 선택하고 안쪽으로 10mm 띄워 윤곽선을 만든다.  (4) 중심마크 작도 작성 패널의 [선] 명령어를 클릭하고 한계선의 가로, 세로 중간에서 안쪽으로 15mm 선을 긋는다..

인벤터 2D 템플릿 만들기 - 1. 도면 스타일 설정 ( 치수와 공차, 문자, 치수선, 치수보조선, 지시선, 표면거칠기 )

인벤터 2D 템플릿 만들기 - 1. 도면 스타일 설정 일반기계기사, 기계설계산업기사, 전산응용기계제도기능사 실기 시험을 준비할 때 필요한 템플릿(원형 도면)을 만드는 방법에 대해 알아보겠습니다. (1) 새 파일 작성(Ctrl + N)을 누루고 JIS.idw를 더블 클릭한다.  (2) 기본 윤곽선, 중심마크, 표제란 삭제화면 좌측 모형검색기에서 Default Border와 JIS를 선택한 후 마우스 우클릭하여 삭제한다. 도면에 꼭 필요한 요소인 윤곽선, 표제란 중심마크이지만, 시험용으로 새로 작도하여야 한다.  (3) 스타일 편집기 실행메뉴바의 [관리]에서 [스타일 편집기]를 클릭한다.  (4) 스타일의 표준 설정[표준]의 [기본 표준(JIS)]를 선택한 후 오른쪽 탭 메뉴에서 [뷰 기본 설정]을 클릭하고..