캐드, 제품모델링, 기계, 금형 이야기

전체 글 183

5분 투상 - 드릴지그1

드릴지그 1드릴지그 과제에서 제품도가 주어지면 제품도의 모양과 치수, 공차를 잘 보고 작업을 해야 합니다.제품도의 척도도 고려하여 투상하시기 바랍니다. 부품명은 ① 본체② 부시홀더③ 고정부시입니다. 치수 기입 특히 본체의 치수기입은 내, 외부 형상을 나눠 치수기입하고, 대칭형, 비대칭형에서 기준을 잘 선정하여 주시면 되겠습니다. 153LAB

5분 투상 - 동력전달장치4

동력전달장치 4 기어박스(기어를 품은 박스형의 본체)와 모양은 유사하지만 기어박스는 아닙니다. 특별할 것은 없지만 본체의 치수기입 연습을 하셔야 합니다. 이번에는 본체의 치수기입을 눈으로 잘 익혀 놓으세요. 구멍의 치수보다는 전체적인 외형과 내부의 형상에 대한 치수 기입에 집중하시면 됩니다. 사각기둥 + 반원의 형상이 붙어 있는 모양은 도면에서 자주 볼 수 있는 모양입니다. 153LAB 5분 투상 - 수평 슬라이더 수평 슬라이더입니다. 동력변환장치의 분류에 들어가는 편심왕복장치, 또는 편심구동장치라 합니다. 우리가 '동력', '동력'하는 그 과제 중의 하나에 해당되는데요. 전체적으로 각형이 많아 치 153lab.com 5분 투상 - 요동 장치 투상 연습에 많은 도움이 되는 요동장치입니다. 평면도의 왼쪽은..

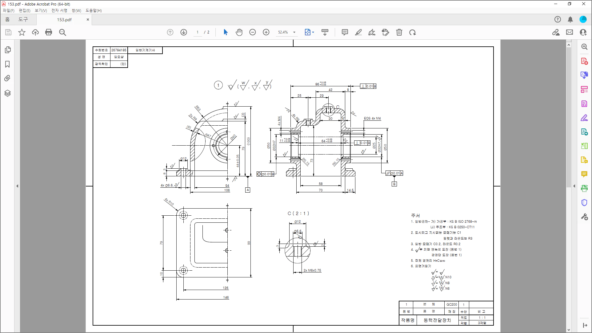
5분 투상 - 동력전달장치3

동력전달장치3 시험에서 문제지를 받자마자 하는 일은 눈으로 도면을 관찰하는 일이겠죠. 평소 이 연습을 꾸준히 하시면 투상에 많은 도움이 됩니다. 교재의 몇 페이지 분량을 휴대폰으로 사진을 찍어 대중교통으로 이동할 때나, 잠깐 차를 마실 때, 짬을 내서 보시는 연습을 하시면 투상 능력이 많이 좋아집니다. 각 부품을 구별할 수 있고, 모델링할 수 있는지, 관련된 KS규격을 찾아 적용할 수 있는지 자가 테스트하시기 바랍니다. 이전 도면과 마찬가지로 축, 좌측에 보면 키홈은 있는데, 부품이 조립되지는 않았습니다만 축에 관련된 끼워 맞춤공차와 표면거칠기를 적용하셔야 되겠죠? 탭구멍에 센터구멍도 적용하셔야 하고요. 본체의 투상도 배치는 조립도의 투상도 배치와 같이 하시면 되고, 그리스 니플 구멍에만 4가지 종류의 ..

5분 투상 - 동력전달장치2

동력전달장치2 눈으로만 투상하세요. 각 부품을 형상과 관련된 KS규격을 찾아 모델링을 할 수 있는지 테스트입니다. 부품의 명칭은 번호 순서대로 ① 본체 ② 축 ③ 스퍼기어 ④ 커버 (베어링 커버, 실 하우징) ⑤ 플랜지 커플링 입니다. 문제도에 치수공차와 끼워 맞춤공차가 주어졌으므로, 부품도 작업 시에 그대로 적용하시면 됩니다. 볼트 구멍에 '리머 볼트 구멍'이라고 주어진 경우에는 리머 볼트로 조립되는 구멍이므로, 일반적인 볼트 구멍의 치수가 아닌 자로 잰 정확한 치수를 사용해야 하며, 끼워 맞춤공차 H7과 표면거칠기 x, 기하공차는 데이텀을 기준으로 평행도를 적용해야 합니다. 또한 플랜지 커플링의 측면 투상도에서 각도 치수와 피치원 지름에 '이론적으로 정확한 치수'라는 뜻으로 치수 주위에 직사각형을 씌..

5분 투상 - 동력전달장치1

동력전달장치1 문제도를 보고 각 부품을 투상해 보세요. 머릿속으로 모델링을 해봅니다. 규격을 찾아야 될 곳은 어디인지, 자로 측정해서 그려야 할 곳은 어디인지 파악합니다. 각 부품을 그릴 자신이 생겼다면 다음 페이지를 보고 마찬가지의 투상 연습을 합니다. 하루에 많이 볼 필요는 없습니다. 하나라도 정확하게 하는 것이 중요합니다. 부품 명은 순서대로 ① 본체 ② 축 ③ 스퍼기어 ④ 커버 (베어링 커버, 실 하우징) 축의 좌측에 보면 키 홈은 있지만 끼워진 부품은 없는데, 조립하기 위해 키 홈을 설치한 것이기 때문에 키 홈이 있는 축에 끼워 맞춤공차를 적용하고, 문제도에서는 보이지 않지만 탭구멍에 센터구멍을 가공해야 합니다. 5분 투상 - 드릴지그1 드릴지그 1 드릴지그 과제에서 제품도가 주어지면 제품도의 ..

두 원에 접하는 원을 8개 그리시오.

오토캐드(AutoCAD)의 Circle의 옵션인 TTR (접선-접선-반지름/Tangent-Tangent-Radius)를 이용하여 다음의 두 개의 원에 접하는 원을 8개 그려보겠습니다. 접하는 원의 선택 지점에 따라 생성되는 원의 중심 위치가 바뀌니 생성할 원의 위치를 생각하면서 접점을 선택하세요. 1. 문제 R20의 크기를 갖는 두 원의 간격은 70mm 작도한다. 2. R60의 크기를 갖는 접원의 생성 Circle의 ttr을 이용하여 원이 겹치지 않도록 8개의 원을 만든다. 3. 마지막 2개가 잘 안된다면 (노란색 원) 원이 접할 위치를 생각하며 접점을 지정한다. (그림에 흰색 원)

오토캐드 2023.06.07

도형의 생략

도형의 생략 1. 대칭 도형의 생략 도형이 대칭 형식의 경우에는 다음 중 어느 한 방법에 따라 대칭 중심선의 한쪽을 생략할 수 있다. a) 대칭 중심선의 한쪽 도형만을 그리고, 그 대칭 중심선의 양 끝부분에 짧은 2 개의 나란한 가는 선(대칭 도시 기호 또는 대칭 그림 기호)을 그린다. b) 대칭 중심선 한쪽의 도형을 대칭 중심선을 조금 초과한 부분까지 그린다. 이때에는 대칭 도시 기호를 생략할 수 있다. 2. 반복 도형의 생략 같은 종류, 같은 모양의 것이 다수 줄지어 있는 경우에는 다음에 따라 형체 도형을 생략할 수 있다. (a) 다만, 그림 기호를 사용하여 생략할 경우에는 그 뜻을 알기 쉬운 위치에 기술하거나 지시선을 사용하여 기술한다. 잘못 볼 우려가 있으면 양 끝부(한쪽 끝 1피치분), 또는 요..

기초 제도 2023.06.02

PDF 뷰어에서 도면 출력 방법

도면 작업의 마지막 중요 과제인 '출력'에 대해서 알아보도로 하겠습니다. 인벤터에서 PDF 내보내기 방법은 아래 링크를 참고하시기 바랍니다. 인벤터에서 PDF 내보내기 방법과 옵션 인벤터에서 PDF 내보내기 일반기계기사, 기계설계산업기사, 전산응용기계제도기능사 시험에서 2D, 3D 도면 각각 한 장씩, 완성했다고 가정하고 그 후에 도면을 PDF로 내보내는 방법을 알아보도록 153lab.com PDF 뷰어에서 도면 출력 방법과 옵션 1. PDF 파일 열기 어도비 아크로뱃(Adobe acrobat)에서 출력할 PDF 파일을 연다. 2. [인쇄] 버튼 클릭 또는 Ctrl + P 3. 프린터 확인 및 [페이지 설정] 출력할 프린터를 확인하고, 화면 하단에 [페이지 설정] 버튼을 클릭한다. 4. 페이지 설정 변경..

인벤터에서 PDF 내보내기 방법과 옵션

인벤터에서 PDF 내보내기 일반기계기사, 기계설계산업기사, 전산응용기계제도기능사 시험에서 2D, 3D 도면 각각 한 장씩, 완성했다고 가정하고 그 후에 도면을 PDF로 내보내는 방법을 알아보도록 하겠습니다. 1. 2D 부품도, 3D 렌더링 등각 투상도의 완성 idw파일에는 sheet가 총 두 개로 하나는 2D 부품도, 다른 하나는 3D 등각투상도이다. ⓐ Sheet:1 - 2D 부품도 ⓑ Sheet:2 - 3D 렌더링 등각 투상도 2. PDF 내보내기 ⓐ [파일] - [내보내기] - [PDF] 순으로 클릭한다. ⓑ 파일 이름과 옵션 PDF 파일 이름을 입력하고, [옵션] 버튼을 클릭한다. ⓒ 옵션 빨간 사각형만 체크하면 되는데 세부 사항은 다음과 같다. ① 인쇄 범위 ※ 현재 시트 : 현재 활성된 시트만..