캐드, 제품모델링, 기계, 금형 이야기

전체 글 186

동력전달장치의 부품별 재질 선정

동력전달장치 (Power transmission) 동력전달장치는 원동기(엔진, 모터)에서 발생한 동력을 다른 부분으로 전달하여 작동시키는 시스템을 말한다. 동력전달장치는 원동기에서 발생한 동력을 효과적으로 전달하고 변환하는 중요한 역할을 한다. 동력전달장치 문제도 원동축의 V-벨트 풀리가 회전하면서 ② V-벨트 풀리가 회전한다. ② V-벨트 풀리의 회전으로 축과 함께 결합된 평행키(왼쪽 끝)에 의해 ⑤ 축이 회전하며, ⑧ 간격링과 볼베어링의 내륜, 오른쪽 끝에 있는 평행키에 의해 ③ 스퍼기어도 함께 회전하게 된다. 본체 ① 본체 전체 부품들을 지지하는 프레임 역할하며, 본체의 하면을 테이블이나 구조물에 고정한다. 주조로 제작 후 밀링에서 하면, 좌우측면의 평면 절삭, 선반에서 베어링 장착부, 내경 절삭 ..

5분 투상 연습 - 리밍지그

시험에 출제되는 유형은 크게 기계장치와 치공구입니다. 치공구에서의 출제 문제 유형은 크게 4가지가 있으며 다음과 같습니다. 바이스 클램프 드릴지그 리밍지그 물론 위 4가지 외에 사이드메뉴(?) 같은 문제들이 있지만 기본적으로 위의 4가지 도면을 필수로 연습해야 합니다. 이번에는 리밍지그에 대해 알아보고 문제도를 보며 투상 연습을 하시기 바랍니다. 리밍 지그(Reaming jig) 리머(reamer) : 드릴로 가공된 구멍의 크기를 확장하여 다듬어 원하는 크기와 표면거칠기를 얻기 위한 공구 리밍지그(reaming jig) : 리머(reamer)로 가공 시에 공작물의 위치, 자세 결정과 고정, 공구를 안내하는 도구 사각와셔 리밍지그 지그의 이름 드릴지그나 리밍지그 앞에 붙는 이름은 지그로 가공하는 제품의 이..

주물면과 가공면의 구분

주물면과 가공면 주조로 제작된 부품에 있어 과제 도면을 보고 제거 가공하지 않은 면과 제거 가공한 면을 구분할 수 있어야 도면 작업 시 치수 기입과 공차, 표면거칠기 등을 정확히 기입할 수 있다. 주조로 제작된 부품 = 주물 제거 가공하지 않는 면 = 주물면 제거 가공한 면 = 가공면 우리는 일반 주서(부품란 상단에 기입하는 주서)에 '도시되고 지시 없는 필렛과 라운드는 R3'이라고 적는다. 이 항목은 부품도에 주물이 있을 때 기입하는 항목이며, 그만큼 주물에는 가공면보다 주물면이 많다는 뜻이 된다. 주물 제작 시 주형 공동의 원형이 되는 목형에 각이 있을 때는 주형에서 목형을 빼낼 때, 각진 모서리부의 모양을 유지하기도 어렵지만, 용융된 쇳물이 응고되는 과정에서 주물의 모서리에 크랙이 발생한다. 따라서..

2024년 일반기계기사 시험 변경 사항 및 출제 기준

일반기계기사 + 기계설계기사 = 일반기계기사 2024년부터 일반기계기사와 기계설계기사 자격 종목 간 내용 유사성과 현장에서의 자격 활용 및 수요 등을 고려하여 종목 통합됩니다. 구분 현행 개정안 종목 구분 종목명 일반기계기사 기계설계기사 일반기계기사 직무분야 16 기계 16 기계 "변경 없음" 중직무분야 161 기계제작 161 기계제작 "변경 없음" 소관 부처 산업통상자원부 고용노동부 산업통상자원부 시험 과목 필기 시험 1. 재료역학 2. 기계 열역학 3. 기계 유체역학 4. 기계재료 및 유압기기 5. 기계 제작법 및 기계동력학 1. 재료역학 2. 기계제작법 3. 기계설계 및 기계재료 4. 기구학 및 CAD 1. 기계 제도 및 설계 2. 기계 재료 및 제작 3. 구조 해석 4. 열 · 유체 해석 실기 시..

채점 기준표 - 일반기계기사 · 기계설계산업기사 · 전산응용기계제도기능사

채점 기준 국가 기술 자격 CAD 실기 시험의 기계 계열 (일반기계기사, 기계설계산업기사, 전산응용기계제도기능사) 실기 과제의 채점 기준은 아래와 같으며, 학습 방법란의 내용을 참고하여 학습하시기 바랍니다. 대부분의 수험생들은 투상과 3D모델링까지만 집중하는 경향이 있는데, 물론 가장 중요한 부분이지만, 투상도 선택과 배열, 정확한 투상도 정리까지 잘하셔야 100점 만점의 30점을 획득하실 수 있습니다. 각 항목의 배점을 확인하세요. ★ 100점 기준 각 항목의 배점 1. 투상도 선택과 배열 - 30점 2. 치수 기입 - 15점 3. 끼워 맞춤 공차, 치수 공차 - 10점 4. 표면 거칠기 - 10점 5. 형상 기하 공차 - 10점 6. 재료 선택과 처리 - 7점 7. 주서, 표제란 및 부품란 - 8점 ..

치공구의 시작 - 바이스1 #모델링부터 도면 작업까지 전 과정 따라하기

치공구라 불리는 지그(Jig)와 고정 장치(Fixture), 그중에서 가장 기본이 되며, 도면해독을 처음 배울 때의 과제로 적합한 바이스(Vise)의 문제도와 도면 작업 전 과정에 대한 영상입니다. 총 5개의 영상이며 순서는 다음과 같습니다. 1) 바이스 1 - 전 부품 3D 모델링 2) 바이스 1 - 투상도 작도와 정리 3) 바이스 1 - 치수 기입 4) 바이스 1 - 공차의 적용 5) 바이스 1 - 주서와 재질, 3D 렌더링 등각 투상도 작도 방법, PDF 출력과 용지 출력 아래는 문제도 이미지이며, PDF 파일로 다운이 가능하니, 출력 시에 실제 크기(1:1)로 출력하시기 바랍니다. 치공구의 시작, 바이스 1 - 모델링부터 출력까지 전 과정 따라 하기 도면을 출력하여, 도면을 보면서 따라 하셔야 효..

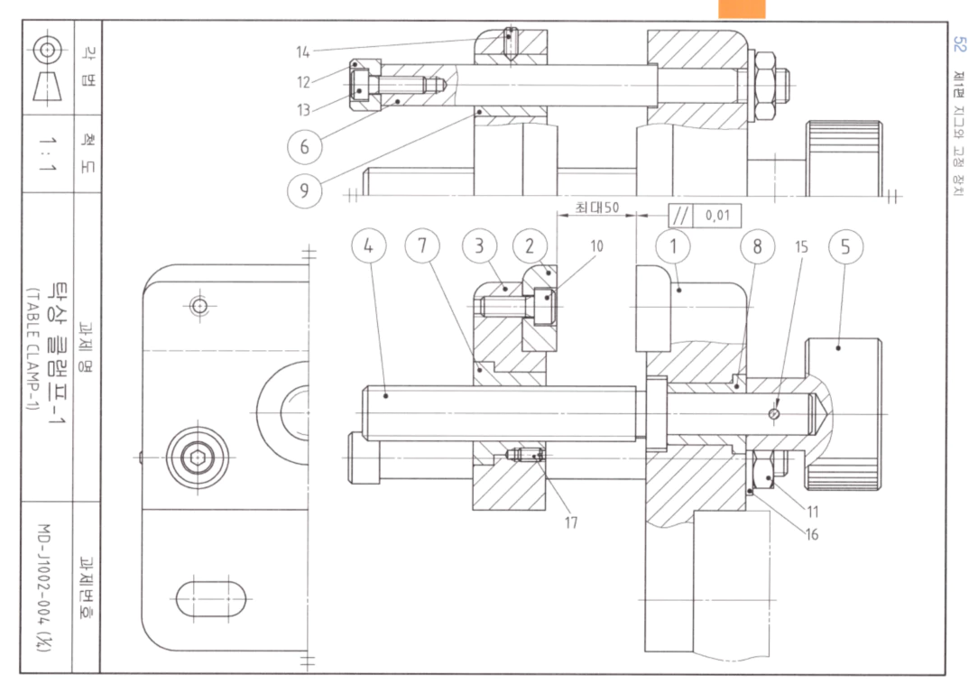
2023년 2회 전산응용기계제도기능사 실기 출제 문제 - 탁상 바이스

2023년 6월 16일 전산응용기계제도기능사 실기 시험 문제입니다. 투상은 어렵지 않으나 리드나사축 1개와 가이드포스트2개, 3개의 축이 삼각형 배치를 정확히 유지하기 위한 치수와 공차가 요구됩니다. 전산응용기계제도기능사외에 다른 종목에서도 자주 출제되는 문제이므로 시험을 준비하고 있다면, 꼼꼼히 살펴보시기 바랍니다. 탁상 바이스 문제도 153LAB

5분 투상 - 윈치롤러

윈치 롤러 (Winch Roller) 윈치 롤러는 케이블 또는 로프의 안내와 방향 전환을 위해 사용하는 장치이며, 케이블이나 로프를 감거나 풀 때의 원활한 동작을 보장하기 위해 사용됩니다. 윈치 롤러의 구성과 기능 윈치 롤러는 롤러 본체와 회전 가능한 롤러 휠로 구성됩니다. 롤러 휠 (품번 5): 롤러 휠은 케이블이나 로프가 따라가는 표면을 제공합니다. 마찰을 최소화하고 더 나은 접촉력을 위해 일반적으로 원통형이나 홈이 있는 표면으로 설계됩니다. 윈치 롤러의 주요 기능 케이블 안내: 윈치 롤러는 케이블이나 로프를 올바른 경로로 안내하여 정확한 방향으로 유도합니다. 이는 케이블의 뒤틀림이나 휘어짐을 방지하고 원활한 작동을 도와줍니다. 마찰 감소: 윈치 롤러는 케이블이나 로프가 롤러 휠 위를 움직일 때 발생..

2023년 2회 전산응용기계제도기능사 출제 문제 - 소형 탁상 그라인더

소형 탁상 그라인더 전산응용기계제도기능사 2023년 6월 14일 출제 문제 "소형 탁상 그라인더'입니다. 소형 탁상 그라인더 문제도 2D 부품도 : 본체, 축, 플랜지 커버, V-벨트풀리 3D 렌더링 등각투상도 : 본체, 축, 플랜지 커버, V-벨트풀리 질량 : 본체, V-벨트풀리 테이퍼 축에 키 홈이 있으므로, 인벤터의 보조 뷰를 이용한 국부 투상도 작도법을 알아야 합니다. 테이퍼 축에 있는 키 홈의 국부 투상도 테이퍼 축에 있는 키 홈의 국부 투상도 테이퍼 축에 평행 키나 반달 키가 있을 때의 인벤터에서 #보조 투상도 만드는 방법에 대해 알아보도록 하겠습니다. 1. 테이퍼 축 모델링 축의 일부만 모델 153lab.com 153LAB

5분 투상 - 바 드릴 지그

드릴 지그(Drill jig)는 드릴 비트를 안내하고 정확하고 정밀한 구멍을 뚫을 수 있도록 돕는 고정 장치입니다. 작업물을 안전하게 고정시키고 드릴 비트를 올바른 각도와 깊이로 안내합니다. 드릴 지그는 응용 분야에 따라 다양한 형태와 디자인으로 제작되며, 일반적인 유형으로는 다음과 같습니다. 템플릿 지그 평면 판이나 템플릿으로 구성되며, 미리 구멍이 뚫린 상태입니다. 작업물을 템플릿 위에 놓고 드릴 비트를 구멍을 통해 안내합니다. 부싱 지그 드릴용 부시나 슬리브를 사용하여 드릴 비트를 안내합니다. 부시는 지그에 미리 뚫린 구멍에 삽입되고, 드릴은 부시를 통 해 공작물의 정확한 위치로 안내됩니다. 각도 지그 특정한 각도에서 구멍을 뚫기 위해 사용됩니다. 지그는 작업물을 원하는 각도로 고정하여 드릴 비트가..