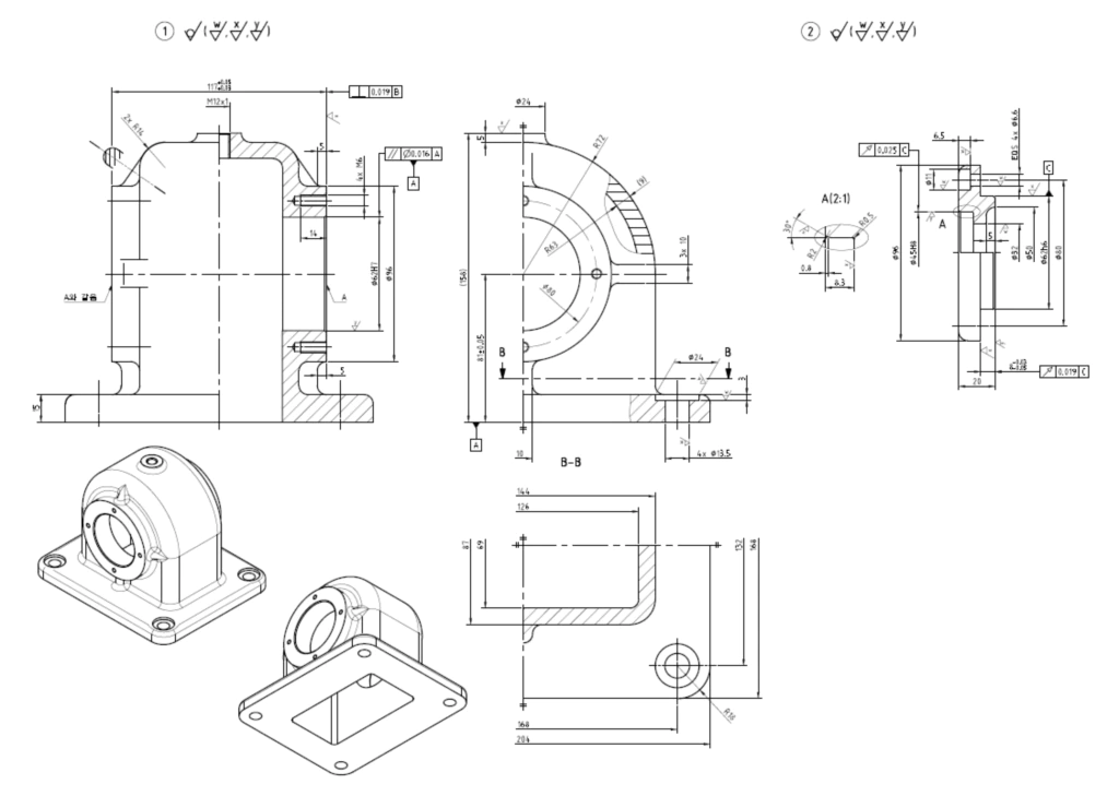
주물면과 가공면

주조로 제작된 부품에 있어 과제 도면을 보고 제거 가공하지 않은 면과 제거 가공한 면을 구분할 수 있어야 도면 작업 시 치수 기입과 공차, 표면거칠기 등을 정확히 기입할 수 있다.
주조로 제작된 부품 = 주물
제거 가공하지 않는 면 = 주물면
제거 가공한 면 = 가공면
우리는 일반 주서(부품란 상단에 기입하는 주서)에 '도시되고 지시 없는 필렛과 라운드는 R3'이라고 적는다.
이 항목은 부품도에 주물이 있을 때 기입하는 항목이며, 그만큼 주물에는 가공면보다 주물면이 많다는 뜻이 된다.
주물 제작 시 주형 공동의 원형이 되는 목형에 각이 있을 때는 주형에서 목형을 빼낼 때, 각진 모서리부의 모양을 유지하기도 어렵지만, 용융된 쇳물이 응고되는 과정에서 주물의 모서리에 크랙이 발생한다. 따라서 모서리와 구석 부분에 둥글기를 준다.
모서리의 둥글기 = 라운드(Round)
구석의 둥글기 = 필렛(Fillet)

또한, 가공할 부분은 가공을 고려하여 목형 단계에서 살을 더 두껍게 만들고, 주조 이후 가공한다. (가공 여유)
가공 전 주물
아래 그림은 가공 전 주물의 모양과 표면거칠기 기호를 나타낸 것이다. 모서리가 없으며, 면의 경계는 필렛 또는 라운드로 되어 있다.

바닥 면의 가공
부품을 평평한 지면에 놓기 위해 바닥면을 가공한 경우 아래와 같이 양끝에 있는 라운드도 함께 제거된다.

윗 면의 가공
윗 면을 가공한 상태일 때도 윗면의 라운드도 같이 제거된다.

두 방향에서 파악하는 면
위 그림을 보면 좌측 수직면은 양 끝에 R이 하나도 없는데 주물면으로 파악하기가 쉽지 않다. 면을 파악할 때는 한쪽만 보고 파악하기 쉽지 않을 때는 다른 방향에서도 보아야 한다.

153랩
'국가 기술 자격 CAD 실기 시험 > 기계 제도와 도면 해독' 카테고리의 다른 글
| 도브테일 (Dove tail) (19) | 2024.08.14 |
|---|---|
| V-벨트풀리 아이들러의 본체 모델링, 투상도, 치수 (1) | 2023.08.01 |
| 주철품과 주강품의 보통 치수 공차 (일반 공차) (0) | 2023.07.10 |
| 동력전달장치의 부품별 재질 선정 (0) | 2023.07.05 |
| 치공구의 시작 - 바이스1 #모델링부터 도면 작업까지 전 과정 따라하기 (2) | 2023.06.26 |
| 투상도 작도와 치수 기입 방법 최종 - (3) 치수 기입 (1) | 2023.05.11 |
| 투상도 작도와 치수 기입 방법 - (2) 투상도 작도 (0) | 2023.05.10 |
| 투상도 작도와 치수 기입 방법 - (1) 모델링 (1) | 2023.05.09 |