
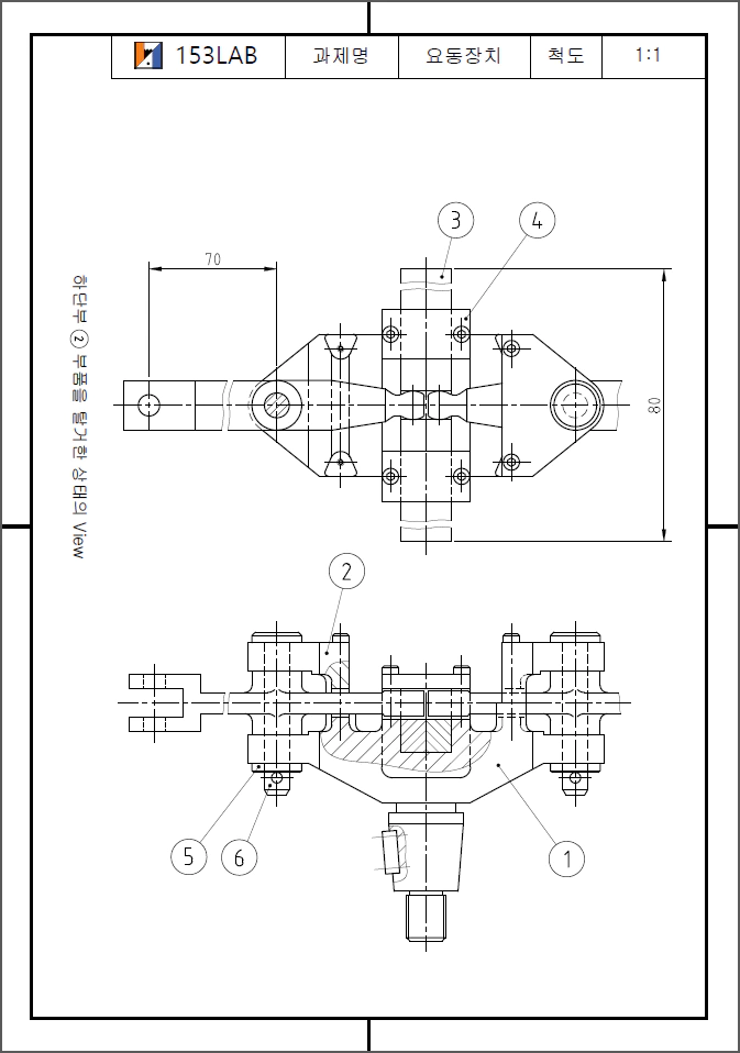
투상 연습에 많은 도움이 되는 요동장치입니다. 평면도의 왼쪽은 ② 서포터를 탈거한 상태로 절단이 된 모습입니다. ② 서포터는 ① 본체의 일부와 대칭에 가깝고, 끝 쪽의 모양만 차이가 있습니다. 각각 볼트 구멍과 탭구멍도 차이가 있구요.서포터보다 ④ 커버가 더 어렵게 느낄 수도 있으니 투상을 꼼꼼히 해보시기 바랍니다.
요동 장치

테이퍼 축에 키 홈의 투상도 작도와 치수기입
요동장치 본체에 붙어 있는 테이퍼축에서의 평행 키홈의 투상도 작도 방법과 치수 기입 방법은 아래 글을 참고하시기 바랍니다.
테이퍼 축에 있는 키 홈의 국부 투상도
테이퍼 축에 있는 키 홈의 국부 투상도 테이퍼 축에 평행 키나 반달 키가 있을 때의 인벤터에서 #보조 투상도 만드는 방법에 대해 알아보도록 하겠습니다. 1. 테이퍼 축 모델링 축의 일부만 모델
153lab.com
5분 투상 - 윈치롤러
윈치 롤러 (Winch Roller) 윈치 롤러는 케이블 또는 로프의 안내와 방향 전환을 위해 사용하는 장치입니다. 케이블이나 로프를 감거나 풀 때의 원활한 동작을 보장하기 위해 사용됩니다. 윈치 롤러
153lab.com
5분 투상 - 기어 펌프
기어 펌프입니다. 기어 펌프는 유체를 한 곳에서 다른 곳으로 이동시키는 기계 장치입니다. 액체를 펌핑하는 데 사용되며, 여러 산업 분야에서 다양한 용도로 활용됩니다. 기어 펌프는 기어 세
153lab.com
5분 투상 연습 - 리밍지그
시험에 출제되는 유형은 크게 기계장치와 치공구입니다. 치공구에서의 출제 문제 유형은 크게 4가지가 있으며 다음과 같습니다. 바이스 클램프 드릴지그 리밍지그 물론 위 4가지 외에 사이드메
153lab.com
5분 투상 - 드릴지그1
드릴지그 1 드릴지그 과제에서 제품도가 주어지면 제품도의 모양과 치수, 공차를 잘 보고 작업을 해야 합니다. 제품도의 척도도 고려하여 투상하시기 바랍니다. 부품명은 ① 본체 ② 부시홀더
153lab.com
153LAB
'국가 기술 자격 CAD 실기 시험 > 투상 연습' 카테고리의 다른 글
| 5분 투상 - 바 드릴 지그 (4) | 2023.06.12 |
|---|---|
| 5분 투상 - 기어 펌프 (0) | 2023.06.11 |
| 5분 투상 - 수평 슬라이더 (0) | 2023.06.09 |
| 5분 투상 - 바이스3 (0) | 2023.06.08 |
| 3분 투상 연습하기 - 4문제 (0) | 2023.06.08 |
| 3분 안에 투상하기 - 4문제 (0) | 2023.06.08 |
| 5분 투상 - 바이스2 (0) | 2023.06.08 |
| 5분 투상 - 바이스1 (0) | 2023.06.08 |