
바이스 ( Vise )
바이스(Vise)는 작업물을 안전하게 고정하고 가공하는 데 사용되는 장치입니다. 바이스는 주로 목공, 금속 가공, 조립 작업 등 다양한 분야에서 사용됩니다.
바이스의 일반적 구성 요소
조(Jaws): 바이스의 상하 또는 좌우, 앞뒤에 위치한 조(턱)은 작업물을 고정하는 부분입니다. 일반적으로 이동 가능하며, 작업물의 크기와 모양에 맞게 조절할 수 있습니다.
나사(Screw): 바이스의 조를 움직이는데 사용되는 나사입니다. 나사는 손으로 조절할 수 있는 나사(vise screw) 또는 손잡이로 작동되는 회전 잭 스크류(jack screw) 형태일 수 있습니다.
손잡이(Handle): 바이스를 작동시키는 데 사용되는 손잡이입니다. 손잡이를 돌리면 나사가 회전하여 조를 이동시킵니다.
작업물을 바이스의 조와 조 사이에 넣고 나사를 돌려 조를 이동하여 작업물을 고정합니다. 이렇게 하면 작업 중에 작업물이 움직이거나 흔들리지 않고 안정적으로 가공할 수 있습니다. 바이스는 회전, 평행 이동, 각도 조절 등 다양한 작업 요구에 따라 다양한 형태와 크기로 제공됩니다.
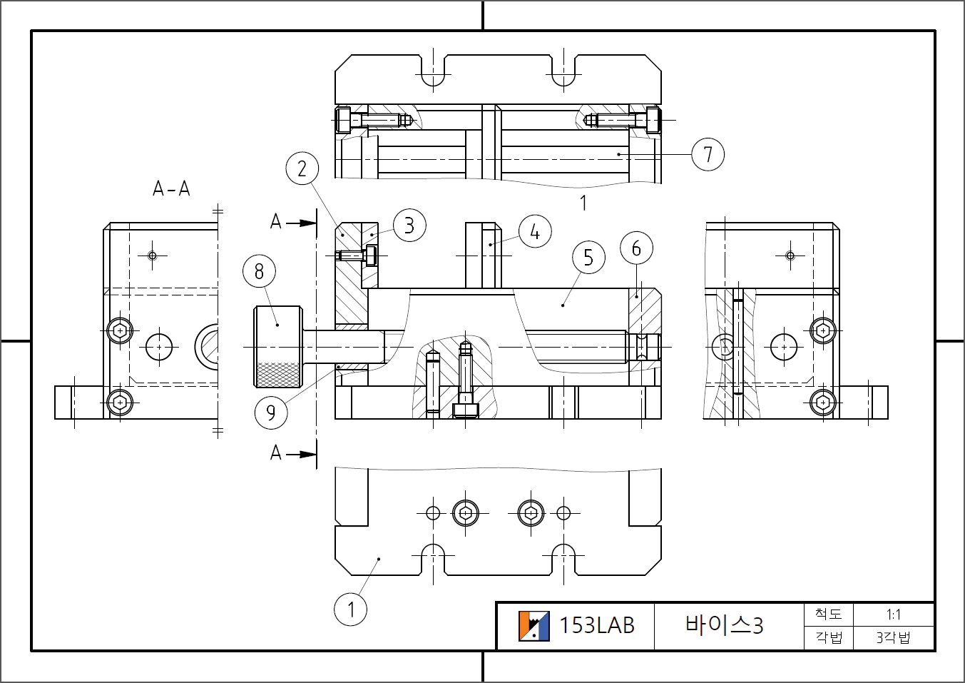
바이스 3
치공구 치고, 부품 수가 많은 편의 바이스 3입니다.
역시 '나사 바이스'이며, 제자리에서 회전하는 리드나사축을 타고 이동조가 움직이는 구조입니다.
기존에 올린 바이스1, 바이스2와 다른 점은 ⑦ 가이드 포스트를 타고 이동조가 움직인다는 것 입니다. 이동조의 형상이 숨은선으로 가려져 있어, 관련 부품들을 천천히 보시고, 투상해보시기 바랍니다.

153LAB
'국가 기술 자격 CAD 실기 시험 > 투상 연습' 카테고리의 다른 글
| 5분 투상 - 윈치롤러 (4) | 2023.06.14 |
|---|---|
| 5분 투상 - 바 드릴 지그 (4) | 2023.06.12 |
| 5분 투상 - 기어 펌프 (0) | 2023.06.11 |
| 5분 투상 - 수평 슬라이더 (0) | 2023.06.09 |
| 5분 투상 - 요동 장치 (0) | 2023.06.08 |
| 3분 투상 연습하기 - 4문제 (0) | 2023.06.08 |
| 3분 안에 투상하기 - 4문제 (0) | 2023.06.08 |
| 5분 투상 - 바이스2 (0) | 2023.06.08 |