캐드, 제품모델링, 기계, 금형 이야기

국가 기술 자격 CAD 실기 시험 129

편심축의 투상도, 주요 치수와 공차 정리

편심축의 투상도, 주요 치수와 공차 정리 이번 시간에는 편심축의 주요 치수와 공차에 대해 빠르게 정리하겠습니다. 키홈이나 여러 가지 축에 있어야 하는 형상은 제외하고 축의 기본 형상에 센터구멍만 낸 단순한 모양으로 정리합니다. ① 투상도 작도 정면도와 좌측면도가 필요하다. 키홈이 있으면 국부투상도가 필요하나 현재는 편심축에만 집중하도록 한다. ② 중심선 작도 각각 [자동화된 중심선]을 사용하여 중심선을 작도한다. ③ 편심축 치수기입 편심축에 관련된 위치치수(가로, 세로)와 크기치수 (지름, 길이)를 준다. ④ 편심축의 공차 편심축이 끼워지는 경우는 끼워 맞춤공차를 적용해야 한다. 여기서는 편심축에는 끼워맞춤이 없으므로 편심거리에만(좌측면도 3mm) 위치공차(±0.05)를 적용한다. ⑤ 표면거칠기와 기하공..

오일실(Oil seal)의 KS규격 적용 방법

오일실(Oil seal)의 KS규격 적용 방법 내부의 그리스의 유출 방지와 외부의 이물질 침투 방지를 하는 오일실은 작업형 CAD실기 시험 (일반기계기사, 기계설계산업기사, 전산응용기계제도기능사)에 자주 등장하는 부품입니다.이번 시간에는 오일실에 관련된 축과 구멍의 치수와 공차를 빠르게 정리하도록 하겠습니다.  오일실의 변수d : 오일실의 안 지름 (호칭 지름)D : 오일실의 바깥지름B : 폭 오일실은 자로 측정해서 규격과 비교 > 치수 확정을 해야 한다.자로 쟤고 찾는 순서는 d > D > B 순서로 하고,  자로 쟨 값과 규격을 비교 확인한다. 여기에서는 d: 17, D:32, B:8이라 하겠다.  모델링과 도면작업에서 축과 구멍을 작업할 때 오일실 규격을 참고한다.   이것을 정리하면 다음과 같다...

반달키와 평행키의 KS규격 적용 모델링과 도면 작업

반달키와 평행키의 KS규격 적용 모델링과 도면 작업 반달키는 2022년 KS기계제도규격 기준으로 2페이지입니다. 이번 시간에는 반달키와 평행키의 KS규격을 적용하여 모델링하고 도면 작업을 해보도록 하겠습니다. ( 1 ) 감속기-2의 ⑤ 축 모델링 ① 인벤터의 스케치 환경에서 축의 기본 모양을 작도하고 치수 기입한다. ② 평행키홈과 반달키홈을 만들기 위해 각각 직사각형과 원을 이용해 도면을 보고 대략의 위치에 다음과 같이 그린다. ③ 각각 평행키홈와 반달키홈의 위치를 도면에서 자로 측정하여 치수 기입한다. ④ 평행키홈의 길이를 도면에서 자로 측정하여 치수 기입한다. ⑤ 평행키와 반달키의 규격 찾기 위 그림과 같이 키를 먼저 축에 고정하고, 구멍과 조립한다. 조립 순서 : 키 + ① 축 > ② 구멍 따라서 ..

O링의 KS규격 적용 방법과 도면 작업

에어클램프(Air clamp)는 간이 자동화 및 자동화 기계장치 등에서 가공물의 위치변동, 운반 등의 기능을 수행하는 장치입니다. 에어클램프-2에 있는 8, 9, 10번 부품이 O링입니다. O링은 조립도에서 눌려져 있는 상태로 조립되므로 단면이 타원으로 작도됩니다. ⑤가 피스톤인데, O링의 규격을 찾고 도면작업을 위해 ⑤ 피스톤을 작업해 보도록 하겠습니다. ( 1 ) 피스톤 모델링 ① 인벤터(Inventor) - 스케치(Sketch)에서 다음과 같이 피스톤의 아우트라인을 작도한다. ② O링홈을 제외한 형상을 추가적으로 그려준다. ③ 이제 O링 규격을 찾아보자 ④ O링의 호칭 지름은 O링의 안지름이다. O링의 안 지름에 대한 치수를 자로 측정한다. 가 : ∅24 나 : ∅9 ⑤ KS기계제도 규격에서 O링을..

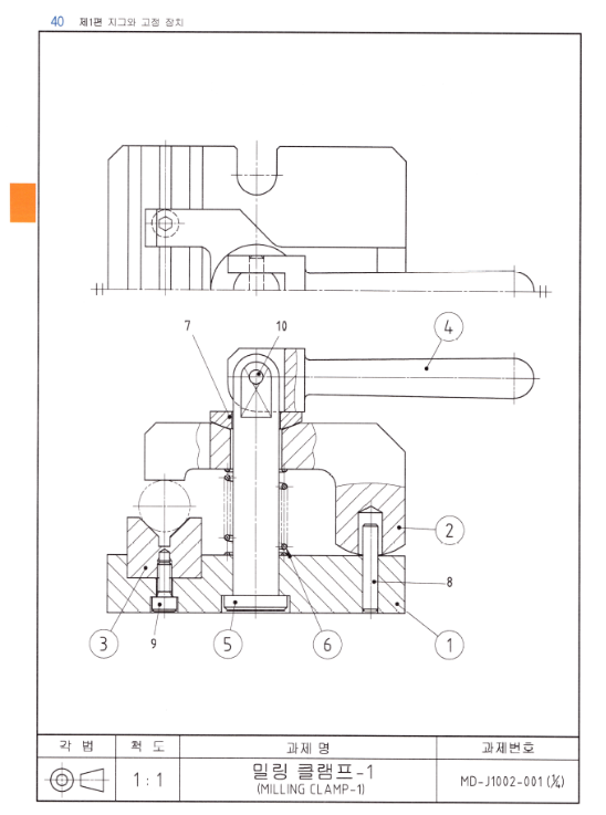
V-블럭(V-Block) 모델링과 도면 작업

V-블럭(V-Block) 모델링과 도면 작업 CAD 작업형 시험 중에서 소위 치공구라고 부르는 지그(Jig)와 고정장치(Fixture) 출제 문제 중에 공작물이 원통형일 때, 공작물을 고정하는 용도로 자주 출제되는 필수 점검 부품이라 하겠습니다. 이번 시간에는 간단하게 점검할 수 있는 밀링클램프-1 과제를 통해 빠르게 점검하는 시간을 갖도록 하겠습니다. 1. V-BLOCK 모델링 ① X-Y평면을 선택하여 스케치 작성을 한다. ② [직사각형] 툴을 이용하여 원 점(0,0)을 첫 번째 점으로 대각선 임의로 점을 지정한 후 가운데 수직선은 [중심선]으로 하고, 가로 26, 세로 21의 치수를 준다. ③ V홈을 [선]툴로 모양을 작도한다. ④ [미러]툴로 대칭 복사를 한 후 각각 치수기입하여 모양을 완성한다. ..

생크(Shank)의 모델링, 도면 작업

생크(Shank)의 모델링, 도면 작업 이번 시간에는 KS기계제도 규격에 있는 생크의 모델링과 도면 작업에 대해 알아보겠습니다. 1. 축 모델링 6번 리드나사축의 생크부위만 모델링하자. ① 스케치 환경에서 다음과 같이 그린 후 [회전] 하여 솔리드 바디를 만든다. 지름 : Ø11 길이:15 ② 모떼기 1을 준다. 2. 생크 모델링 ① 축의 오른쪽 끝 면을 선택하여 [스케치 작성]을 누른다. ② 직사각형 명령 아래에 있는 폴리곤을 누른다. ③ 면의 수는 4를 입력하고 그림과 같이 도형을 그린다. 수직이나 수평선을 따라 마우스를 움직이면 스냅이 걸린다. ④ 규격에서 Ød에 대한 K값, LK값을 찾는다. 축의 지름이 Ø11이므로 K는 9이며, LK는 12이다. 스케치에서는 K값 9를 치수기입한다. ⑤ [ 돌출..

삽입부시 ( 우회전용 노치형 ) 부품도 작업

삽입부시 ( 우회전용 노치형 ) 2D 부품도 작업 지난 시간에 만든 삽입부시를 가지고 부품도 작업을 하도록 하겠습니다. 삽입 부시 ( 우회전용 노치형 ) 모델링 위 조립도에서 ④번 부품이 우회전용 노치형 삽입부시입니다. ⑤번은 삽입부시를 안내하는 고정라이너입니다. 드릴지그는 출제빈도가 높은 과제이며, 드릴지그 출제 시 4개의 부품 중 하나의 153lab.com 지그용 부시는 모델링할 때나 도면작업 할 때나 KS규격을 보고 똑같이 작업하면 됩니다. 간단하죠? 약간의 차이만 있으니 작업 순서를 잘 보시고 익히시기 바랍니다. ( 1 ) 투상도 작도와 정리 ① 투상도 배치 투상도는 위 규격과 똑같이 배치한다. ② 부분 단면과 중심선을 작도한다. 중심선은 좌측면도는 [중심 패턴]으로 조금 수정해 주고, 정면도는 ..

삽입 부시 ( 우회전용 노치형 ) 모델링

위 조립도에서 ④번 부품이 우회전용 노치형 삽입부시입니다. ⑤번은 삽입부시를 안내하는 고정라이너입니다. 드릴지그는 출제빈도가 높은 과제이며, 드릴지그 출제 시 4개의 부품 중 하나의 부품이 지그용 부시일 경우가 많습니다. 따라서, 삽입부시, 고정부시, 고정라이너의 구분과 모델링, 치수와 공차 적용 연습은 반드시 필요하니 잘 정리하고 시험에 응시하시기 바랍니다. 이번 글에서는 삽입부시(우회전용 노치형)의 모델링과 도면 작업에 대해 알아보도록 하겠습니다. 우회전용 노치형 삽입부시 모델링 모든 링(ring)형태의 부품은 구멍이 규격을 찾는 기준치수가 된다. (1) 삽입 부시의 안지름( d1: 드릴 지름 )을 자로 측정하여, KS규격에서 찾는다. 삽입부시 안지름(d1)이 Ø10일 때, 규격에 나온 치수는 도면에..

끼워맞춤공차 적용 순서 ( 시험 실전 )

끼워 맞춤 공차를 적용하는 방법에 대해서 지난 글에서 자세히 설명해 놓았지만 국가 기술 CAD 자격시험 (일반기계기사, 기계설계산업기사, 전산응용기계제도기능사)에서 적용하는, 순서에 대해 예시로 설명을 드리겠습니다. 끼워맞춤공차 적용 방법끼워 맞춤공차를 적용하기 위해선 먼저 끼워 맞춤공차를 적용할 수 있는 조건이 성립되는지 확인을 해야 한다. (1) 끼워 맞춤공차 적용의 조건 ① 구멍과 축이 있어야 한다. 구멍 : 안쪽 면을 가153lab.com 아래 그림과 같이 4개의 부품들로 이루어진 조립품이 있다.1번은 본체 또는 베이스로 불리며 고정된 부품이며, 2번은 커버로 1번 본체와 볼트로 체결되어 함께 고정된다.3번은 가이드부시로 본체에 고정되어 있으며, 4번 축은 축선 방향으로 직선 왕복 운동을 한다...

2D에서 널링의 지시 방법 ( 빗줄형, 바른줄형 )

2D에서 널링의 지시 방법 ( 빗줄형, 바른줄형 ) ① 빗줄형 널링 모델링을 마치고 뷰를 뽑아 중심선을 작도하고 투상도를 완성한다. [ 스케치 시작 ] 버튼을 클릭하고, 뷰를 클릭하여 스케치 환경으로 들어간다. [ 직사각형 ] 버튼을 클릭하고 널링을 표현할 영역에 사각형을 그린다. [ 해치 영역 ] 버튼을 클릭하고 사각형 내부를 지정한 후, 해치 대화상자에서 각도는 30, 축척은 0.3을 지정하고 확인한다. [ 직사각형 ] 버튼을 클릭하고 기존 4 각형의 대각선 모서리 2점을 클릭하여 직사각형을 그린다. [ 해치 영역 ] 버튼을 클릭하고 방금 그린 사각형 내부를 지정한 후, 해치 대화상자에서 각도는 -30, 축척은 0.3을 지정하고 확인한다. 그림과 같이 마우스로 사각형의 위 가로선을 모두 선택하여 [ ..