삽입부시 ( 우회전용 노치형 ) 2D 부품도 작업
지난 시간에 만든 삽입부시를 가지고 부품도 작업을 하도록 하겠습니다.
삽입 부시 ( 우회전용 노치형 ) 모델링
위 조립도에서 ④번 부품이 우회전용 노치형 삽입부시입니다. ⑤번은 삽입부시를 안내하는 고정라이너입니다. 드릴지그는 출제빈도가 높은 과제이며, 드릴지그 출제 시 4개의 부품 중 하나의
153lab.com
지그용 부시는 모델링할 때나 도면작업 할 때나 KS규격을 보고 똑같이 작업하면 됩니다.
간단하죠? 약간의 차이만 있으니 작업 순서를 잘 보시고 익히시기 바랍니다.

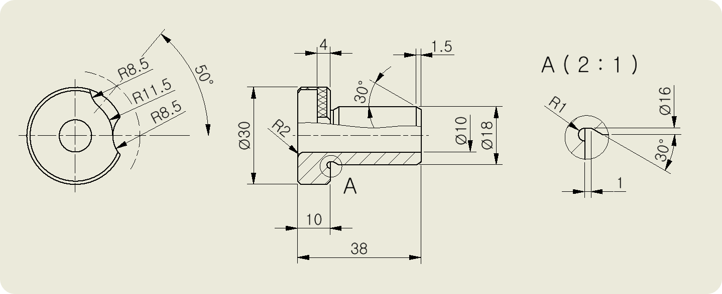
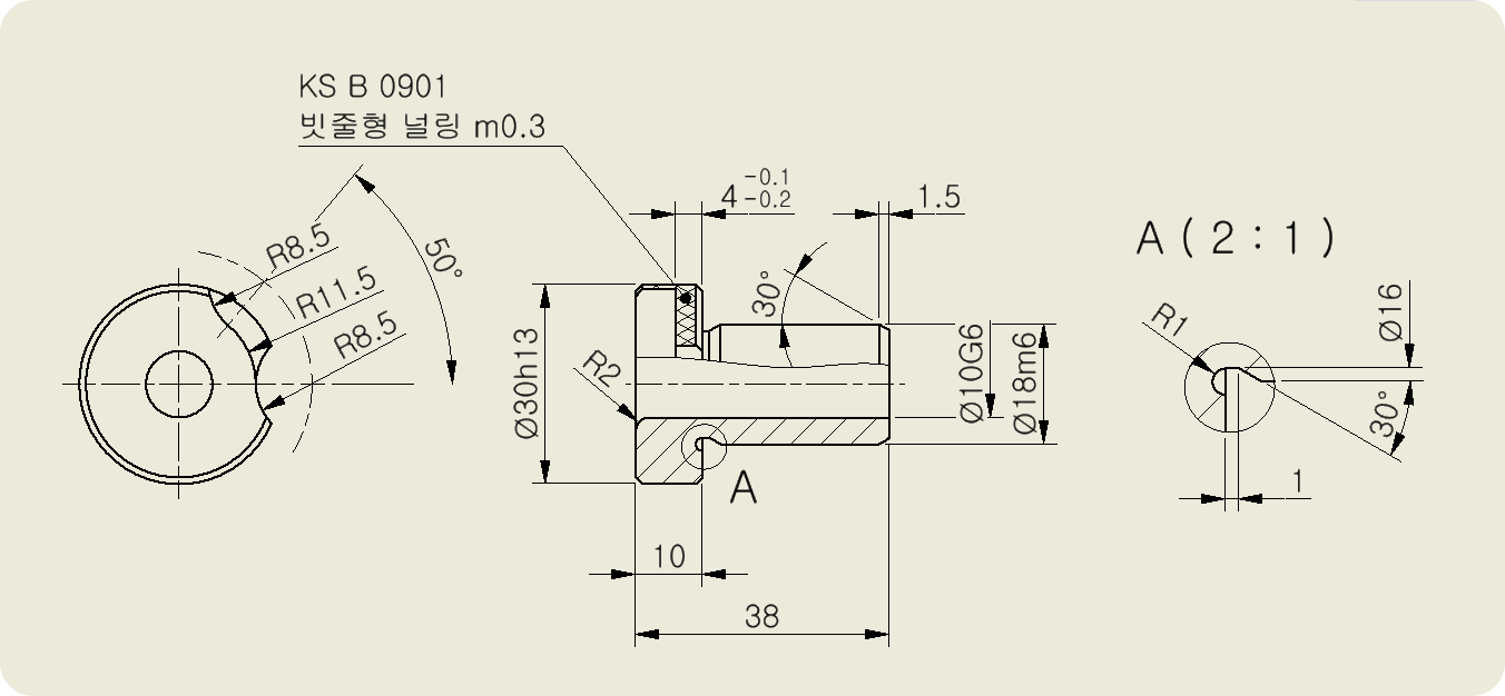
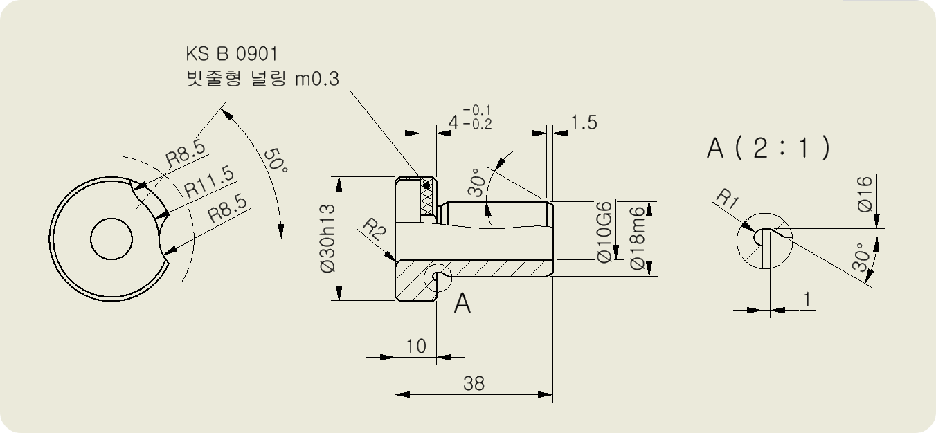
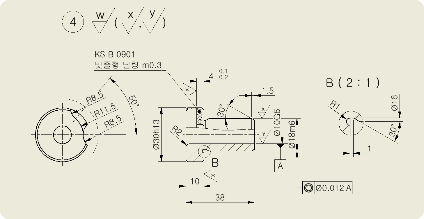
( 1 ) 투상도 작도와 정리
① 투상도 배치
투상도는 위 규격과 똑같이 배치한다.

② 부분 단면과 중심선을 작도한다.
중심선은 좌측면도는 [중심 패턴]으로 조금 수정해 주고, 정면도는 [자동화된 중심선]으로 한다.

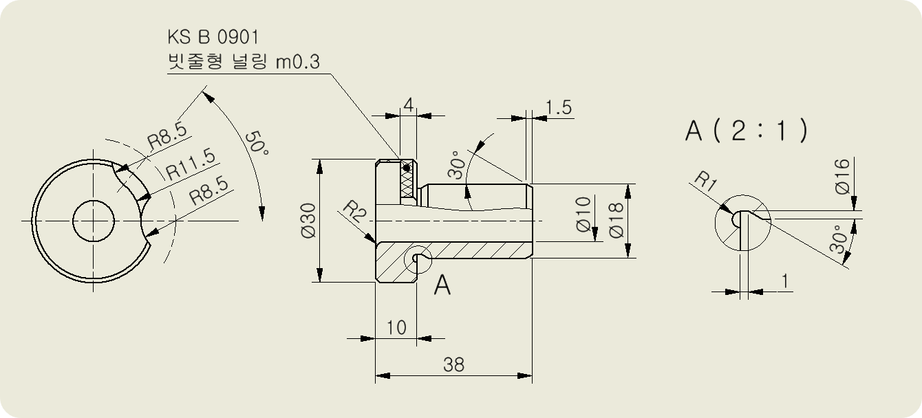
③ 칼라에 빗줄형 널링을 한다.
정면도를 선택하여, 스케치 작성을 누르고, 스케치환경에서 그림과 같이 널링을 줄 영역의 선들을 추출하거나 [선]으로 새로 긋고 각도는 30 º

동일한 방법으로 해치 영역을 만들고 해치를 준다. 간격은 동일하고, 각도만 -30도로 한다.

스케치를 마무리한다.

④ 구속 홈 부는 2:1 확대도를 뽑아준다.

( 2 ) 치수기입
① 측면도의 치수기입
R8.5는 치수가 같지만 완전히 똑같은 호의 모양은 아니므로 2x를 붙이지 말고, 각각 R8.5 치수기입한다.

② 정면도의 치수기입
항상 그렇듯 구멍부터 치수기입하며, 확대도까지 완성한다.

널링의 대한 규격번호, 호칭을 지시선으로 작도한다.

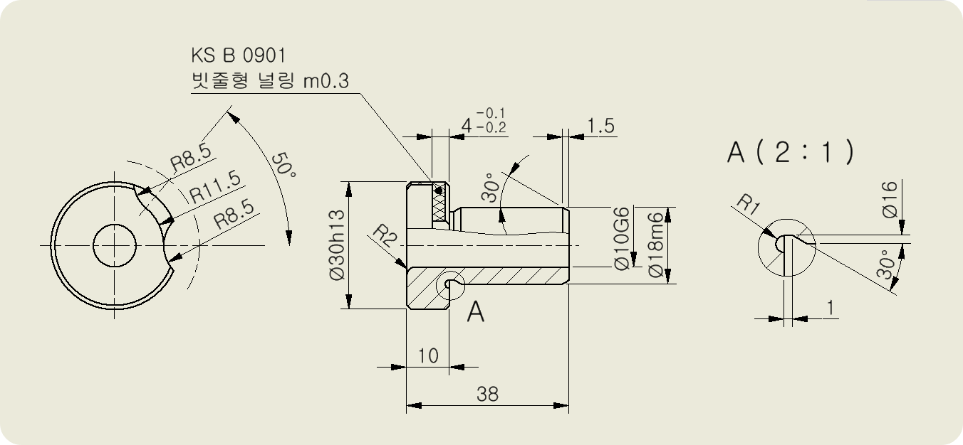
( 3 ) 끼워 맞춤공차 / 치수공차
삽입부시 규격을 보고 공차를 적용한다. d1의 공차는 드릴용 G6, 리머용 F7으로 구분되어 있으니 과제명이 드릴지그면 드릴용, 리밍지그면 리머용이므로 과제에 맞게 공차를 적용하면 된다.


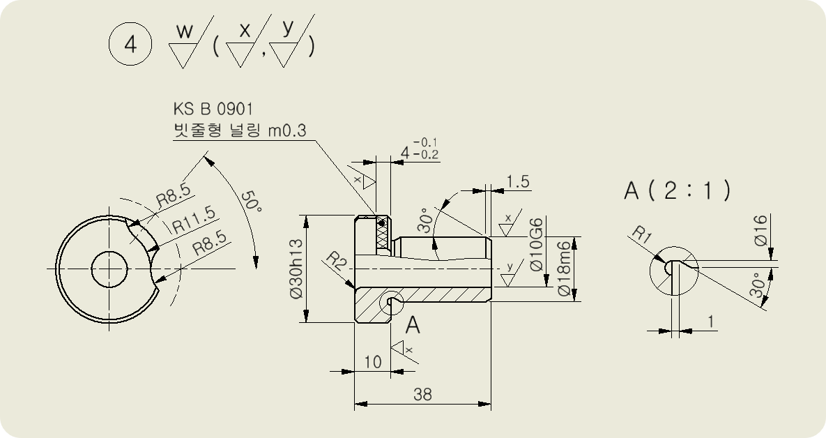
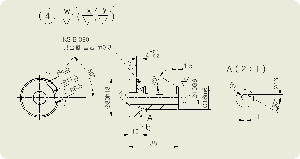
( 4 ) 표면거칠기
가공품이므로 대표 표면거칠기를 w로 하고 x, y를 준다.

( 5 ) 기하공차
KS기계제도규격에 치수와 공차들, 특히 기하공차까지 나와있는 부품은 지그용부시와 V-벨트 풀리이다. 이들 부품이 나오면 규격을 꼼꼼히 보면 틀리지 않는다.
규격에 나와있는 데로 공차를 붙이고, 동심도 공차값 v는 [고정부시] 페이지에 있으니 확인하고 작업한다.

.

이상으로 우회전용 삽입부시의 부품도 작업에 대해 알아보았습니다.
거의 답안이 규격에 있다시피 하지만 모델링 방법이라던지 사소한 부분에서 틀릴 수 있으니 시험 전 꼭 체크하고 시험 보시기 바랍니다.

자세한 설명은 영상을 참고하시기 바랍니다.
'국가 기술 자격 CAD 실기 시험 > KS규격' 카테고리의 다른 글
| 오일실(Oil seal)의 KS규격 적용 방법 (3) | 2023.04.24 |
|---|---|
| 반달키와 평행키의 KS규격 적용 모델링과 도면 작업 (2) | 2023.04.24 |
| O링의 KS규격 적용 방법과 도면 작업 (3) | 2023.04.24 |
| 생크(Shank)의 모델링, 도면 작업 (5) | 2023.04.20 |
| 삽입 부시 ( 우회전용 노치형 ) 모델링 (5) | 2023.04.18 |
| 2D에서 널링의 지시 방법 ( 빗줄형, 바른줄형 ) (4) | 2023.04.16 |
| 구름 베어링용 로크너트 와셔 KS규격과 도면 작업 방법 (6) | 2023.04.15 |
| 인벤터에서 널링의 표현 (3) | 2023.04.11 |