
끼워 맞춤 공차를 적용하는 방법에 대해서 지난 글에서 자세히 설명해 놓았지만 국가 기술 CAD 자격시험 (일반기계기사, 기계설계산업기사, 전산응용기계제도기능사)에서 적용하는, 순서에 대해 예시로 설명을 드리겠습니다.
끼워맞춤공차 적용 방법
끼워 맞춤공차를 적용하기 위해선 먼저 끼워 맞춤공차를 적용할 수 있는 조건이 성립되는지 확인을 해야 한다. (1) 끼워 맞춤공차 적용의 조건 ① 구멍과 축이 있어야 한다. 구멍 : 안쪽 면을 가
153lab.com
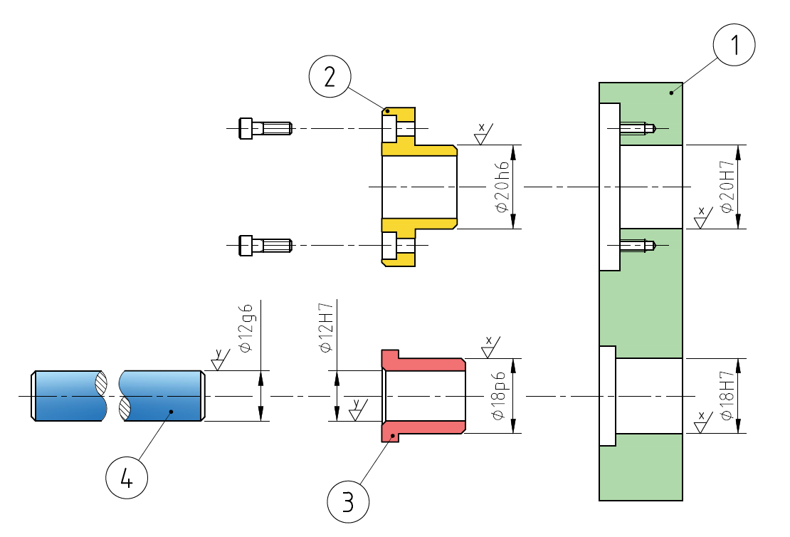
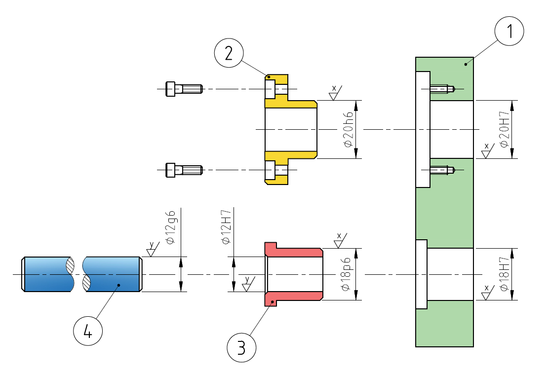
아래 그림과 같이 4개의 부품들로 이루어진 조립품이 있다.
1번은 본체 또는 베이스로 불리며 고정된 부품이며, 2번은 커버로 1번 본체와 볼트로 체결되어 함께 고정된다.
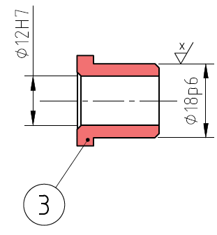
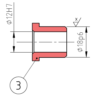
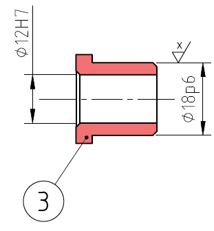
3번은 가이드부시로 본체에 고정되어 있으며, 4번 축은 축선 방향으로 직선 왕복 운동을 한다.

① 누가 기준인가?
구멍과 축, 모두 제작해야 하는 부품일 때는 구멍기준식 끼워 맞춤을 한다고 했다.
(끼워지는 축이나, 구멍 중에 하나라도 기성품이면 KS규격에서 해당 부품과 관련된 축이나 구멍의 공차를 찾아야 한다.)
따라서 이 조립품에서는 KS규격품이 없으니 우리는 끼워 맞춤이 있는 구멍에 H7공차를 붙여주면 된다.
기준 구멍 = H7

② 끼워진 면의 표면거칠기가 X인가, Y인가?
이제 축에 해당하는 치수에 3가지 중 하나를 주면 된다.
g6, h6, p6
g6는 운동부 : 표면거칠기 y
h6는 고정부 : 표면거칠기 x (체결용 부품으로 고정)
p6는 고정부 : 표면거칠기 x (구멍에 압입 하여 고정)
● 3번 가이드부시와 4번 축은 마찰이 생기므로, 표면거칠기 y가 된다.
표면거칠기가 y면 축은 g6가 된다.

③ 무엇으로 고정되었는가?
표면거칠기 x인 경우는 2가지가 있다. h6, p6
둘 다 고정 끼워 맞춤이므로, 무엇으로 고정되었는지 확인해야 한다.
끼워짐으로 고정 = p6
다른 부품의 도움으로 고정 = h6
● 3번 가이드부시와 1번 본체는 끼워진 후 움직이지 않아야 하는데, 체결용 부품을 사용하지 않았므로 억지 끼워 맞춤이 된다. 부시 바깥면에 p6 공차를 준다.

● 2번 커버는 1번과 끼워진 후에 볼트로 고정하였으므로 커버의 끼워지는 원통면에 h6 공차를 준다.

종합하면 다음과 같다.

이해가 되셨는지요?
시험이 얼마 남지 않았습니다. 모든 시험은 한 번에 합격해야 하고 끝까지 포기하지 않는 사람이 합격합니다.
끝까지 파이팅 하세요!

끼워 맞춤공차 (Fit Tolerance) 연습하기
끼워 맞춤공차 적용 순서도 (Interactive)기계제도 실무 및 자격시험을 준비하는 분들을 위해, 끼워 맞춤공차를 어떻게 적용해야 하는지에 대한 판단 과정을 예 / 아니오 버튼 방식으로 시각화한 순
153lab.com
'국가 기술 자격 CAD 실기 시험 > 기계 제도와 도면 해독' 카테고리의 다른 글
| 단면에서 리브( RIB )의 선 정리 방법 (1) | 2023.04.28 |
|---|---|
| 이중스퍼기어 - 부품도 작업과 요목표 (1) | 2023.04.26 |
| 편심축의 투상도, 주요 치수와 공차 정리 (2) | 2023.04.24 |
| V-블럭(V-Block) 모델링과 도면 작업 (1) | 2023.04.22 |
| 동력전달장치20 : 본체의 모델링 (1) | 2023.04.07 |
| V-벨트풀리긴장장치 : 커버 모델링과 투상도, 치수 ( 회전 단면, 자주 틀리는 치수 ) (1) | 2023.04.06 |
| 벨트 긴장 장치 - 본체의 투상과 모델링 (3) | 2023.04.05 |
| 끼워맞춤공차 적용 방법 (5) | 2023.04.02 |
