
시험에 가끔 출제되는 이중 스퍼기어박스입니다.
이중 스퍼기어는 스퍼기어 2개를 가지고 있는 하나의 부품입니다.
일반적인 사항들은 스퍼기어와 똑같이 하시되 요목표를 하나에 정리하는 연습을 해야 합니다.
모델링은 단순하니 도면 작업부터 말씀드리겠습니다.
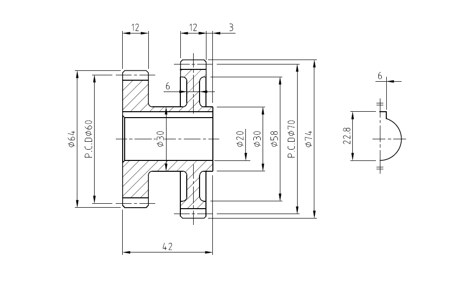
① 투상도 작도
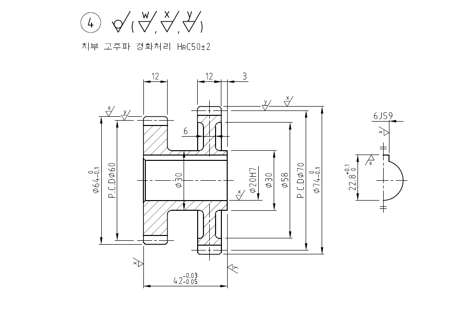
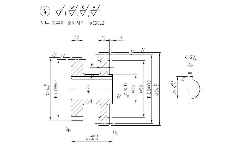
문제도와 같이 스퍼기어를 온단면하고 평행 키홈이 잘 보이도록 국부 투상도를 뽑는다.

② 치수 기입
국부 투상도부터 치수기입하고, 정면도에서 안쪽 구멍부터 점차 바깥쪽으로 나가면서 치수기입을 한다.

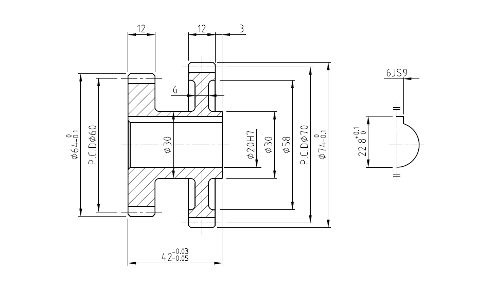
③ 끼워 맞춤공차와 치수공차
키홈에 관련된 공차는 KS기계제도규격을 보고 하고, 보스 구멍 H7과 기어 바깥지름(이끝원지름)에 0^-0.1 공차, 전체 길이에 -공차를 부여한다.

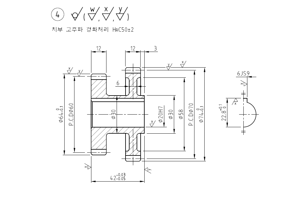
④ 표면거칠기
키홈에는 표면거칠기 x, 이끝에 x, 피치원지름에 y 등 표면거칠기 기호를 기입한다.
품번과 표면거칠기 기입을 할 때 기어 치부에 열처리를 지시한다.

⑤ 기하공차
H7 구멍을 기준으로 흔들림 공차를 적용하고, 키홈에는 대칭도를 적용한다.

⑥ 요목표 작성
하나의 요목표로 스퍼기어 2개의 값을 지시해야 하므로, 기존 스퍼기어 요목표에 한 칸을 추가한다.
KS기계제도 규격의 '래크와 피니언' 요목표를 보고 하면 된다.


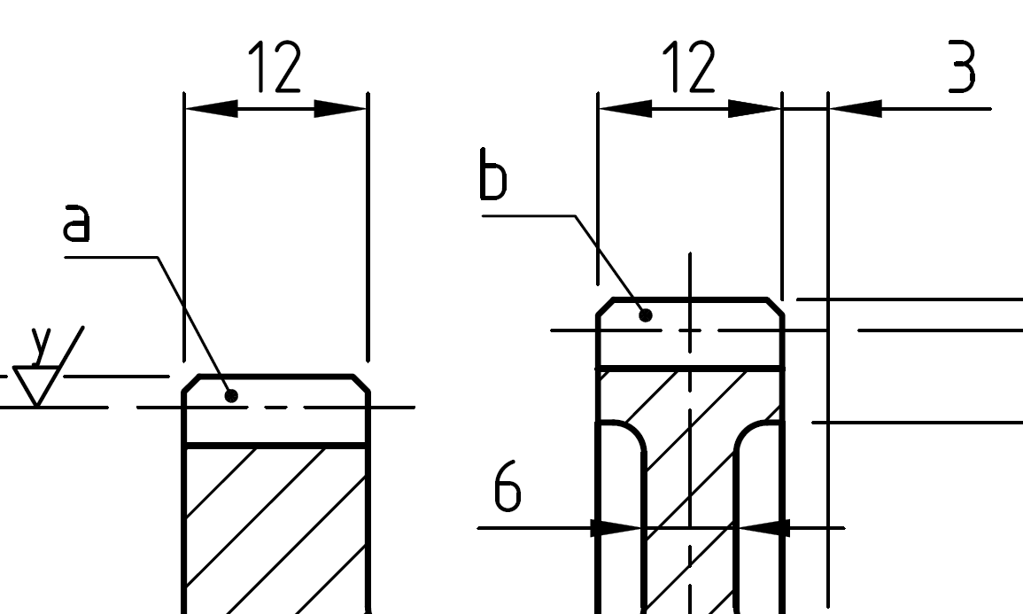
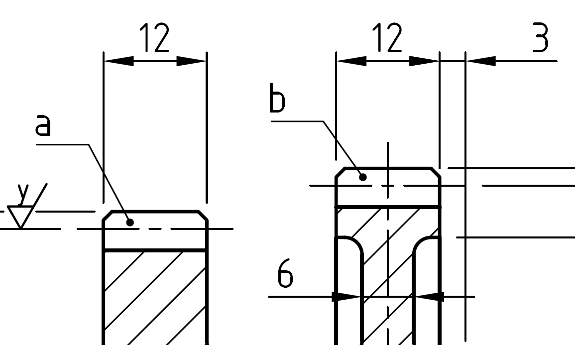
품번이 ④로 하나이니 부품도에서 각각 치면에 지시선으로 a, b를 붙여 구분해 준다.




이상으로 '이중 스퍼기어'의 부품도 작업과 요목표에 대해 알아보았습니다.
[주의] 아래 그림처럼 두 개의 스퍼기어가 조립되는 경우도 있으니 문제도를 꼼꼼히 보고 작업하시기 바랍니다.

'국가 기술 자격 CAD 실기 시험 > 기계 제도와 도면 해독' 카테고리의 다른 글
| 투상도 작도와 치수 기입 방법 - (2) 투상도 작도 (0) | 2023.05.10 |
|---|---|
| 투상도 작도와 치수 기입 방법 - (1) 모델링 (1) | 2023.05.09 |
| 테이퍼 축에 있는 키 홈의 국부 투상도 (1) | 2023.05.08 |
| 단면에서 리브( RIB )의 선 정리 방법 (1) | 2023.04.28 |
| 편심축의 투상도, 주요 치수와 공차 정리 (2) | 2023.04.24 |
| V-블럭(V-Block) 모델링과 도면 작업 (1) | 2023.04.22 |
| 끼워맞춤공차 적용 순서 ( 시험 실전 ) (7) | 2023.04.18 |
| 동력전달장치20 : 본체의 모델링 (1) | 2023.04.07 |