캐드, 제품모델링, 기계, 금형 이야기

국가 기술 자격 CAD 실기 시험/KS규격 18

생크(Shank)의 모델링, 도면 작업

생크(Shank)의 모델링, 도면 작업 이번 시간에는 KS기계제도 규격에 있는 생크의 모델링과 도면 작업에 대해 알아보겠습니다. 1. 축 모델링 6번 리드나사축의 생크부위만 모델링하자. ① 스케치 환경에서 다음과 같이 그린 후 [회전] 하여 솔리드 바디를 만든다. 지름 : Ø11 길이:15 ② 모떼기 1을 준다. 2. 생크 모델링 ① 축의 오른쪽 끝 면을 선택하여 [스케치 작성]을 누른다. ② 직사각형 명령 아래에 있는 폴리곤을 누른다. ③ 면의 수는 4를 입력하고 그림과 같이 도형을 그린다. 수직이나 수평선을 따라 마우스를 움직이면 스냅이 걸린다. ④ 규격에서 Ød에 대한 K값, LK값을 찾는다. 축의 지름이 Ø11이므로 K는 9이며, LK는 12이다. 스케치에서는 K값 9를 치수기입한다. ⑤ [ 돌출..

삽입부시 ( 우회전용 노치형 ) 부품도 작업

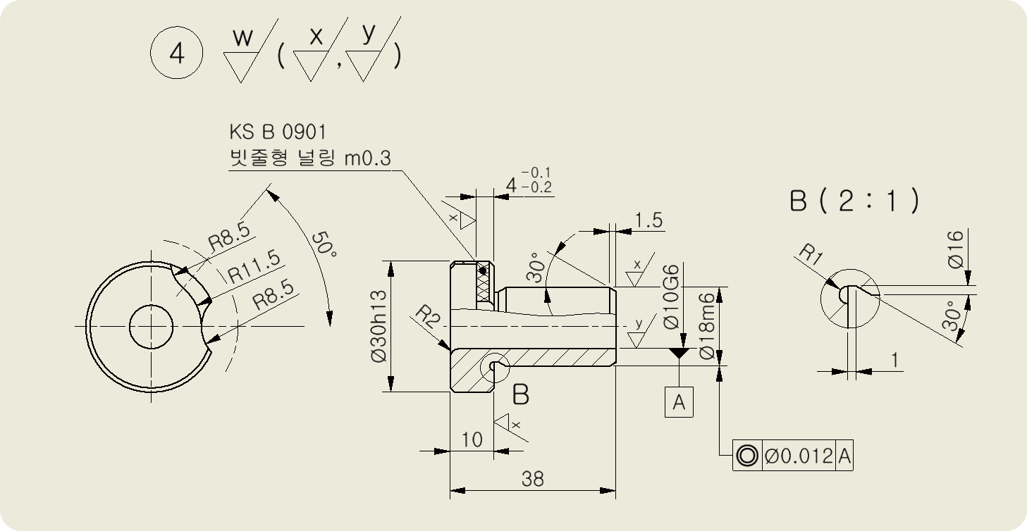
삽입부시 ( 우회전용 노치형 ) 2D 부품도 작업 지난 시간에 만든 삽입부시를 가지고 부품도 작업을 하도록 하겠습니다. 삽입 부시 ( 우회전용 노치형 ) 모델링 위 조립도에서 ④번 부품이 우회전용 노치형 삽입부시입니다. ⑤번은 삽입부시를 안내하는 고정라이너입니다. 드릴지그는 출제빈도가 높은 과제이며, 드릴지그 출제 시 4개의 부품 중 하나의 153lab.com 지그용 부시는 모델링할 때나 도면작업 할 때나 KS규격을 보고 똑같이 작업하면 됩니다. 간단하죠? 약간의 차이만 있으니 작업 순서를 잘 보시고 익히시기 바랍니다. ( 1 ) 투상도 작도와 정리 ① 투상도 배치 투상도는 위 규격과 똑같이 배치한다. ② 부분 단면과 중심선을 작도한다. 중심선은 좌측면도는 [중심 패턴]으로 조금 수정해 주고, 정면도는 ..

삽입 부시 ( 우회전용 노치형 ) 모델링

위 조립도에서 ④번 부품이 우회전용 노치형 삽입부시입니다. ⑤번은 삽입부시를 안내하는 고정라이너입니다. 드릴지그는 출제빈도가 높은 과제이며, 드릴지그 출제 시 4개의 부품 중 하나의 부품이 지그용 부시일 경우가 많습니다. 따라서, 삽입부시, 고정부시, 고정라이너의 구분과 모델링, 치수와 공차 적용 연습은 반드시 필요하니 잘 정리하고 시험에 응시하시기 바랍니다. 이번 글에서는 삽입부시(우회전용 노치형)의 모델링과 도면 작업에 대해 알아보도록 하겠습니다. 우회전용 노치형 삽입부시 모델링 모든 링(ring)형태의 부품은 구멍이 규격을 찾는 기준치수가 된다. (1) 삽입 부시의 안지름( d1: 드릴 지름 )을 자로 측정하여, KS규격에서 찾는다. 삽입부시 안지름(d1)이 Ø10일 때, 규격에 나온 치수는 도면에..

2D에서 널링의 지시 방법 ( 빗줄형, 바른줄형 )

2D에서 널링의 지시 방법 ( 빗줄형, 바른줄형 ) ① 빗줄형 널링 모델링을 마치고 뷰를 뽑아 중심선을 작도하고 투상도를 완성한다. [ 스케치 시작 ] 버튼을 클릭하고, 뷰를 클릭하여 스케치 환경으로 들어간다. [ 직사각형 ] 버튼을 클릭하고 널링을 표현할 영역에 사각형을 그린다. [ 해치 영역 ] 버튼을 클릭하고 사각형 내부를 지정한 후, 해치 대화상자에서 각도는 30, 축척은 0.3을 지정하고 확인한다. [ 직사각형 ] 버튼을 클릭하고 기존 4 각형의 대각선 모서리 2점을 클릭하여 직사각형을 그린다. [ 해치 영역 ] 버튼을 클릭하고 방금 그린 사각형 내부를 지정한 후, 해치 대화상자에서 각도는 -30, 축척은 0.3을 지정하고 확인한다. 그림과 같이 마우스로 사각형의 위 가로선을 모두 선택하여 [ ..

구름 베어링용 로크너트 와셔 KS규격과 도면 작업 방법

1. 구름 베어링용 로크너트와 와셔 이전에도 작업형 시험에 종종 출제되었지만 2022년도에 발행한 국가기술자격 CAD 실기 시험용 KS기계제도규격에 포함되었다. 베어링의 위치 고정과 나사의 풀림 방지를 위해 베이링용 로크 너트와 와셔가 사용된다. 2. KS 규격 적용하여 모델링하기 도면에서 13,14번 부품이 로크너트와셔와 로크너트이다. ① 축 모델링 먼저 축을 그리는데 있어 이번 과제에 집중하기 위해 아래와 같이 원통 3개만 모델링하도록 한다. 치수는 아래와 같다. 추가적으로 Ø17 원통에 M17, 나사 길이 7이 되도록 스레드를 주고 C1 모떼기를 추가한다. ② 로크너트와셔 규격 찾기 로크너트가 M17이므로 KS기계제도규격에서 안 지름이 17인 로크너트와셔의 치수를 찾는다. d3:17 M:15.5 f..

인벤터에서 널링의 표현

인벤터에서 널링의 표현 인벤터에서 널링의 표현 방법에 대해 알아보자. 위와 같이 2가지 널링의 규격이 있다. 바른 줄 , 빗 줄 도면에서 보면 다음과 같다. ① 리드나사 축과 손잡이의 모델링 위 도면들 바이스의 리드나사 축과 클램프의 손잡이를 모델링한다. 아니면 간단한 원통으로 연습해도 된다. ② 리드나사 축의 빗줄형 널링 주는 법 1. 인벤터 화면 제일 위에 있는 모양 아이콘을 클릭한다. 2. 모양 검색기 창이 뜨면 기본값을 마우스 우클릭하여 [복제]한다. 3. 복제된 기본값 색상을 우클릭하여 [편집]한다. 4. 편집을 누르면 아래 그림과 같이 모양 편집기창이 열리게 된다. 일반 - [이미지]를 마우스로 클릭한다. 이때, 아래 그림의 오른쪽 처럼 이미지가 보이지 않고 브라우저가 열리게 되면 한번은 이미..

C형 멈춤링(C type Snap ring)의 KS 규격 적용 방법

1. C형 축용 멈춤링과 C형 구멍용 멈춤링 위 도면(동력전달장치-4)에서 11번 규격품이 C형 멈춤링으로 깊은 홈 볼 베어링(6203)의 내륜이 축 위에서의 이동되는 것을 방지하기 위해 축에 홈을 가공하여 끼운 축용 멈춤링이다. 위 도면(동력전달장치-10)에서 8번 규격품이 C형 멈춤링으로 깊은 홈 볼 베어링의 외륜이 구멍에서의 이동되는 것을 방지하기 위해 구멍에 홈을 가공하여 사용한 구멍용 멈춤링이다. 멈춤링 : 축이나 구멍에 끼워진 부품이 움직이지 못하도록 하는 링 실물은 각각 아래와 같고, 전용 공구(스냅링 플라이어)를 이용해 조립과 분해 한다. 다음은 2022년 국가기술자격 CAD 실기용 KS규격이다.     2. C형 축용 멈춤링의 규격 적용 방법축에 끼우는 축용 멈춤링은 축 지름이 기준이 되..

나사의 틈새 (thread undercut)

나사의 틈새 (thread undercut) (1) 나사 틈새의 규격과 치수와 공차 (예:M10x1.5) (2) 틈새(홈)를 만드는 이유 아래 그림은 이해를 돕기 위해 와셔 없이 수나사와 암나사를 체결한 그림으로 암나사(너트)를 수나사에 끼고 끝까지 돌려 넣은 모양이다. 나사의 틈새를 만드는 이유는 2가지인데, 첫 번째는 수나사의 끝까지 암나사와의 체결이 가능하고 두 번째는 가공 시 공구의 도피 홈이 된다. 따라서 틈새의 지름은 나사의 골지름보다 크면 안되며, 나사의 피치(p)에 의해 틈새 지름을 결정하게 된다. (3) 문제도의 나사의 틈새 / 불완전 나사부 구분 ① 나사의 틈새를 보여주는 경우 - 오른쪽 끝에 수나사, 스퍼기어와 끼워맞춤되어 있는 축과의 사이에 수나사보다 지름이 작은 원통이 보인다. 이..