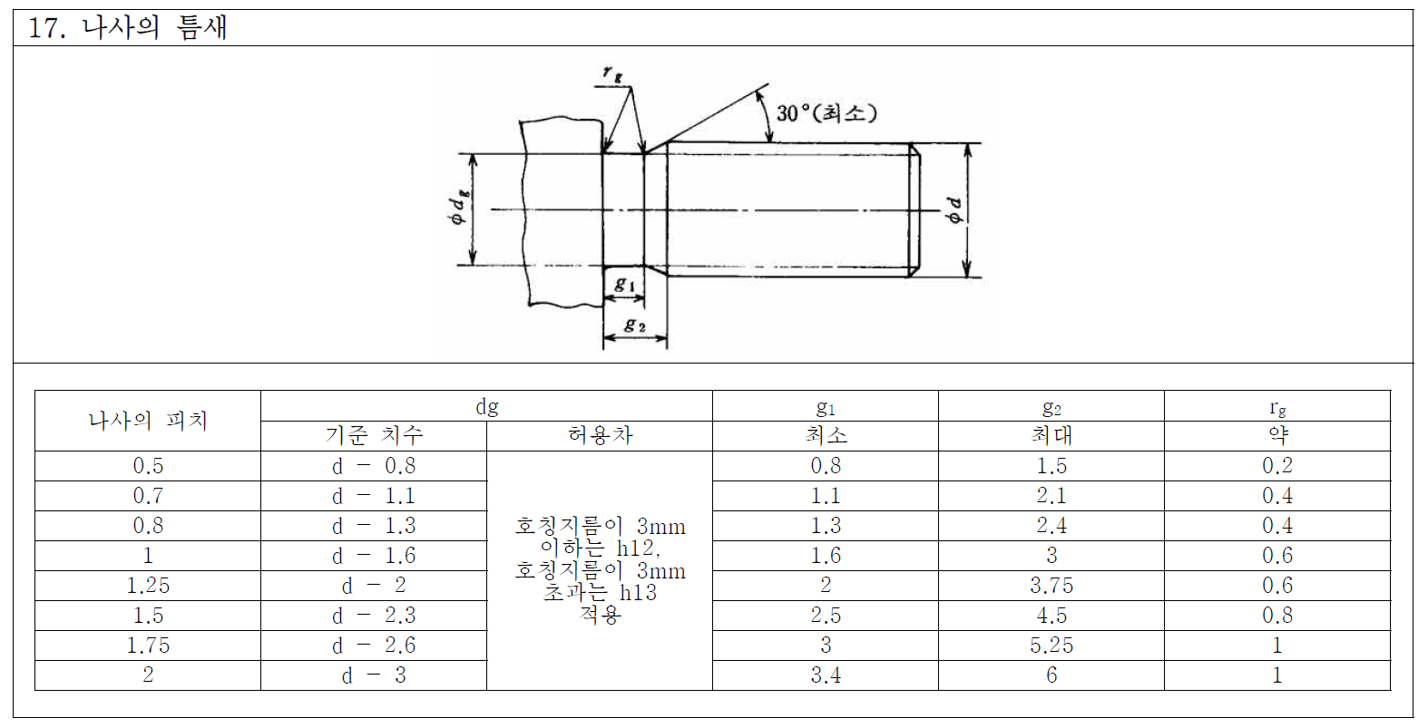
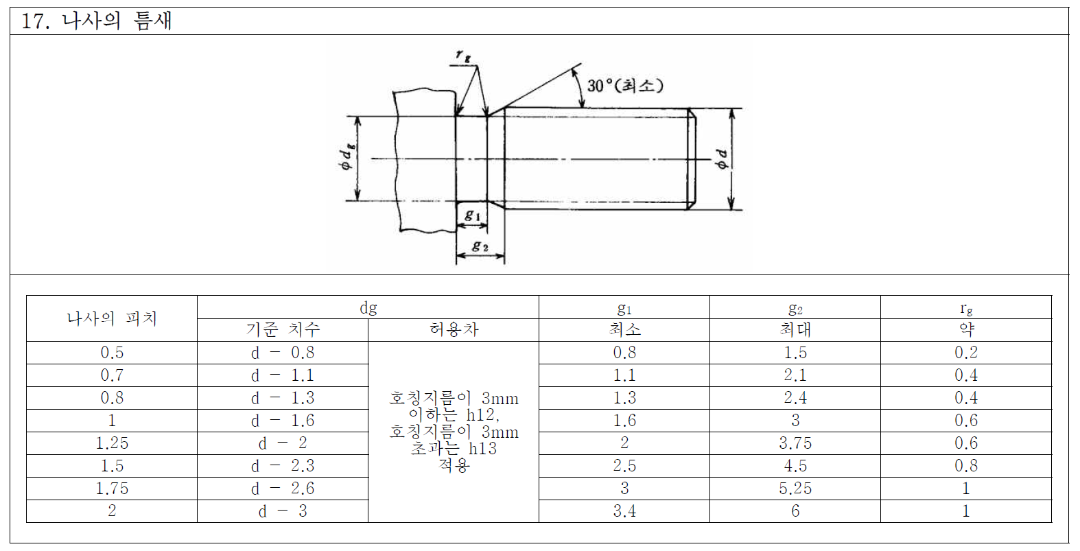
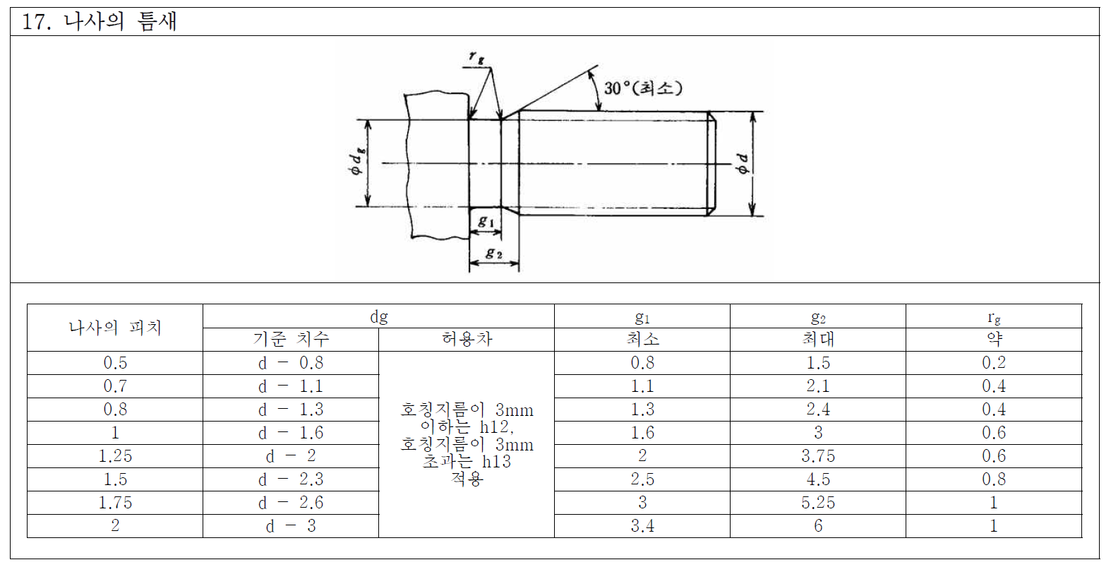
나사의 틈새 (thread undercut)
(1) 나사 틈새의 규격과 치수와 공차 (예:M10x1.5)

(2) 틈새(홈)를 만드는 이유
아래 그림은 이해를 돕기 위해 와셔 없이 수나사와 암나사를 체결한 그림으로 암나사(너트)를 수나사에 끼고 끝까지 돌려 넣은 모양이다.
나사의 틈새를 만드는 이유는 2가지인데, 첫 번째는 수나사의 끝까지 암나사와의 체결이 가능하고 두 번째는 가공 시 공구의 도피 홈이 된다.
따라서 틈새의 지름은 나사의 골지름보다 크면 안되며, 나사의 피치(p)에 의해 틈새 지름을 결정하게 된다.


(3) 문제도의 나사의 틈새 / 불완전 나사부 구분
① 나사의 틈새를 보여주는 경우 - 오른쪽 끝에 수나사, 스퍼기어와 끼워맞춤되어 있는 축과의 사이에 수나사보다 지름이 작은 원통이 보인다.
이것이 나사의 틈새인데, 이렇게 틈새를 보여주면 나사의 틈새로 하되, 보이는 틈새 지름을 자로 측정하는 것이 아니라, 나사의 피치를 가지고 KS규격을 찾아 적용해야 한다.

② 불완전 나사가 있다는 것을 보여주는 경우 - 오른쪽 끝에 수나사, 수나사보다 큰 축 사이에 보여지는 원통의 크기가 나사와 같다. 이것은 불완전나사부가 있다는 것이며, 이때 나사부의 길이는 나사의 끝에서 너트의 끝까지 거리를 잰 후 2mm를 더해준다.

③ 틈새인지 불완전 나사가 명확하지 않을 때 - 아래 그림은 나사의 틈새인지, 불완전나사인지 불분명하고 와셔도 평와셔와 스프링와셔를 각각 1개 사용하였다. 이렇게 명확히 보여주지 않았을 때도 나사의 틈새로 작업하기 바란다. 위에서 말한 바와 같이 체결되는 지점까지 나사부가 있어하는 것이 아니라 최소 2~3mm 나사를 더 내는 것을 감안할 때, 나사의 틈새로 하는 것이 혹여 틀릴 염려가 없다.

(4) 나사의 틈새 적용 순서 (예 : M10)
① 나사의 틈새의 기준이 되는 수나사의 지름을 자로 측정하고, 규격집에서 피치를 찾는다. (M10의 피치는 보통나사일 때, 1.5이다. )

② KS 규격에서 " 나사의 틈새" 페이지로 와서 피치에 대한 틈새의 치수를 찾는다. (dg : 틈새의 지름, g1: 틈새의 폭, d는 나사의 호칭지름)
각도는 30도로 한다. (M10의 틈새지름 dg는 d - 2.3으로 10 - 2.3 =7.7이며, g1은 2.5이다.

아래 그림은 M12, M10, M8을 적용한 예이다.

[마무리]
자격시험(일반기계기사, 기계설계산업기사, 전산응용기계제도기능사)에서는 도면에 별도의 나사의 호칭과 피치가 주어지지 않았을 때에는 미터 보통나사와 가는 나사의 구분을 하지 않아도 됩니다.
틈새를 편하기 위해 M6이상 ~M30까지 피치 1로 적용했을 때 (M6x1, M8x1, M10x1, M12x1 등등) 인벤터에 기본 쓰레드 명령에서는 사용자가 변경하지 않으면 피치가 보통나사로 적용되므로, 피치는 보통나사, 틈새는 가는 나사로 적용하면 아래 그림과 같이 골지름이 틈새보다 작아지므로 유의하시기 바랍니다.


'국가 기술 자격 CAD 실기 시험 > KS규격' 카테고리의 다른 글
| O링의 KS규격 적용 방법과 도면 작업 (3) | 2023.04.24 |
|---|---|
| 생크(Shank)의 모델링, 도면 작업 (5) | 2023.04.20 |
| 삽입부시 ( 우회전용 노치형 ) 부품도 작업 (4) | 2023.04.19 |
| 삽입 부시 ( 우회전용 노치형 ) 모델링 (5) | 2023.04.18 |
| 2D에서 널링의 지시 방법 ( 빗줄형, 바른줄형 ) (4) | 2023.04.16 |
| 구름 베어링용 로크너트 와셔 KS규격과 도면 작업 방법 (6) | 2023.04.15 |
| 인벤터에서 널링의 표현 (3) | 2023.04.11 |
| C형 멈춤링(C type Snap ring)의 KS 규격 적용 방법 (3) | 2023.04.07 |