1. C형 축용 멈춤링과 C형 구멍용 멈춤링

위 도면(동력전달장치-4)에서 11번 규격품이 C형 멈춤링으로 깊은 홈 볼 베어링(6203)의 내륜이 축 위에서의 이동되는 것을 방지하기 위해 축에 홈을 가공하여 끼운 축용 멈춤링이다.

위 도면(동력전달장치-10)에서 8번 규격품이 C형 멈춤링으로 깊은 홈 볼 베어링의 외륜이 구멍에서의 이동되는 것을 방지하기 위해 구멍에 홈을 가공하여 사용한 구멍용 멈춤링이다.
멈춤링 : 축이나 구멍에 끼워진 부품이 움직이지 못하도록 하는 링
실물은 각각 아래와 같고, 전용 공구(스냅링 플라이어)를 이용해 조립과 분해 한다.

다음은 2022년 국가기술자격 CAD 실기용 KS규격이다.

2. C형 축용 멈춤링의 규격 적용 방법
축에 끼우는 축용 멈춤링은 축 지름이 기준이 되며, 구멍용은 구멍 지름이 기준이 되고, 찾고 적용하는 방법은 동일하므로 축용 멈춤링을 적용하는 방법에 대해서 알아보도록 하자.
(1) 축 스케치
먼저 3D프로그램에서 축을 스케치한다. 멈춤링에 집중하기 위해 키홈, 멈춤나사구멍은 생략하기로 한다.

(2) 멈춤링 홈의 위치의 기준을 찾는다.
멈춤링과 닿는 부품이 멈춤링 기준으로 오른쪽 또는 왼쪽 어디에서 닿는지 파악하여 닿는 쪽으로 축의 옆면을 위치의 기준면으로 한다.

다른 도면(동력전달장치-6)에서의 예를 들어보자.

(3) 기준면에서 위치 치수 찾기
볼베어링이 끼워져 있고 6203으로 호칭번호가 주어져 있으므로, 베어링의 KS규격 치수를 찾는다.

기준면에서 볼베어링과 닿는 곳까지의 거리는 볼베어링의 폭과 같아 12mm가 되고, 멈춤링을 끼운 축 지름이 Ø17이니 KS규격에서 축용 멈춤링의 규격을 찾아 멈춤링의 두께를 찾는다. 1mm이다.

규격에서 찾아야 하는 치수는 d2, m, 멈춤링 두께이다. 도면 작업시에는 d2, m의 공차를 보고 적용해야 하고, n값은 멈춤링 홈이 있는 위치에서 축 끝까지 최소 두께를 나타내는 것으로 n값을 적용하면 안된다.
보통 도면에서는 멈춤링홈을 기준으로 축 끝까지의 거리가 n값 보다는 클 것이다.
간혹 실수하는 경우가 n값을 홈의 위치로 알고 적용하는데 잘못된 것이니 개념을 잘 이해하자.
멈춤링 홈의 위치 치수는
기준면에서 멈춤링과 닿는 곳까지 거리 + 멈춤링 두께가 된다.
두께가 1mm가 아닌 것도 있으니 자로 재지 말고 KS규격을 꼭 확인하자.

이렇게 기준면에서 반대쪽 까지의 거리를 측정하는 이유가 무엇일까.
멈춤링이 홈의 폭보다 작아 만약 저 위의 그림 처럼 12mm를 띄우고 홈을 가공하였다면 다음과 같은 경우가 생기기 때문이다. ( 아래 그림 참고 )

(4) d2, m을 적용하고 완성한다.
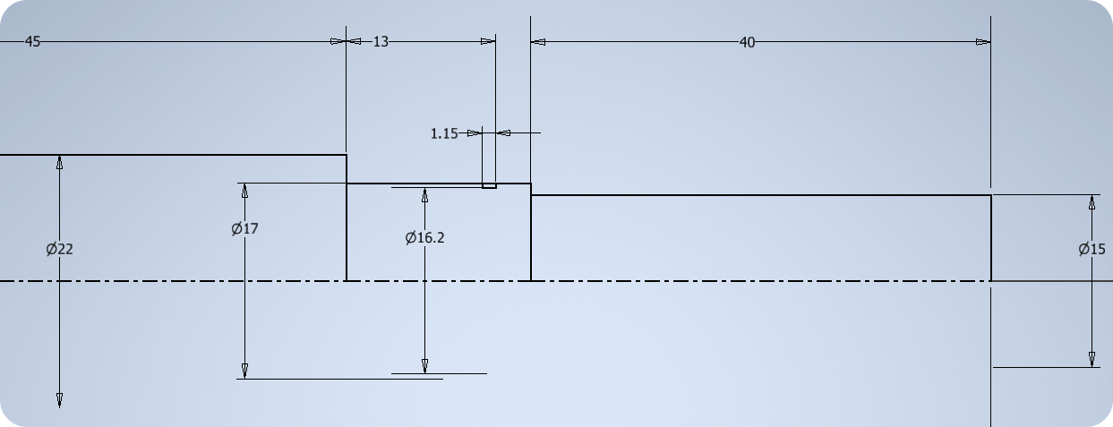
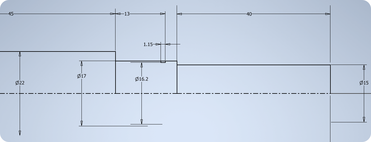
축 지름 Ø17의 멈춤링 홈의 크기는 d2=16.2 , m=1.15이다. 스케치에서 사각형 명령으로 축에 맞추어 그리고 크기치수와 위치 치수를 주어 완성하고, 회전하여 솔리드를 만든다.


(5) 도면 작업시 확대도를 사용하고 KS규격의 공차를 적용하여 완성한다.

153LAB
'국가 기술 자격 CAD 실기 시험 > KS규격' 카테고리의 다른 글
| O링의 KS규격 적용 방법과 도면 작업 (3) | 2023.04.24 |
|---|---|
| 생크(Shank)의 모델링, 도면 작업 (5) | 2023.04.20 |
| 삽입부시 ( 우회전용 노치형 ) 부품도 작업 (4) | 2023.04.19 |
| 삽입 부시 ( 우회전용 노치형 ) 모델링 (5) | 2023.04.18 |
| 2D에서 널링의 지시 방법 ( 빗줄형, 바른줄형 ) (4) | 2023.04.16 |
| 구름 베어링용 로크너트 와셔 KS규격과 도면 작업 방법 (6) | 2023.04.15 |
| 인벤터에서 널링의 표현 (3) | 2023.04.11 |
| 나사의 틈새 (thread undercut) (0) | 2022.10.07 |
