
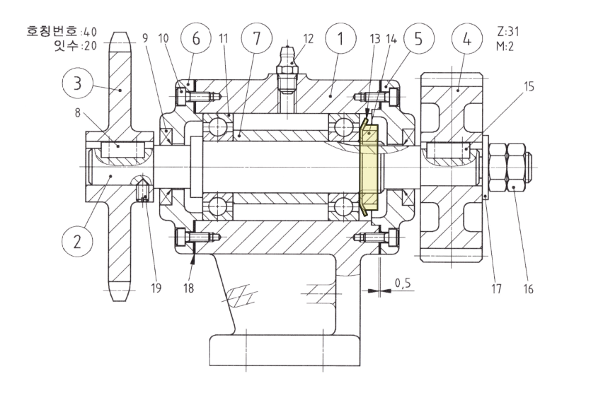
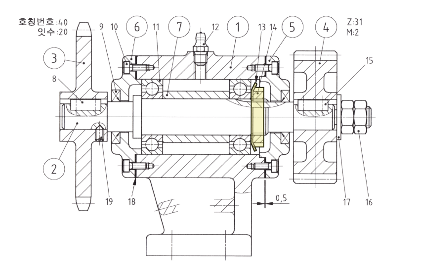
1. 구름 베어링용 로크너트와 와셔
이전에도 작업형 시험에 종종 출제되었지만 2022년도에 발행한 국가기술자격 CAD 실기 시험용 KS기계제도규격에 포함되었다.

베어링의 위치 고정과 나사의 풀림 방지를 위해 베이링용 로크 너트와 와셔가 사용된다.

2. KS 규격 적용하여 모델링하기
도면에서 13,14번 부품이 로크너트와셔와 로크너트이다.

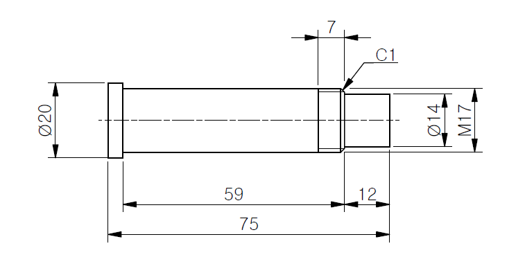
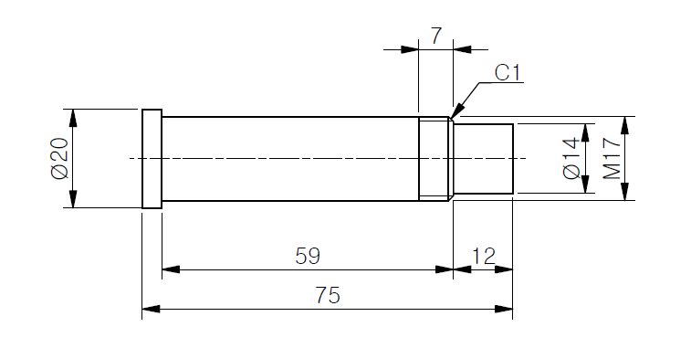
① 축 모델링
먼저 축을 그리는데 있어 이번 과제에 집중하기 위해 아래와 같이 원통 3개만 모델링하도록 한다.

치수는 아래와 같다.

추가적으로 Ø17 원통에 M17, 나사 길이 7이 되도록 스레드를 주고 C1 모떼기를 추가한다.

② 로크너트와셔 규격 찾기
로크너트가 M17이므로 KS기계제도규격에서 안 지름이 17인 로크너트와셔의 치수를 찾는다.
d3:17
M:15.5
f1:4

③ 로크너트와셔 홈 모델링
위에서 알아 본 대로 홈의 크기는 폭이 4mm, 깊이가 1.5mm가 된다.
축에서의 홈의 길이는 나사부 길이와 같게 한다. 7mm
홈의 끝 부분에 R이 생기는 것은 커터로 작업하여 생긴 것이다.

엔드밀을 사용하였다면 아래와 같은 끝모양이 만들어진다.

스케치 환경에서 다음과 같이 선을 그리고 치수 기입한다.

스케치 영역을 대칭 방향으로 4mm 돌출시켜 완성한다.

3. 도면 작업하기
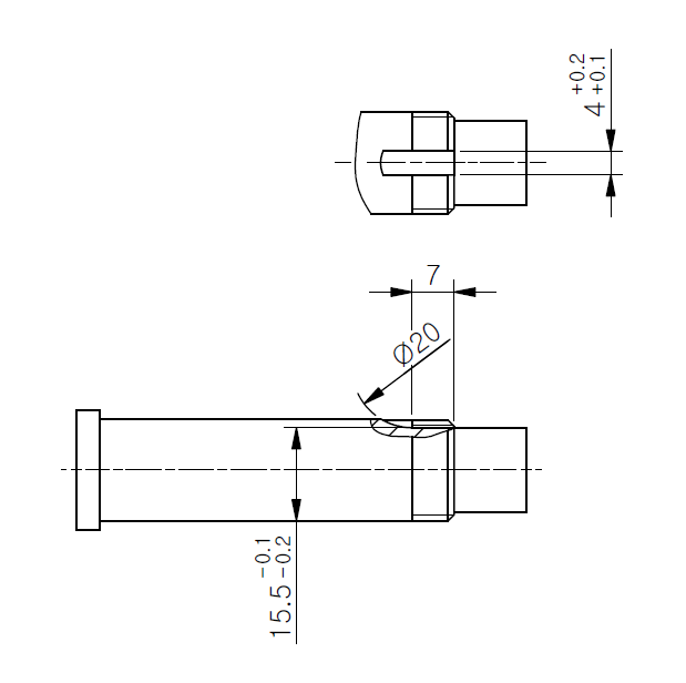
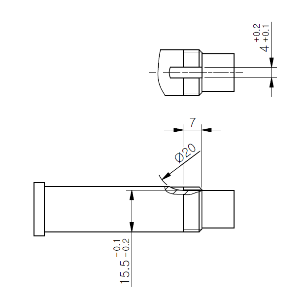
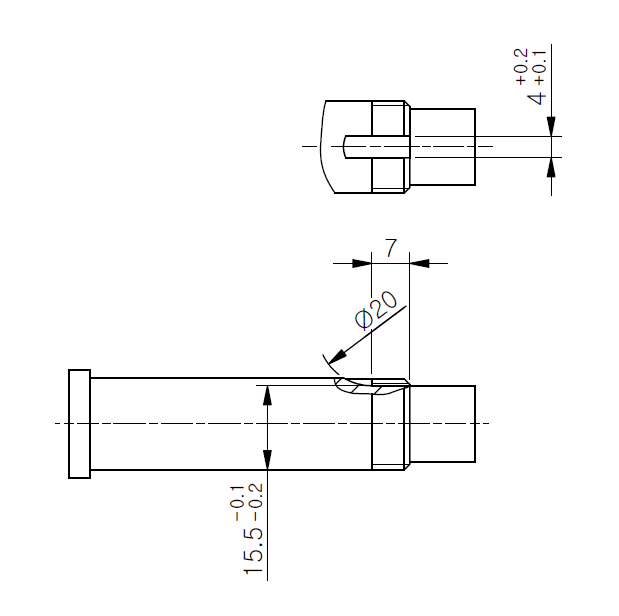
정면도에서는 홈의 깊이가 보이도록 부분 단면하고, 평면도는 부분 투상도로 한다.
홈의 폭의 공차는 +공차로, 축 아래에서 홈까지 - 공차를 적용한다.
홈의 길이 7mm, 공구의 지름 Ø20을 주어 완성한다.

엔드밀로 가공한 모양일 때는 다음과 같이 투상도 정리와 치수, 공차를 주면 되니 참고하시기 바랍니다.

수고하셨습니다.
153LAB
'국가 기술 자격 CAD 실기 시험 > KS규격' 카테고리의 다른 글
| O링의 KS규격 적용 방법과 도면 작업 (3) | 2023.04.24 |
|---|---|
| 생크(Shank)의 모델링, 도면 작업 (5) | 2023.04.20 |
| 삽입부시 ( 우회전용 노치형 ) 부품도 작업 (4) | 2023.04.19 |
| 삽입 부시 ( 우회전용 노치형 ) 모델링 (5) | 2023.04.18 |
| 2D에서 널링의 지시 방법 ( 빗줄형, 바른줄형 ) (4) | 2023.04.16 |
| 인벤터에서 널링의 표현 (3) | 2023.04.11 |
| C형 멈춤링(C type Snap ring)의 KS 규격 적용 방법 (3) | 2023.04.07 |
| 나사의 틈새 (thread undercut) (0) | 2022.10.07 |