동력전달장치3
시험에서 문제지를 받자마자 하는 일은 눈으로 도면을 관찰하는 일이겠죠.
평소 이 연습을 꾸준히 하시면 투상에 많은 도움이 됩니다.
교재의 몇 페이지 분량을 휴대폰으로 사진을 찍어 대중교통으로 이동할 때나, 잠깐 차를 마실 때, 짬을 내서 보시는 연습을 하시면 투상 능력이 많이 좋아집니다.
각 부품을 구별할 수 있고, 모델링할 수 있는지, 관련된 KS규격을 찾아 적용할 수 있는지 자가 테스트하시기 바랍니다.

이전 도면과 마찬가지로 축, 좌측에 보면 키홈은 있는데, 부품이 조립되지는 않았습니다만 축에 관련된 끼워 맞춤공차와 표면거칠기를 적용하셔야 되겠죠?
탭구멍에 센터구멍도 적용하셔야 하고요.
본체의 투상도 배치는 조립도의 투상도 배치와 같이 하시면 되고, 그리스 니플 구멍에만 4가지 종류의 구멍이 있으므로 부분 확대도를 뽑아 치수기입해 주시는 것이 좋습니다.
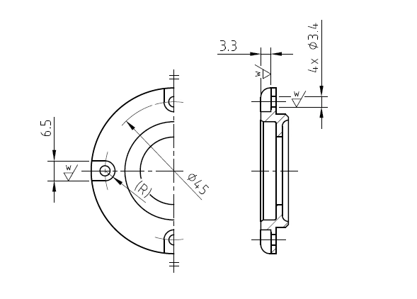
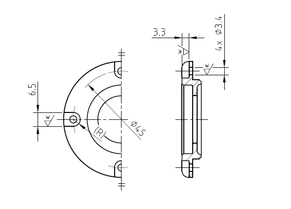
③번 커버는 카운터 보어의 모양 때문에 반드시 측면도를 뽑아줘야하고, 치수기입과 표면거칠기 넣는 연습을 하셔야 합니다. 시험에 많이 나오는 유형이죠.

153LAB
'국가 기술 자격 CAD 실기 시험 > 투상 연습' 카테고리의 다른 글
| 5분 투상 - 바이스1 (0) | 2023.06.08 |
|---|---|
| 5분 투상 - 드릴지그2 (0) | 2023.06.07 |
| 5분 투상 - 드릴지그1 (0) | 2023.06.07 |
| 5분 투상 - 동력전달장치4 (0) | 2023.06.07 |
| 5분 투상 - 동력전달장치2 (0) | 2023.06.07 |
| 5분 투상 - 동력전달장치1 (0) | 2023.06.07 |
| 투상과 모델링 - 12 (입체도 완성, 누락된 선 보충) (0) | 2023.05.21 |
| 투상과 모델링 - 11 (입체도 완성, 누락된 선 보충) (2) | 2023.05.21 |