동력전달장치2
눈으로만 투상하세요.
각 부품을 형상과 관련된 KS규격을 찾아 모델링을 할 수 있는지 테스트입니다.
부품의 명칭은 번호 순서대로
① 본체
② 축
③ 스퍼기어
④ 커버 (베어링 커버, 실 하우징)
⑤ 플랜지 커플링
입니다.

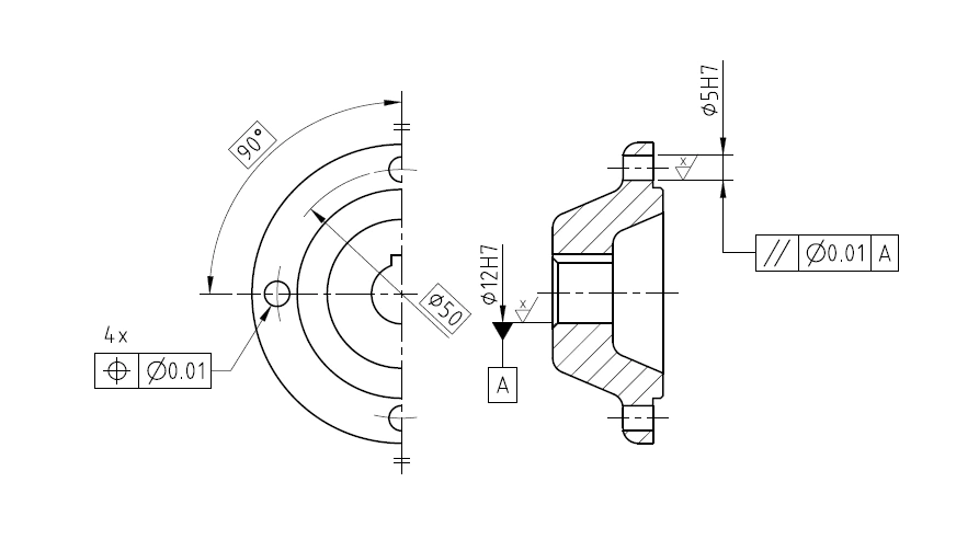
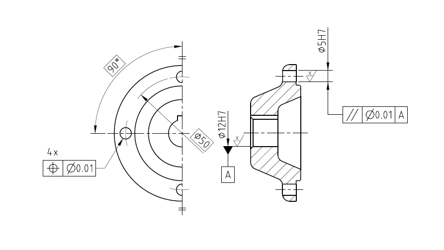
문제도에 치수공차와 끼워 맞춤공차가 주어졌으므로, 부품도 작업 시에 그대로 적용하시면 됩니다.
볼트 구멍에 '리머 볼트 구멍'이라고 주어진 경우에는 리머 볼트로 조립되는 구멍이므로, 일반적인 볼트 구멍의 치수가 아닌 자로 잰 정확한 치수를 사용해야 하며, 끼워 맞춤공차 H7과 표면거칠기 x, 기하공차는 데이텀을 기준으로 평행도를 적용해야 합니다.
또한 플랜지 커플링의 측면 투상도에서 각도 치수와 피치원 지름에 '이론적으로 정확한 치수'라는 뜻으로 치수 주위에 직사각형을 씌워주고, 측면도의 구멍에 기하공차 '위치도'를 적용하세요.

153LAB
'국가 기술 자격 CAD 실기 시험 > 투상 연습' 카테고리의 다른 글
| 5분 투상 - 드릴지그2 (0) | 2023.06.07 |
|---|---|
| 5분 투상 - 드릴지그1 (0) | 2023.06.07 |
| 5분 투상 - 동력전달장치4 (0) | 2023.06.07 |
| 5분 투상 - 동력전달장치3 (0) | 2023.06.07 |
| 5분 투상 - 동력전달장치1 (0) | 2023.06.07 |
| 투상과 모델링 - 12 (입체도 완성, 누락된 선 보충) (0) | 2023.05.21 |
| 투상과 모델링 - 11 (입체도 완성, 누락된 선 보충) (2) | 2023.05.21 |
| 투상과 모델링 - 10 (1) | 2023.05.21 |