▶ 치수 기입법
1. 치수 기입의 원칙
2. 치수 수치의 표시 방법
3. 치수 기입 방법의 일반 형식
4. 치수의 배치
5. 지름의 표시 방법
6. 반지름의 표시 방법
7. 구의 지름 또는 반지름 표시 방법
8. 정사각형의 변의 표시 방법
9. 두께의 표시 방법
10. 현, 원 호 길이의 표시 방법
11. 곡선의 표시 방법
12. 모떼기의 표시 방법
13. 구멍의 표시 방법
14. 키 홈의 표시 방법
15. 테이퍼 · 기울기의 표시 방법
16. 얇은 두께 부분의 표시 방법
17. 강 구조물 등의 치수 표시
18. 기타 일반 주의 사항
1. 치수 기입의 원칙
- 대상물의 기능 · 제작 · 조립 등을 고려하여, 도면에 필요 불가결 하다고 생각되는 치수를 명료하게 도면에 지시한다.
- 치수는 대상물의 위치, 자세 및 크기를 가장 명확하게 표시하는 데 필요하고 충분한 것을 기입한다.
- 도면에는 특별히 명시하지 않은 한, 그 도면에 도시한 대상물의 다듬질 치수를 표시한다.
- 치수는 기능상 (호환성을 포함) 필요한 경우 치수의 허용 한계를 지시한다. 다만 이론적으로 정확한 치수는 제외한다.
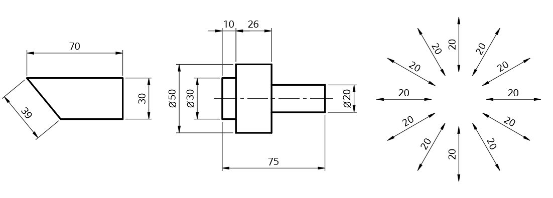
- 치수는 되도록 주 투상도에 집중해서 지시한다.
- 치수는 중복 기입을 피한다.
- 치수는 되도록 계산해서 구할 필요가 없도록 기입한다.
- 치수는 필요에 따라 기준으로 하는 점, 선 또는 면을 기준으로 하여 기입한다.
- 관련되는 치수는 되도록 한 곳에 모아서 기입한다.
- 치수는 되도록 공정마다 배열을 분리하여 기입한다.
- 치수 중 참고 치수에 대해서는 치수 수치에 괄호( )를 붙인다.

2. 치수 수치의 표시 방법
(1) 길이의 치수 수치는 원칙적으로 mm의 단위로 기입하고 단위 기호는 붙이지 않는다.
(2) 각도의 치수 수치는 일반적으로 도( º )의 단위로 기입하고, 필요한 경우에는 분, 초를 병용할 수 있다. 도, 분, 초를 표시하는 데에는 숫자의 오른쪽 어깨에 각각 º , ', "를 기입한다.
90 º , 22.5 º, 6 º 21', 5", (또는 6 º 21' 05") 8 º 0' 12" (또는 8 º 00' 12") 3' 21"
또, 각도의 치수 수치를 라디안의 단위로 기입하는 경우에는 그 단위 기호 rad를 기입한다.
0.52 rad 𝝅/3 rad
(3) 치수 수치의 소수점은 아래쪽으로 점으로 하고, 숫자 사이를 적당히 떼어서 그 중간에 약간 크게 찍는다.
또, 치수 숫자의 자릿수가 많은 경우, 3자리마다 숫자의 사이를 적당히 띄우고 콤마(,)는 찍지 않는다.
123 . 25 12 . 00 22 320
3. 치수 기입 방법의 일반 형식
(1) 치수는 치수선, 치수 보조선, 치수 보조 기호 등을 사용하여 치수 수치에 따라 나타낸다.
(2) 치수선은 원칙으로 지시하는 길이 또는 각도를 측정하는 방향에 평행하게 긋고, 선의 양 끝에는 끝부분 기호를 붙인다.

(3) 치수선은 원칙으로 치수 보조선을 사용하여 기입한다. 그러나 치수 보조선을 그었을 때 오히려 도면에서 혼동의 우려가 있을 경우에는 이에 따르지 않아도 좋다.

(4) 치수 보조선은 지시하는 치수 끝에 해당하는 도형상의 점, 또는 선의 중심을 지나 치수선에 직각으로 긋고 치수선을 약간 지날 때까지 연장한다.
다만, 치수 보조선과 도형 사이를 약간 띄워도 좋지만, 한 도면 내에서는 통일한다. 치수를 지시하는 점 또는 선을 명확히 하기 위하여 특히 필요한 경우에는 치수선에 대하여 적당한 각도를 가진 서로 평행한 치수 보조선을 그을 수 있다. 이 각도는 되도록 60 º가 좋다.

(5) 각도를 기입하는 치수선은 각도를 구성하는 두 변 또는 그 연장선(치수 보조선)의 교점을 중심으로 하여 양변 또는 그 연장선 사이에 그린 원호로 표시한다.

(6) 치수 수치를 기입하는 위치 및 방향은 특별히 정한 누진 치수 기입법의 경우를 제외하고는 다음 중 어떤 것인가에 따른다. 일반적으로 방법 1을 사용한다.
[방법 1]
치수 수치는 수평 방향의 치수선에 대해서는 도면의 하변으로부터, 수직 방향의 치수선에 대해서는 도면의 우변으로부터 읽도록 쓴다. 경사 방향의 치수선에 대해서도 이에 준해서 쓴다. 치수 수치는 치수선을 중단하지 않고 이에 연하여 그 위쪽으로 약간 띄워서 기입한다. 이 경우, 치수선의 거의 중앙에 쓰는 것이 좋다.


수직선에 대해서 좌상에서 우하로 향하여 30 º 이하의 각도를 이루는 방향에서는 치수선의 기입을 피한다. 다만, 도형의 관계로 기입하지 않으면 안 될 경우에는 그 장소에 따라 혼동하지 않도록 기입한다.

[방법 2]
치수 수치는 도면의 하변에서 읽을 수 있도록 쓴다. 수평 방향 이외 방향의 치수선은 치수 수치를 끼우기 위하여 중단하고 그 위치는 치수선의 거의 중앙으로 하는 것이 좋다.


(7) 좁은 곳에서 치수의 기입은 부분 확대도를 그려서 기입하든지 또는 다음 중 어느 것을 사용하여도 좋다.
가) 지시선을 치수선에서 경사 방향으로 끌어내고 원칙으로 그 끝을 수평으로 구부리고 그 위쪽에 치수 수치를 기입한다. 이 경우, 지시선을 끌어내는 쪽 끝에는 아무것도 붙이지 않는다.

[비고]
가공 방법, 주기, 부품의 번호 등을 기입하기 위하여 사용하는 지시선은 원칙으로 경사 방향으로 끌어낸다.
이 경우, 지시선의 모양을 표시하는 선으로부터 끌어내는 경우에는 화살표를 하고, 모양을 표시하는 선의 안쪽에서 끌어내는 경우에는 검은 둥근 점을 끌어낸 곳에 붙인다. 또한, 주기 등을 기입하는 경우에는 원칙으로 그 끝을 수평으로 구부려, 그 위쪽에 쓴다.

나) 치수선을 연장하여 그 위쪽 또는 그 바깥쪽에 기입하여도 좋다.
다) 치수보조선의 간격이 좁아서 화살표를 기입할 여지가 없을 때는 화살표 대신 검은 둥근 점 또는 경사선을 사용하여도 좋다.

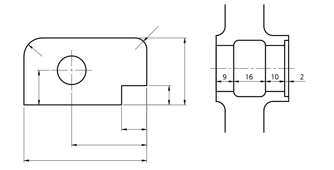
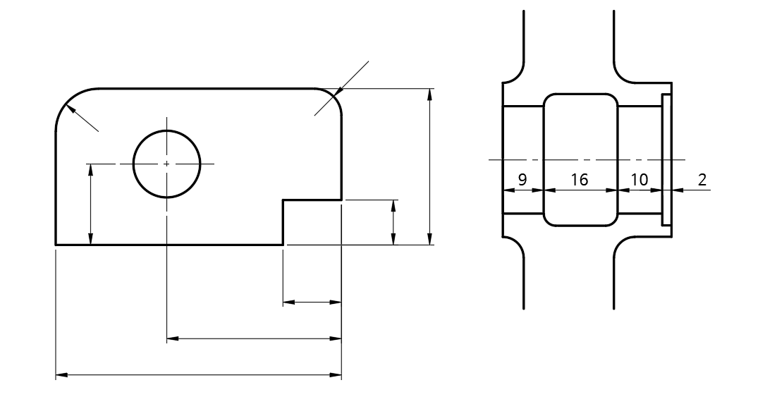
4. 치수의 배치
(1) 직렬 치수 기입법
직렬로 나란히 연결된 개개의 치수에 주어진 치수 공차가 점차로 누적되어도 좋은 경우에 사용한다.

(2) 병렬 치수 기입법
이 방법에 따르면 병렬로 기입하는 개개의 치수 공차는 다른 치수의 공차에는 영향을 주지 않는다. 이 경우, 공통 쪽의 치수 보조선의 위치는 기능 · 가공 등의 조건을 고려하여 적절히 선택한다.

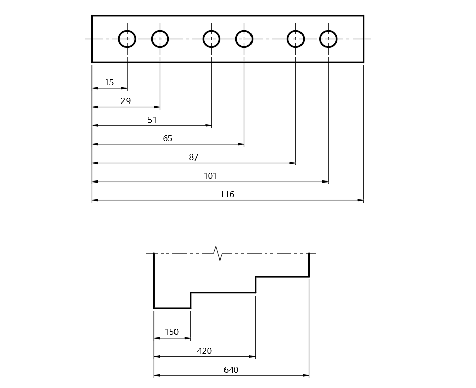
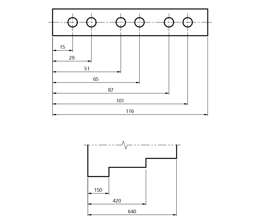
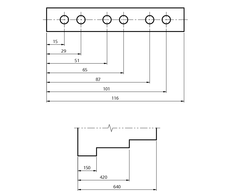
(3) 누진 치수 기입법
이 방법에 따르면 치수 공차에 관하여 병렬 치수 기입법과 완전히 동등한 의미를 가지면서, 한 개의 연속된 치수선으로 간편하게 표시한다. 이 경우, 치수의 기점의 위치는 기점 기호( ○ )로 나타내고, 치수선의 다른 끝은 화살표로 나타낸다. 치수 수치는 치수 보조선에 나란히 기입하든지, 화살표 가까운 곳에 치수선의 위쪽에 연하여 쓴다. 또한, 2개의 형체 사이의 치수선에도 준용할 수 있다.

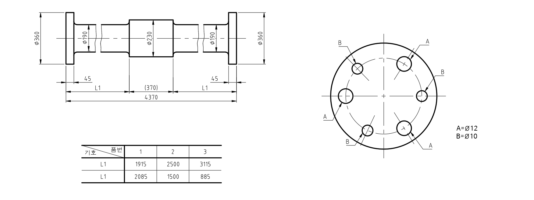
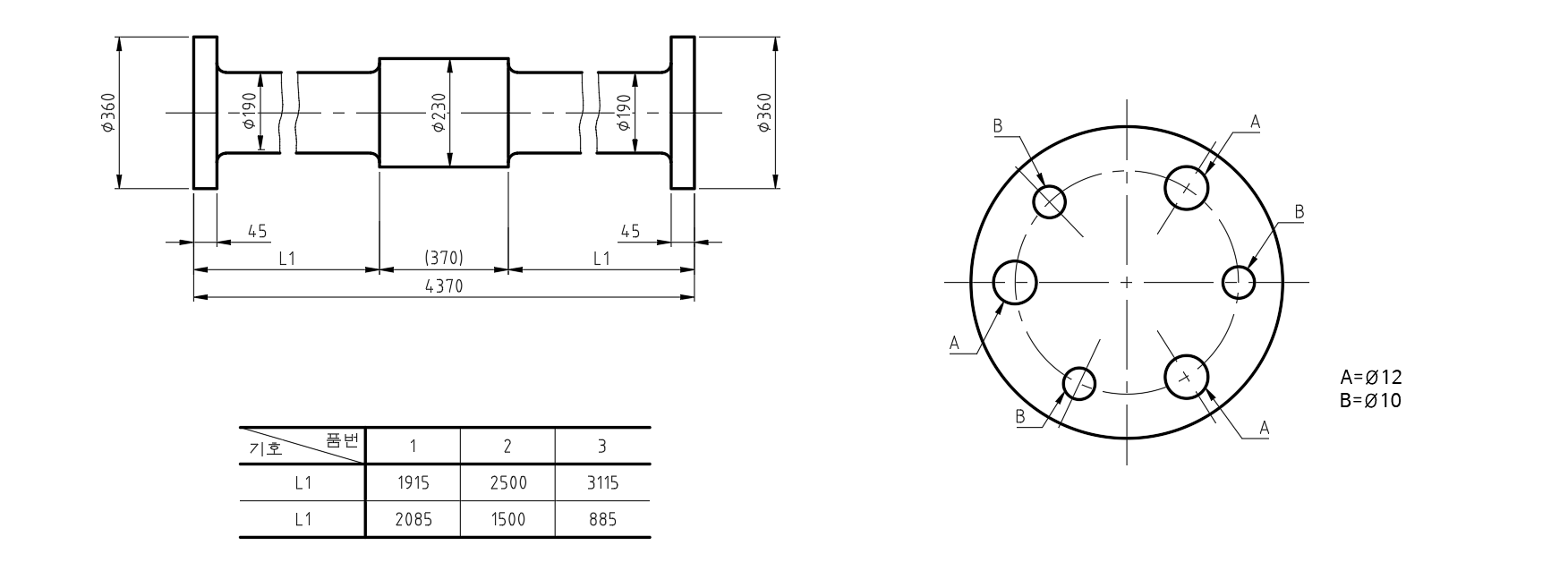
(4) 좌표 치수 기입법
구멍의 위치나 크기 등의 치수는 좌표를 사용하여 표로 하여도 좋다. 이 경우, 표에 나타낸 x, y β의 수치는 기점에서의 치수이다. 기점은 보기를 들면 기준 구멍, 대상물의 한 구석 등 기능 또는 가공의 조건을 고려하여 적절하게 선택한다.


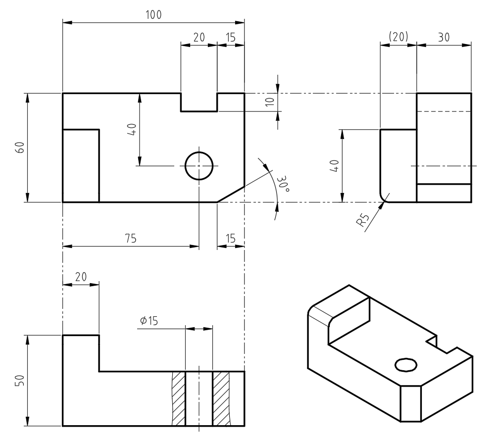
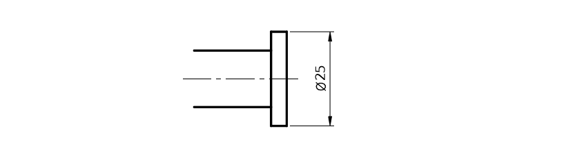
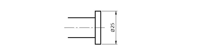
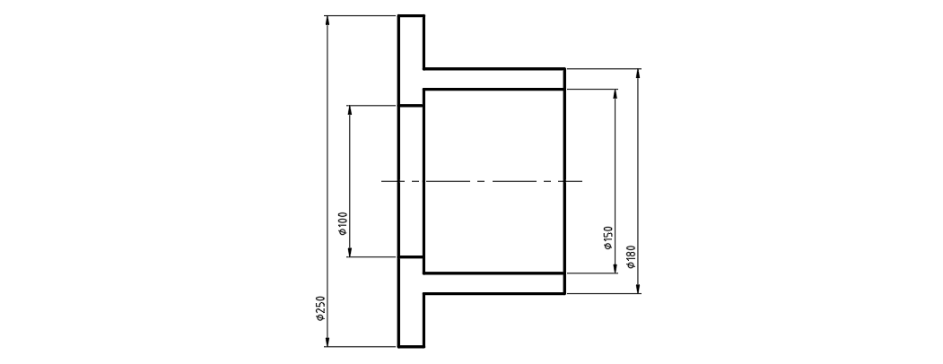
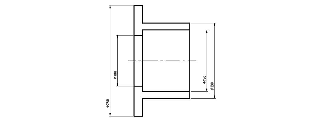
5. 지름의 표시 방법
(1) 대상으로 하는 부분의 단면이 원형일 때, 그 모양을 도면에 표시하지 않고 원형인 것을 나타내는 경우에는 지름의 기호 Ø 를 치수 수치의 앞에 치수 숫자와 같은 크기로 기입하여 표시한다.


(2) 지름이 다른 원통이 연속되어 있고, 그 치수 수치를 기입할 여지가 없을 때는 한쪽에 써야 할 치수선의 연장선과 화살표를 그리고, 지름의 기호 Ø 를 기입한다.

6. 반지름의 표시 방법
(1) 반지름의 치수는 반지름의 기호 R을 치수 수치 앞에 치수 숫자와 같은 크기로 기입하여 표시한다. 다만, 반지름을 나타내는 치수선을 원 호의 중심까지 긋는 경우에는 이 기호를 생략하여도 좋다.

(2) 원 호의 반지름을 표시하는 치수선에는 원 호 쪽에만 화살표를 붙이고 중심 쪽에는 붙이지 않는다. 또한, 화살표나 치수 수치를 기입할 여지가 없을 때는 그림을 따른다.

(3) 반지름 치수를 지시하기 위하여 원 호의 중심 위치를 표시할 필요가 있을 경우에는 +자 또는 검은 둥근 점으로 그 위치를 나타낸다.
(4) 원 호의 반지름이 커서 그 중심 위치를 나타낼 필요가 있으면, 지면 등의 제약이 있을 때는 그 반지름의 치수선을 구부리더라도 좋다. 이 경우, 치수선의 화살표가 붙은 부분은 정확한 중심 위치로 향하여야 한다.

(5) 동일 중심을 가진 반지름은 길이 치수와 같이 누진 치수기입법을 사용하여 표시할 수 있다.

(6) 실형을 나타내지 않는 투상 도형에 실제의 반지름 또는 전개한 상태의 반지름을 지시하는 경우에는 치수 수치 앞에 "실 R" 또는 "전개 R"의 글자 기호를 기입한다.

7. 구의 지름 또는 반지름 표시 방법
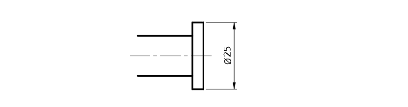
구의 지름 또는 반지름의 치수는 그 치수 수치의 앞에 치수 숫자와 같은 크기로 SØ 또는 SR을 기입한다.

8. 정사각형의 변의 표시 방법
대상으로 하는 부분의 단면이 정사각형일 때, 그 모양을 그림에 표시하지 않고 정사각형인 것을 표시하는 경우에는 그 변의 길이를 표시하는 치수 수치 앞에 치수 숫자와 같은 크기로 정사각형의 한 변이라는 것을 나타내는 기호 □ (사각)을 기입한다.
정사각형을 정면에서 보았을 때처럼 정사각형이 그림에 나타나는 경우에는 정사각형임을 나타내는 기호 □을 붙이지 않고, 양 변의 치수를 기입해야 한다.

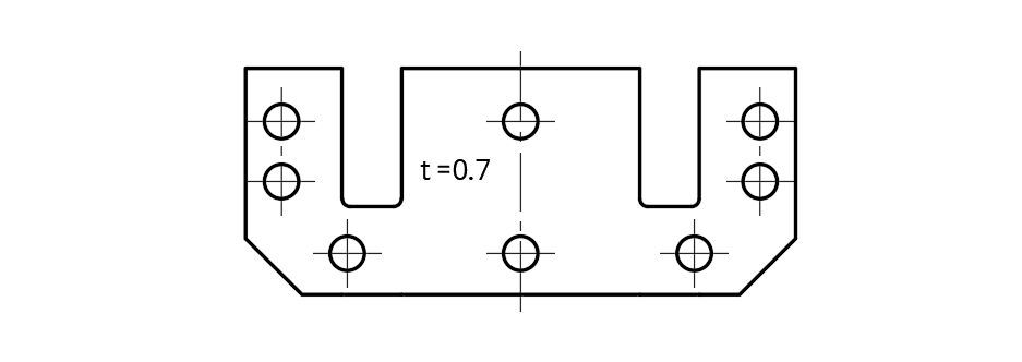
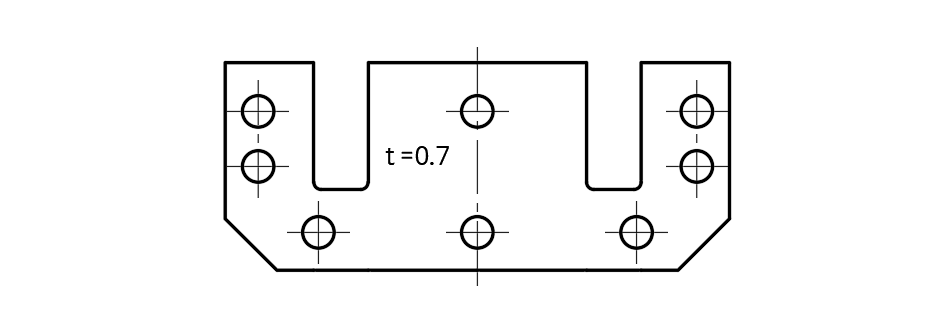
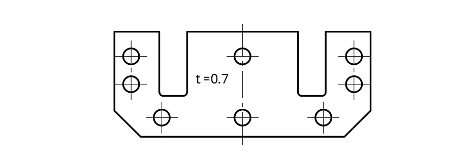
9. 두께의 표시 방법
판의 주 투상도에 그 두께의 치수를 표시하는 경우, 그 도면의 부근 또는 그림 중 보기 쉬운 위치에 기호 t=를 두께 치수 수치 앞에 기입한다.

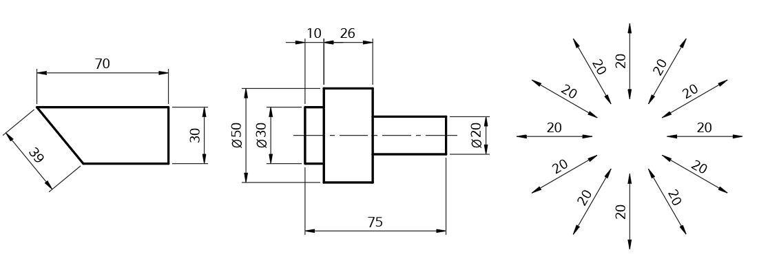
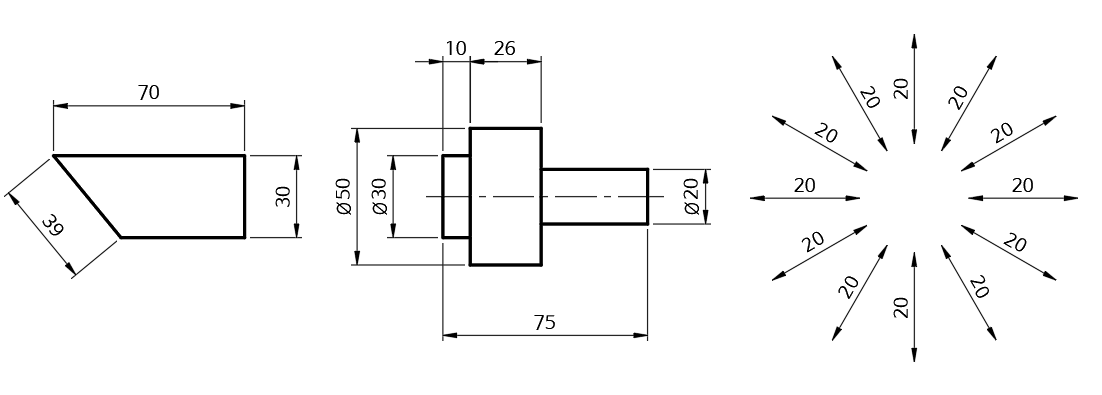
10. 현, 원 호 길이의 표시 방법
(1) 현의 길이 표시 방법
현의 길이는 원칙으로 현의 직각으로 치수 보조선을 긋고, 현에 평행한 치수선을 사용하여 표시한다.

(2) 원 호의 길이의 표시 방법
① 현의 경우와 같은 치수 보조선을 긋고, 그 원 호와 동심의 원 호를 치수선으로 하고, 현에 평행한 치수선을 사용하여 표시한다.

② 원 호를 구성하는 각도가 클 때나, 연속적으로 원 호의 치수를 기입할 때는 원 호의 중심으로부터 방사형으로 그린 치수 보조선에 치수선을 맞추어도 좋다.

이 경우, 두 개 이상의 동심 원 호 중 한 개의 원 호의 길이를 명시할 필요가 있을 때는 다음 어느 것인가에 따른다.
a. 원 호의 치수 수치에 대하여 지시선을 긋고 끌어낸 원 호 쪽에 화살표를 그린다.
b. 원 호의 길이의 치수 수치 뒤에 원 호의 반지름을 괄호에 넣어서 나타낸다. 이 경우에는 원 호의 길이의 기호를 붙이지 않는다.

11. 곡선의 표시 방법
(1) 원 호로 구성되는 곡선의 치수는 일반적으로 이들 원호의 반지름과 그 중심 또는 원 호의 접선의 위치로 표시한다.

(2) 원 호로 구성되지 않은 곡선(예:자유 곡선)의 치수는 곡선상 임의의 점의 좌표 치수로 표시한다. 이 방법은 원 호로 구성되는 곡선의 경우에도 필요하면 사용하여도 좋다.

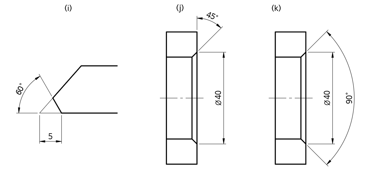
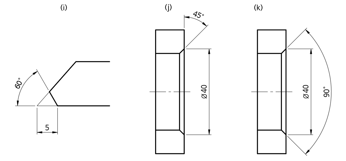
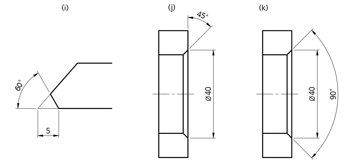
12. 모떼기의 표시 방법
일반적인 모떼기는 보통 치수 기입 방법에 따라 표시한다. 45˚ 모떼기의 경우에는 모떼기의 치수 수치 x 45˚ 또는 기호 C(Chamfer)를 치수 수치 앞에 치수 숫자와 같은 크기로 기입하여 표시한다.


13. 구멍의 표시 방법
(1) 드릴 구멍, 펀치 구멍, 코어 구멍 등 구멍의 가공 방법에 의한 구별을 나타낼 필요가 있으면 원칙으로 공구의 호칭 치수 또는 기준 치수를 나타내고, 그 뒤에 가공 방법의 구별을 가공 방법 용어를 규정하고 있는 '한국공업규격(KS)'에 따라 지시한다.
다만 표 4에 표시한 것에 대해서는 이 표의 간략 지시에 따를 수 있다. 이 경우, 지시한 가공 치수에 대한 치수의 보통 허용차를 적용한다.


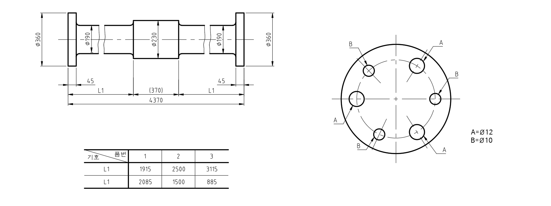
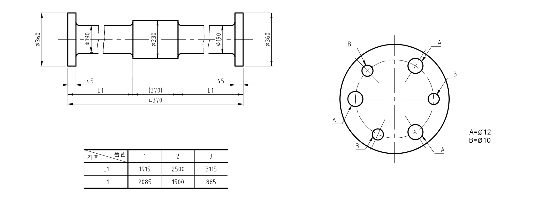
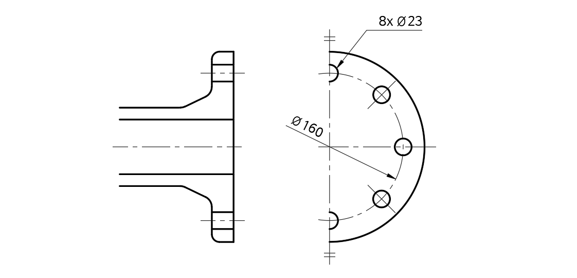
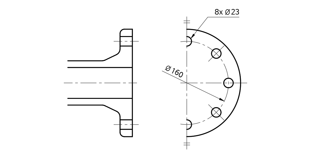
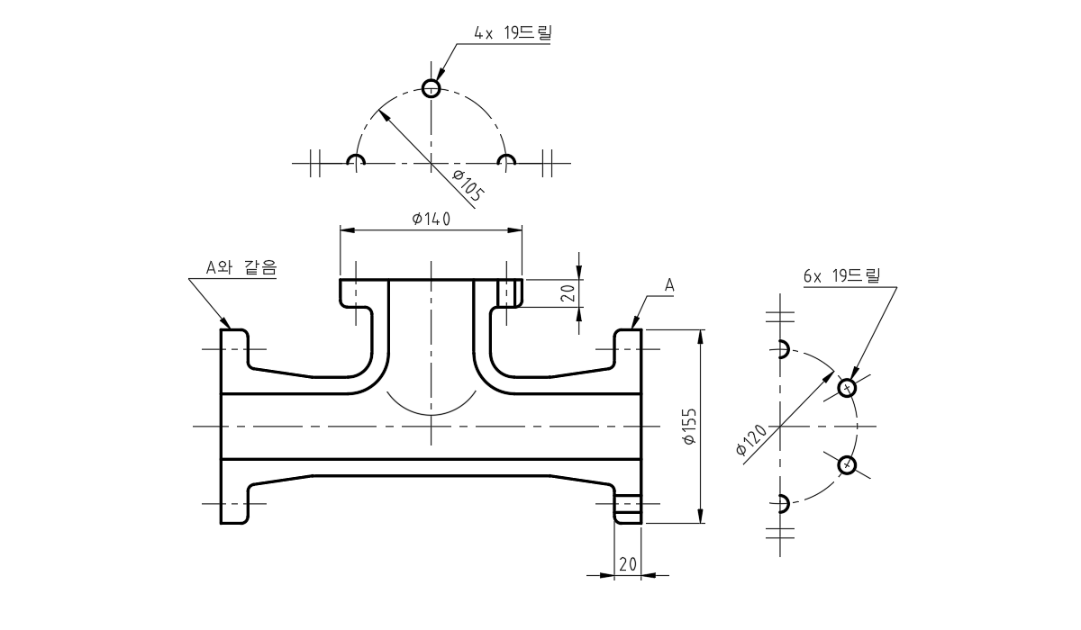
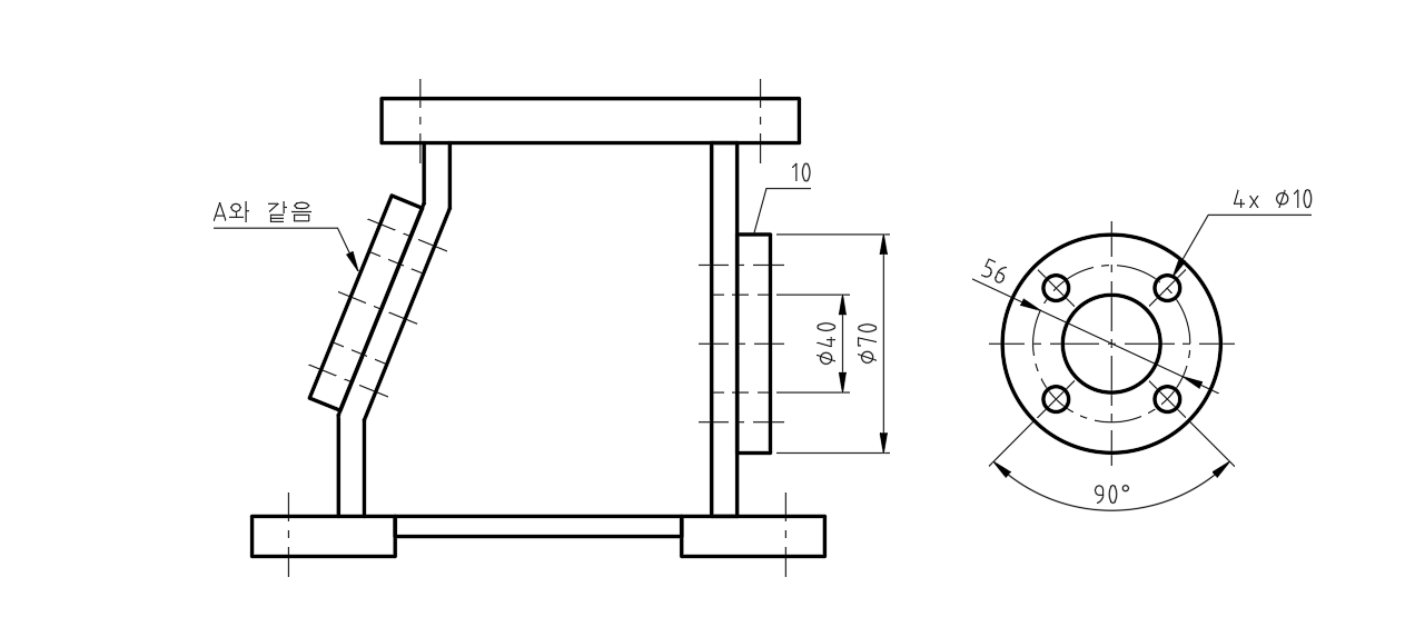
(2) 1군의 동일 치수 볼트 구멍, 작은 나사 구멍, 핀 구멍, 리벳 구멍 등의 치수 표시는 구멍으로부터 지시선을 끌어내어 그 총수를 나타내는 숫자 다음에 x 빈칸 또는 짧은 선을 끼워서 구멍의 치수를 기입한다.
4x Ø10 또는 4-Ø10
이 경우, 구멍의 총수는 같은 개소의 1군의 구멍 총수(보기를 들면 양쪽 플랜지를 가진 관이음이면 한쪽 플랜지에 대해서의 총수를 기입한다.

(3) 구멍의 깊이를 지시할 때는 구멍의 지름을 나타내는 치수 다음에 구멍의 깊이를 나타내는 기호를 표기하고, 그 수치를 기입한다. 다만 관통 구멍일 때는 구멍의 깊이를 기입하지 않는다. 구멍의 깊이란 드릴의 양 끝의 원추부, 머의 양 끝의 모떼기부 등을 포함하지 않는 원통 부의 깊이를 말한다.

(4) 카운터 보어 또는 깊은 카운터 보어의 표시 방법은 카운터 보어 지름을 나타내는 치수 앞에 카운터 보어를 나타내는 기호를 표기하고, 계속해서 카운터 보어의 수치를 기입한다. (a), (b)
다만, 깊은 자리 파기의 자리면의 위치를 반대쪽 면으로부터 치수를 지시할 필요가 있을 때는 치수선을 사용하여 표시한다.(c)

(5) 평면을 확보하기 위해 주조품, 단조품의 표면을 깎아내는 정도의 경우에도 깊이를 지시한다.
자리 파기란?
볼트, 너트 등의 자리를 좋게 하기 위한 것이며, 일반적으로 흑피를 깎은 정도로 한다.

(6) 카운터 싱크 구멍의 표시 방법은 원추형 구멍의 지름을 나타내는 치수 다음에 카운터 싱크를 나타내는 기호를 표시하고, 계속해서 카운터 싱크 입구 지름의 수치를 기입힌다.(a)
카운터 싱크 구멍의 깊이 수치를 규제할 필요가 있는 경우에는 카운터 싱크 개구각 및 카운터 싱크 구멍의 깊이 수치를 기입한다.(b)

카운터 싱크 구멍이 원형 형상으로 그려져 있는 도형에 카운터 싱크 구멍을 지시하는 경우에는 내측 원형 형상에서 지시선을 끌어내고, 참조선의 상단에 카운터 싱크 구멍을 지시하는 기호에 이어, 카운터 싱크의 입구 지름의 수치를 기입한다.(c)
카운터 싱크의 간단한 지시 방법은 카운터 싱크 구멍이 나타나 있는 도형에 대하여 카운터 싱크 구멍 입구 지름 및 카운터 싱크 구멍이 뚫린 각도를 치수선 위쪽 또는 그 연장선상에 x를 사이에 적어 기입한다.(d)

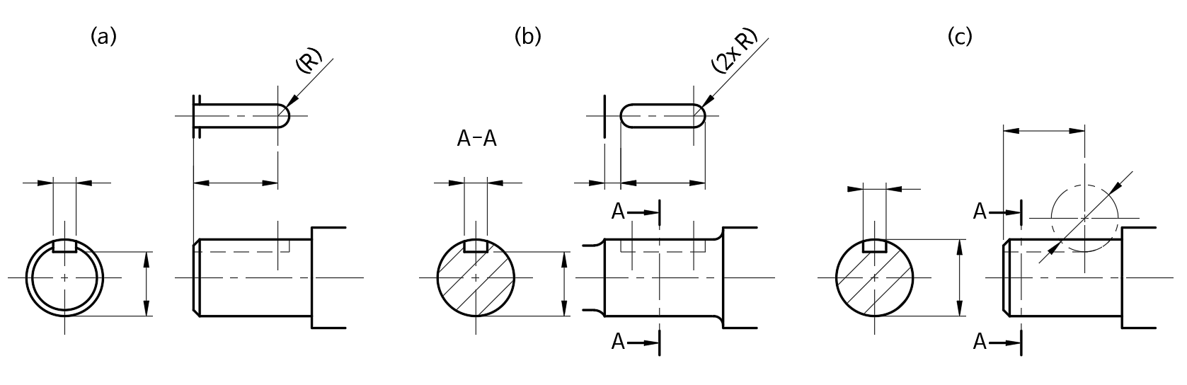
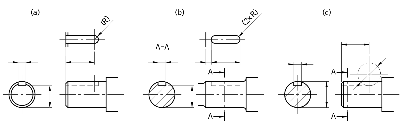
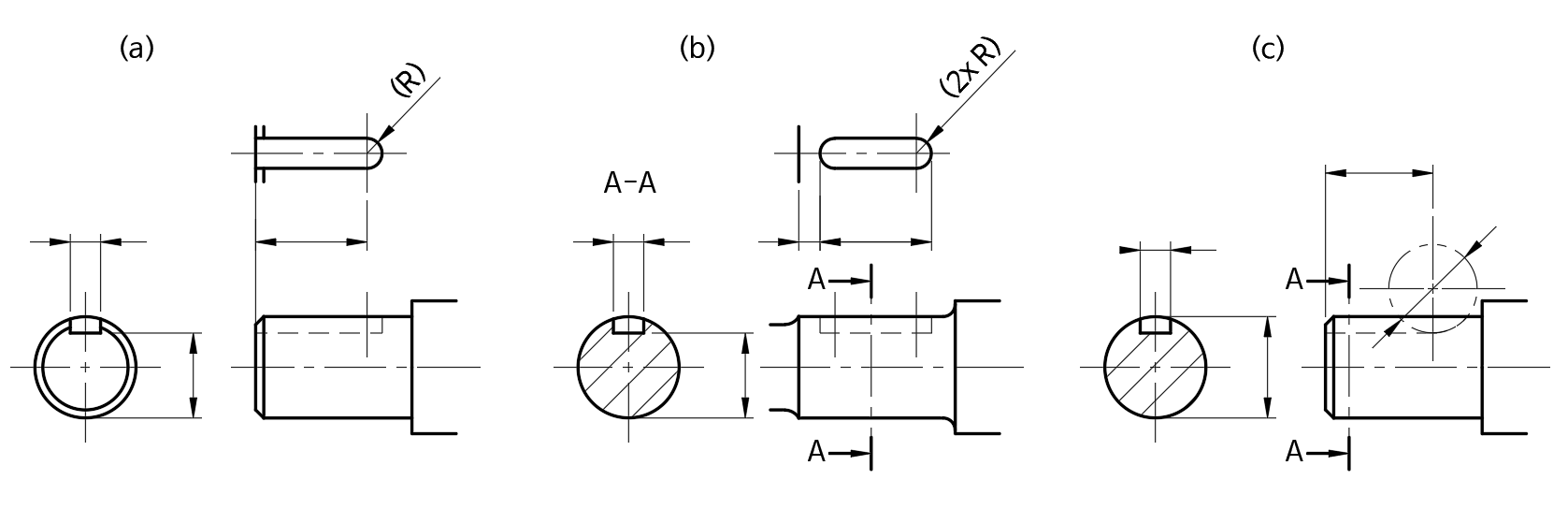
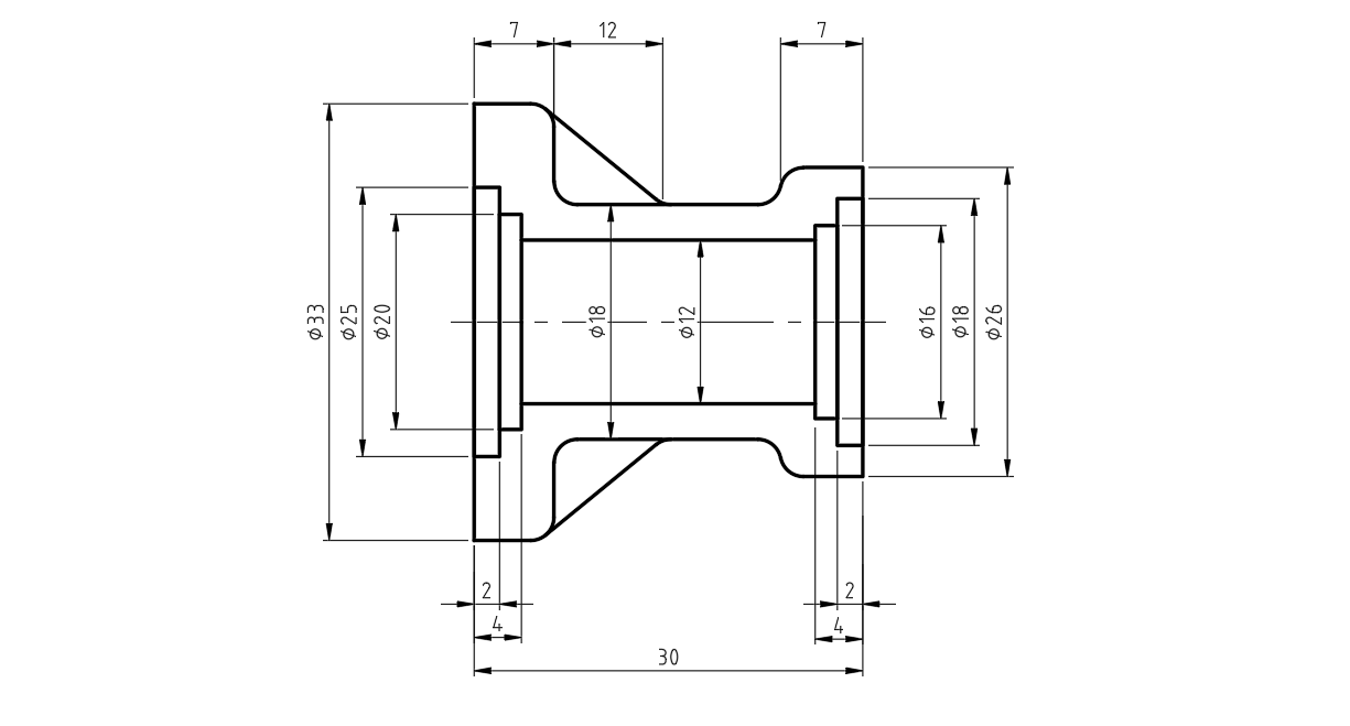
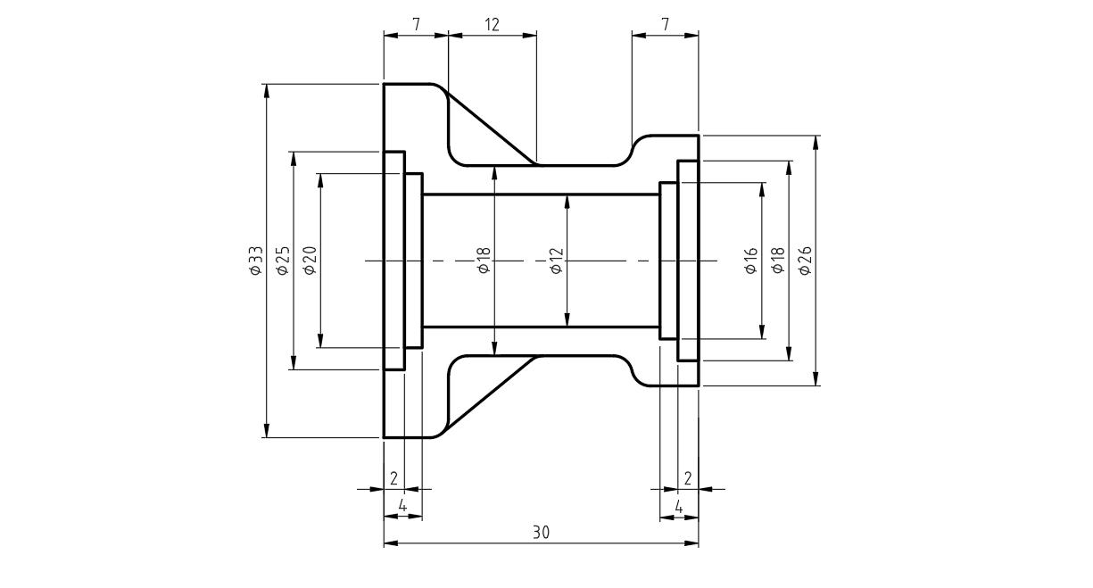
(7) 긴 원통의 구멍은 구멍의 기능 또는 가공 방법에 따라 치수의 기입 방법을 다음 어느 것인가에 따라 지시한다.
- 긴 원 구멍의 길이 및 폭(a) : 양측의 형체는 원호임을 나타내기 위해 (R)로 지시한다.
- 평행한 평면 형체의 길이 및 폭(b) : 양 측의 형체는 원호임을 나타내기 위해 (R)로 지시한다.
- 공구의 회전 축선의 이동 거리 및 공구 지름(c) : 공구 지름의 지시는 1개소로 한다.

(8) 경사진 구멍의 깊이는 구멍 중심 선상의 깊이로 표시하든가 그 속에 따를 수 없는 경우에는 치수선을 사용하여 표시한다.

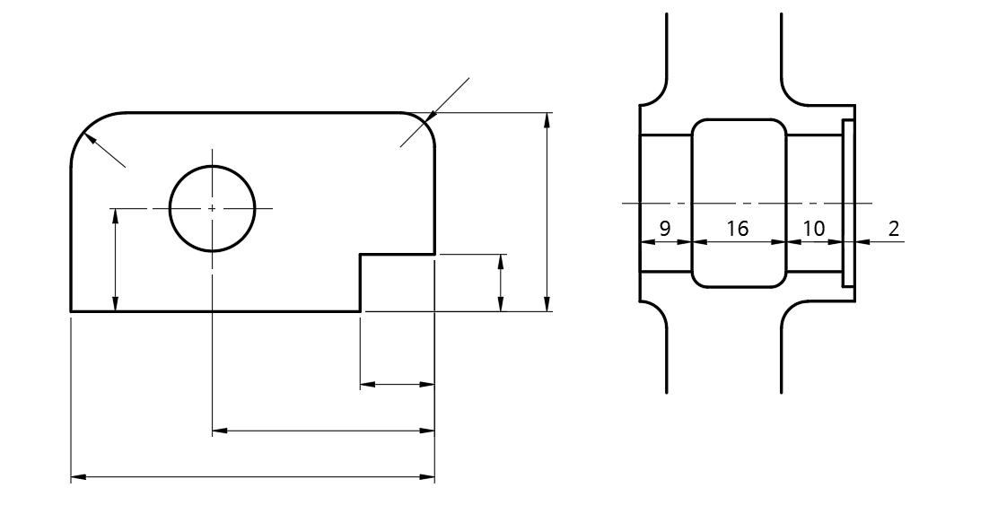
14. 키 홈의 표시 방법
(1). 축의 키 홈의 표시 방법
① 축의 키 홈의 치수는 키 홈의 나비, 깊이, 길이, 위치 및 끝 부를 표시하는 치수에 따른다.
② 키 홈의 끝 부를 밀링커터 등에 의하여 절삭하는 경우에는 기준 위치에서 공구 중심까지의 거리와 공구의 지름을 표시한다.
③ 키 홈의 깊이는, 키 홈의 반대쪽의 축지름 면으로부터 키 홈의 바닥까지의 치수(절삭 깊이)로 표시하여도 좋다.


(2) 구멍의 키 홈의 표시 방법
① 구멍의 키 홈의 치수는 키 홈의 나비 및 깊이를 표시하는 치수에 따른다.
② 키 홈의 깊이는 키 홈과 반대쪽의 구멍 지름 면으로부터 키 홈의 바닥까지의 치수로 표시한다.
다만, 특히 필요한 경우에는 키 홈의 중심면상에서의 구멍 지름 면으로부터 키 홈의 바닥까지의 치수로 표시하여도 좋다.
③ 경사 키용의 보스의 키 홈의 깊이는 키 홈의 깊은 쪽에서 표시한다.

15. 테이퍼 · 기울기의 표시 방법
테이퍼는 원칙으로 중심선에 연하여 기입하고, 기울기는 원칙으로 변에 연하여 기입한다.
다만, 테이퍼 또는 기울기의 정도와 방향을 특별히 명확하게 나타낼 필요가 있을 때는 별도로 도시한다. 또 특별한 경우에는 경사면에서 지시선을 끌어내어 기입할 수 있다.


16. 얇은 두께 부분의 표시 방법
얇은 두께 부분의 단면을 아주 굵은 선으로 그린 도형에 치수를 기입하는 경우에는 단면을 표시한 극히 굵은 선에 연하여 짧고 가는 실선을 긋고, 여기에 치수선의 끝부분 기호를 댄다. 이 경우, 가는 실선을 그려준 쪽까지의 치수를 의미한다.

[참고]
ISO 6414에서는 다음과 같이 규정하고 있다. (참고도)
① 용기 모양의 대상물에서 아주 굵은 선에 직접 끝부분 기호를 대었을 경우에는 그 바깥쪽까지의 치수를 말한다.
② 오해할 우려가 있을 때는 화살표의 끝을 명확하게 나타낸다.
③ 안쪽을 나타내는 치수에는 수치 앞에 "int"를 부기한다.

17. 강 구조물 등의 치수 표시
(1) 강 구조물 등의 구조선도에서 절점 사이의 치수를 표시하는 경우에는 그 치수를, 부재를 나타내는 선에 연하여 직접 기입한다.
절점이란 구조선도에 있어서 부재의 무게 중심선의 교점을 말한다.

(2) 형강, 강관, 각강 등의 치수는 표시 방법에 의하여 각각의 도형에 연하여 기입할 수 있다. 이 경우, 길이의 치수는 필요가 없으면 생략하여도 좋다. 또한, 부등변 ㄱ 형상 등을 지시하는 경우에는 그 변이 어떻게 놓이는가를 명확히 하기 위하여 그림에 나타난 변의 치수를 기입한다.

18. 기타 일반 주의 사항
(1) 치수 수치는 다음 사항을 고려하여 기입한다.
① 치수 수치를 나타내는 일련의 치수 숫자는 도면에 그린 선에서 분할되지 않는 위치에 쓰는 것이 좋다.
② 치수 숫자는 선에 겹쳐서 기입하면 안 된다. 다만, 할 수 없는 경우에는 치수 숫자와 겹치는 선의 부분을 중단하여 치수 수치를 기입한다.

③ 치수 수치는 치수선과 교차하는 장소에 기입하면 안 된다.

(2) 치수선이 인접해서 연속하는 경우에는 치수선은 동일 직선상에 가지런하게 기입하는 것이 좋다. 또, 관련되는 부분의 치수는 동일 직선상에 기입하는 것이 좋다.

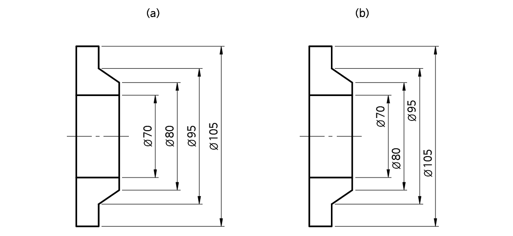
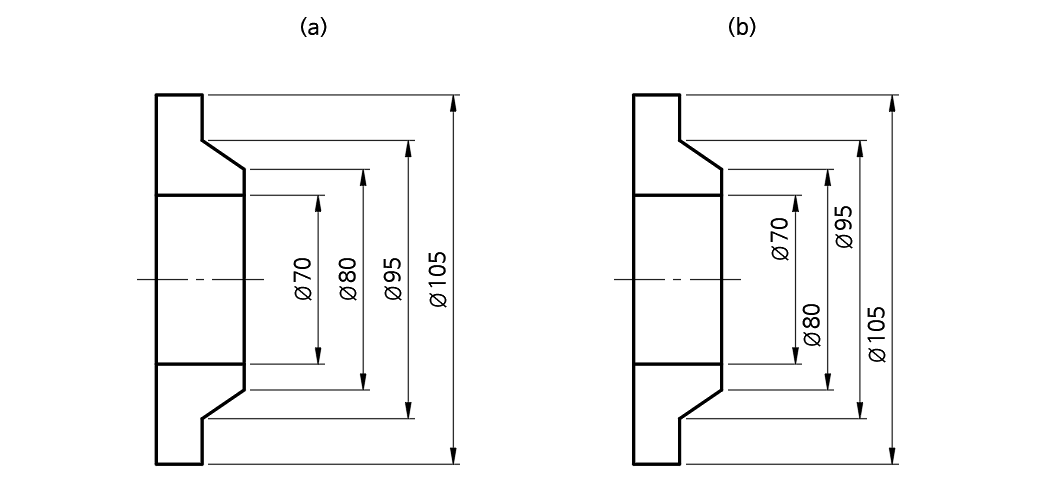
(3) 치수 보조선을 긋고 기입하는 지름의 치수가 대칭 중심선의 방향에 몇 개 늘어선 경우에는 각 치수선은 되도록 같은 간격으로 긋고 작은 치수를 안쪽에, 큰 치수를 바깥쪽으로 치수 수치를 가지런하게 기입한다. 다만, 지면의 형편으로 치수선의 간격이 좁은 경우에는 치수 수치를 대칭 중심선의 양쪽에 교대로 써도 좋다.

(4) 치수선이 길어서, 그 중앙에 치수 수치를 기입하면 알기 어렵게 될 경우에는 어느 것이나 한쪽의 끝부분 기호 가까이 치우쳐서 기입할 수 있다.

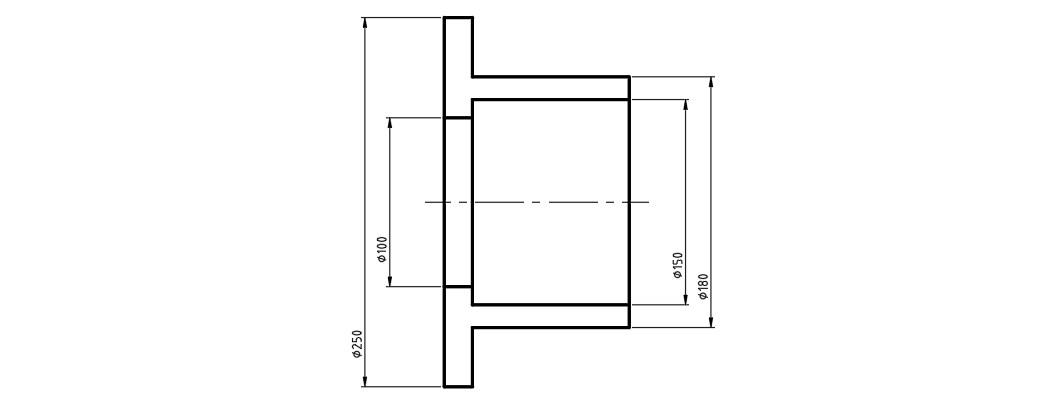
(5) 대칭의 도형에서 대칭 중심선의 한쪽만을 표시한 그림에서는 치수선을 원칙으로 그 중심선을 넘어서 적당히 연장한다. 이 경우, 연장한 치수선 끝에는 끝부분 기호를 붙이지 않는다. 다만, 오해할 염려가 없는 경우에는 중심선을 넘지 않아도 좋다.

대칭의 도형으로 다수의 지름 치수를 기입할 때는 치수선의 길이를 더 짧게 하여 여러 단으로 분리하여 기입할 수 있다.

(6) 치수 수치 대신 글자 기호를 써도 좋다. 이 경우, 그 수치를 별도로 표시한다.

(7) 서로 경사된 두 개의 면 사이에 둥글기 또는 모떼기가 있을 때, 두 면의 교차하는 위치를 나타낼 때는 둥글기 또는 모떼기를 하기 이전의 모양을 가는 실선으로 표시하고, 그 교점에서 치수 보조선을 끌어낸다.
또 교점을 명확하게 나타낼 필요가 있을 때는 각각의 선을 서로 교차시키든가 또는 교점에 검은 둥근 점을 붙인다.

(8) 원 호 부분의 치수는 원 호가 180˚까지는 원칙으로 반지름으로 표시하고, 180˚ 초과하는 원 호는 원칙으로 지름으로 표시한다.
다만, 원호가 180˚ 이내라도, 기능상 또는 가공상 특히 지름의 치수를 필요로 하는 것에 대해서는 지름의 치수를 기입한다.

(9) 반지름의 치수가 다른 곳에서 지시한 치수에 따라 결정될 때는 참고 치수로 치수선과 반지름의 기호로 원 호 ( 또는 반 구 )인 것을 나타내고, 치수 수치는 기입하지 않는다.

(10) 키 홈이 단면에 나타나 있는 보스의 안 지름 치수를 기입하는 경우

(11) 가공 또는 조립할 때, 기준으로 할 곳이 있는 경우에는, 치수는 그것을 기준으로 기입한다. 특히 그곳을 나타낼 필요가 있으면 그 취지를 기입한다.

(12) 공정을 달리하는 부분의 치수는 그 배열을 나누어서 기입하는 것이 좋다.

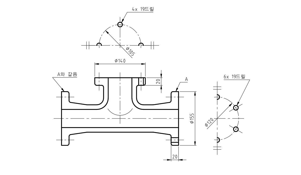
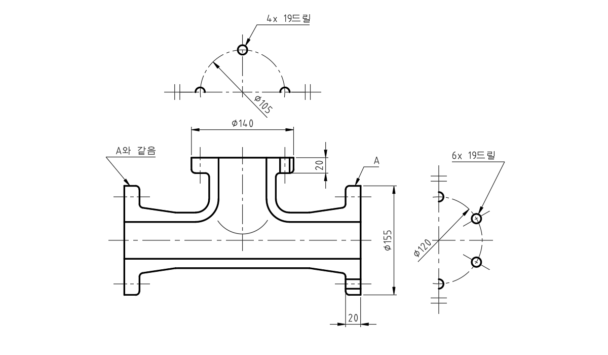
(13) 서로 상호 관련되는 치수는 한 곳에 모아서 기입한다. 보기를 들면 플랜지의 경우 볼트 구멍의 피치원 지름과 구멍의 배치는 피치원이 그려져 있는 쪽 그림에 모아서 기입하는 것이 좋다.

(14) T형 관이음, 밸브 몸통, 콕 등의 플랜지와 같이 한 개의 물품에 똑같은 치수 부분이 두 개 이상 있는 경우에는 치수는 그중 한 개에만 기입하는 것이 좋다. 이 경우, 명확한 때를 제외하고 치수를 기입하지 않은 부분에 동일 치수인 것을 주기한다.


(15) 일부의 도형이 그 치수 수치에 비례하지 않을 때는 치수 숫자의 아래쪽에 굵은 실선을 긋는다. 다만, 일부를 절단 생략한 때 등, 특히 치수와 도형이 비례하지 않은 것을 표시할 필요가 없는 경우에는 이 선을 생략한다.

153LAB
'기초 제도' 카테고리의 다른 글
| 단면도의 종류와 표시 방법, 긴 쪽 방향으로 절단하지 않는 것. (2) | 2023.05.27 |
|---|---|
| 투상도의 종류와 표시 방법 (2) | 2023.05.25 |
| 도면에서 사용하는 선의 굵기, 모양, 종류 (2) | 2023.05.24 |
| 부품 번호, 도면의 변경, 치수 보조 기호, 자리 파기에 대한 치수 기입 (3) | 2023.05.22 |
| 공구의 종류와 가공 구멍의 모양 (2) | 2023.05.21 |
| 작은 나사의 모양과 종류 (2) | 2023.05.21 |
| 육각구멍붙이볼트와 자리 파기 및 볼트 구멍 치수 (2) | 2023.05.21 |
| 육각 머리 볼트와 너트를 그리는 순서와 방법 (2) | 2023.05.20 |