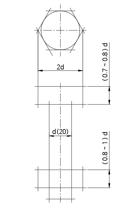
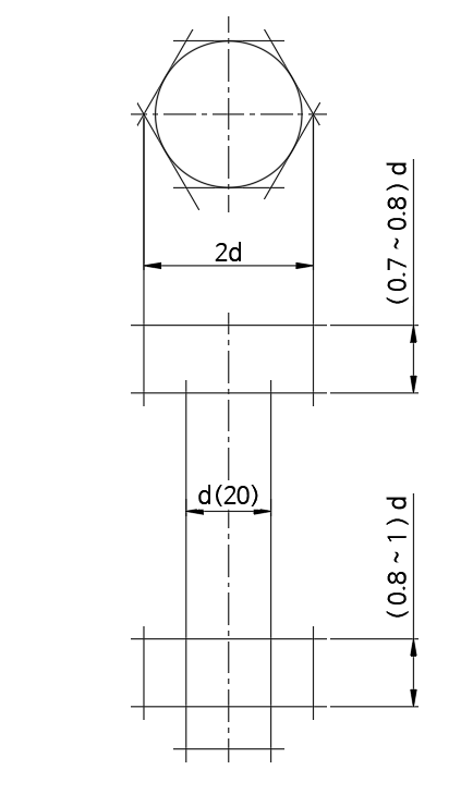
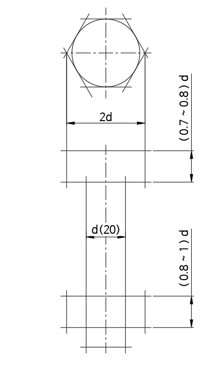
육각 머리 볼트와 너트를 그리는 순서와 방법
① 가이드 선 작도


② 호의 작도

③ 모떼기 선의 작도

④ 정면 완성 ( 선의 굵기, 나사부 )

⑤ 측면 완성

( 문제 ) M16을 작도 하시오

'기초 제도' 카테고리의 다른 글
| 치수 기입법 - 치수 기입의 원칙, 배치, 표시 방법, 주의 사항 (4) | 2023.05.22 |
|---|---|
| 공구의 종류와 가공 구멍의 모양 (2) | 2023.05.21 |
| 작은 나사의 모양과 종류 (2) | 2023.05.21 |
| 육각구멍붙이볼트와 자리 파기 및 볼트 구멍 치수 (2) | 2023.05.21 |
| 사각 머리 볼트와 너트를 그리는 순서와 방법 (2) | 2023.05.20 |
| 육각 머리 볼트 / 탭 구멍의 제도, 치수, 표시법 (3) | 2023.05.19 |
| 수나사와 암나사의 도법 (3) | 2023.05.19 |
| 3. 나사의 종류 (1) | 2023.05.18 |