▶ 부품 번호, 도면의 변경, 치수 보조 기호, 자리 파기에 대한 치수 기입
1. 부품번호
2. 도면의 변경
3. 치수 보조 기호
4. 자리 파기에 대한 치수 기입
1. 부품 번호
(1) 부품 번호는 원칙으로 아라비아 숫자를 사용한다.
또, 조립도 속의 부품에 대하여 별도로 제작도가 있는 경우는 부품 번호 대신 그 도면 번호를 기입하여도 좋다.
(2) 부품 번호는 다음 중 한 가지에 따른다.
① 조립 순서에 따른다.
② 구성 부품의 중요도에 따른다.
[보기] 부분 조립품 ▷ 주요 부품 ▷ 작은 부품 ▷ 기타 부품의 순서
③ 기타 근거가 있는 순서에 따른다.
(3) 부품 번호를 도면에 기입하는 방법은 다음에 따른다.
① 부품 번호는 명확히 구별되는 글자로 쓰거나, 원 속에 글자를 쓴다.
② 부품 번호는 대상으로 하는 도형에 지시선으로 연결하여 기입하면 좋다.
③ 도면을 보기 쉽게 하기 위하여 부품 번호를 세로 또는 가로로 나란히 기입하는 것이 좋다.

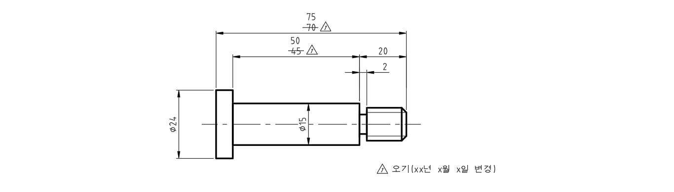
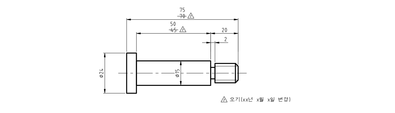
2. 도면의 변경
출도 후에 도면의 내용을 변경하였을 때는, 변경한 곳에 적당한 기호를 부기하고 변경 전의 도형, 치수 등은 적당히 보존한다. 이 경우, 변경 년 월 일, 이유 등을 명기한다.

3. 치수 보조 기호
보조 기호는 치수와 함께 쓰며 치수의 뜻을 정확하게 전달하기 위해서 사용한다.

4. 자리파기에 대한 치수 기입

153LAB
'기초 제도' 카테고리의 다른 글
| 도형의 생략 (0) | 2023.06.02 |
|---|---|
| 단면도의 종류와 표시 방법, 긴 쪽 방향으로 절단하지 않는 것. (2) | 2023.05.27 |
| 투상도의 종류와 표시 방법 (2) | 2023.05.25 |
| 도면에서 사용하는 선의 굵기, 모양, 종류 (2) | 2023.05.24 |
| 치수 기입법 - 치수 기입의 원칙, 배치, 표시 방법, 주의 사항 (4) | 2023.05.22 |
| 공구의 종류와 가공 구멍의 모양 (2) | 2023.05.21 |
| 작은 나사의 모양과 종류 (2) | 2023.05.21 |
| 육각구멍붙이볼트와 자리 파기 및 볼트 구멍 치수 (2) | 2023.05.21 |