캐드, 제품모델링, 기계, 금형 이야기

전체 글 185

V-블록(V-block)의 기능 및 활용

V-블록의 기능 및 활용V-블록(V-Block)은 기계 가공 및 측정에서 원통형 부품을 고정하고 중심을 맞추기 위한 필수 공구입니다. 특히 정밀한 외경 측정, 중심선 표시, 흔들림 검사 등에 널리 활용됩니다. 1. V-블록의 주요 기능 원형 공작물의 안정적 고정중심 위치 정렬 및 기준 설정정밀 측정 장비와 병용 가능 (마이크로미터, 다이얼 게이지 등)중심선 마킹 또는 가공 기준선 표시 2. 구조 및 구성 요소 V홈90도 또는 120도 각도로 깎여 원형 부품을 정확하게 지지함본체KS규격에 따른 고급 공구강 또는 주강 사용, 열처리 및 연삭 처리클램프공작물 고정을 위한 나사식 또는 스프링 클램프 포함 3. 재질 및 특성 재질: 공구강 또는 고급 주강경도: HRC 58 이상 (A급 기준)등급: A급 (정밀측..

센터구멍(Center Hole)이란 무엇인가?

센터구멍이란? 기능과 필요성, 가공의 기준 작업형 CAD 실기 시험을 준비하면서 처음 접하는 것 중에 하나가 센터구멍(center hole)입니다. 오늘은 센터구멍이 무엇인지, 왜 필요한지, 그리고 실제 가공에서는 어떤 기준으로 작업하는지까지 자세히 정리해 드리겠습니다.센터구멍(Center Hole)이란 무엇인가?센터구멍은 공작물의 양 끝에 만들어진 작은 원형 구멍입니다. 주로 선반가공이나 연삭가공 시, 심압대 센터와 맞물려 공작물을 안정적으로 지지하는 역할을 합니다.길고 가느다란 부품일수록 회전 시 중심이 흔들리기 쉬운데, 센터구멍을 통해 중심을 정확히 잡아주어 고정밀 가공을 가능하게 만듭니다.실제 작업을 해보면, 센터구멍이 제대로 뚫려있지 않은 부품은 고속 회전 시 진동이 발생하거나, 가공 중 휘어지..

널링(Knurling) - KS B 0901

널링(Knurling)이란? 널링이란 부품 표면에 미끄럼을 방지하기 위해 눌러서 무늬를 형성하는 가공 방법입니다.널링은 기계 부품뿐만 아니라 일상생활에서도 널리 사용됩니다. 예를 들어, 병뚜껑, 볼펜의 그립 부분, 손잡이 등에 적용되어 미끄럼 방지와 조작 편의성을 높여줍니다.1. 널링 기계 가공 방법공작물을 선반의 척(Chuck)에 고정합니다.공구대(tool post)에 널링 공구(knurling tool)를 장착합니다.공작물을 회전시키면서 널링 공구로 압력을 가해 표면에 무늬를 성형합니다.절삭이 아니라 가압에 의한 성형(압인) 작업입니다.2. 널링 무늬 종류빗줄형(30도 경사각) : 30도 방향으로 교차된 빗금 무늬 (가장 널리 사용)바른줄형 : 축 방향 또는 원주 방향의 평행한 직선 무늬3. 널링 공..

SC480 (탄소강 주강품) |주강 특성, 열처리

SC480 재료 완벽 해설| 주강 특성, GC200 비교, 열처리 경도까지!1. SC480이란?SC480은 KS D 4302 규격에 따른 탄소강 주강품(Cast Steel)이다. SC는 Steel Casting(강 주물)을 의미하고, 숫자 480은 최소 인장강도 480MPa 이상을 뜻한다. 특징높은 강도와 인성균일한 미세조직복잡한 형상 제작 가능용접성 양호주조는 가능하나, 주조성은 회주철에 비해 떨어진다2. SC480의 화학성분원소함량 범위 (Mass%)C (탄소)0.20 ~ 0.30Si (규소)0.40 ~ 0.80Mn (망간)0.60 ~ 1.00P (인)≤ 0.035S (황)≤ 0.0353. SC480의 기계적 성질항목최소 요구치인장강도480 MPa 이상항복강도275 MPa 이상연신율22% 이상4. S..

기계재료 2025.04.19

SM45C의 특성 및 설계 시 고려사항

1. SM45C 개요 SM45C는 기계구조용 탄소강재로, 중탄소강에 해당한다. 명칭은 Steel(Material) Machine(구조용) Carbon(탄소강) 0.45%(탄소 함유량)에서 유래한다. 가공성, 강도, 열처리성의 균형이 우수하여 기계 부품 제작에 광범위하게 사용된다.2. SM45C 화학 성분원소함량(%)탄소(C)0.42 ~ 0.48규소(Si)0.15 ~ 0.35망간(Mn)0.60 ~ 0.90인(P)0.030 이하황(S)0.035 이하 3. SM45C 기계적 성질 풀림 상태 기준으로 인장강도는 약 570~750 MPa, 항복강도는 약 330 MPa이며, 연신율은 20% 내외이다. 경도는 브리넬 경도(HB)로 약 170~220 정도를 보인다. 열처리(담금질 후 뜨임)를 적용하면 인장강도는 800..

기계재료 2025.04.18

인류 산업을 이끈 핵심 소재, 회주철(Gray Cast Iron)

회주철(Gray Cast Iron)은 인류 문명 발전에 지대한 영향을 미친 금속 재료입니다. 기원전 500년경 중국 춘추전국시대부터 등장해, 무기와 농기구, 건축물에 이르기까지 다양한 분야에서 혁신을 일으켰습니다. 산업혁명 이후 대량 생산 체계가 확립되면서 현대 기계 산업의 기반이 되었고, 오늘날에도 자동차, 기계 설비, 건축 인프라 등 다양한 산업 분야에 필수 소재로 활용되고 있습니다.1. 고대 문명과 회주철의 시작 회주철의 기원은 기원전 513년 중국 한나라 시기로, 최초의 회주철 무기가 발견되었습니다. 이어 로마 제국은 기원전 400년경 회주철로 제작된 검과 방패를 군사력 강화에 적극 활용했습니다. 농업 분야에서는 회주철 쟁기와 농기구가 수확량을 40% 이상 향상시키며 생산성을 획기적으로 개선했습니..

기계재료 2025.04.18

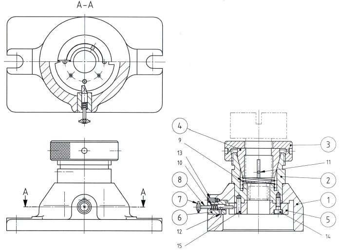
2025. 1회 전산응용기계제도기능사 출제 문제 "분할 장치(분할지그)"

전산응용기계제도기능사 출제 문제 '분할 장치'이번 포스팅에서는 2025년 1회 전산응용기계제도기능사에 출제된 분할지그(분할장치)에 대해 알아보겠습니다. 1. 분할 장치란?분할 장치는 가공물을 고정하고, 정해진 각도로 정확히 회전시켜 균등한 분할 가공(기어 이빨, 슬롯, 다각형 가공 등)을 할 수 있게 돕는 정밀 지그입니다.주요 기능은 가공물 고정 + 분할 이동 + 분할 위치 고정입니다. 2. 각 부품의 사용 용도 부품 번호 부품명 주요 역할1본체 (Body)전체 구조를 지지하는 기본 프레임2콜릿 하우징 (Collet Housing)콜릿을 감싸고 본체와 연결3콜릿 너트 (Collet Nut)콜릿을 눌러 가공물을 고정4콜릿 (Collet)가공물을 강하게 고정5분할판 (Index Plate)분할 각도를 정확히..

파커라이징(Parkerizing) - 화학적 금속 표면 처리

1. 파커라이징(Parkerizing) 개요 파커라이징은 철강류 금속 표면에 화학적 인산염 피막(Phosphate Coating)을 형성하여 내식성, 내마모성, 윤활성, 도장 밀착성을 향상하는 표면처리 기술입니다. 표면에 생성된 인산염 결정은 다공성 구조를 가지며, 외부 환경으로부터 금속을 보호하고 추가 윤활 및 도장의 품질을 개선합니다.화학반응 기반의 보호막 형성높은 내식성, 내마모성, 윤활성 제공경제성 뛰어나며 대량 생산에 최적화2. 파커라이징 명칭과 역사1906년: 영국 T.W. Coslett, 인산염 처리 기술 개발1915년: 미국 Parker사가 상업화 → "Parkerizing" 명칭 등장1940년대: 2차 세계대전 중 군수품 대량 적용현대: 산업기계, 자동차, 중장비 등으로 확산3. 파커라이..

KS B ISO 1302 표면거칠기 기호의 크기

KS B ISO 1302 표면거칠기 기호의 크기2025년부터 국가기술자격 CAD실기시험의 규격의 변경에 따라 아래와 같이 표면거칠기 지시 및 기호의 크기를 적용하여 작업해 주시길 바랍니다. 숫자 및 문자 높이(h, ISO 3098-2 기준)2.53.557101420기호의 선 두께 (d′)0.250.350.50.711.42문자의 선 두께 (d)숫자 및 문자 높이에 비례높이 (H₁)3.55710142028높이 (H₂, 최소)7.510.51521304260※ H₂는 지시선의 줄 수에 따라 달라질 수 있습니다. 원기둥형 및 각기둥형 표면중심선을 이용하여 표시되고, 각기둥형 표면마다 동일한 표면 거칠기 요구사항이 적용되는 경우에는 원기둥형 및 각기둥형 표면을 한 번만 지정할 수 있다. 그러나 각각의 각기둥형..

기계 재료 (Mechanical Materials)

국가기술 자격CAD 실기 시험에 주어지는 기계 재료 (Mechanical Materials) 명칭기호주요 원소인장강도압축강도기계적 특성용도회 주철품GC1003.0~3.5% C, 1.0~2.5% Si200~250 MPa800~1000 MPa우수한 주조성, 중간 강도기계 구조물, 펌프 케이싱회 주철품GC2503.3~3.7% C, 1.6~2.2% Si300~370 MPa1000~1200 MPa우수한 내마모성, 높은 강도펌프 하우징, 고하중 부품구상흑연 주철품GCD 400-183.5~3.7% C, 2.0~2.5% Si400~450 MPa900~1100 MPa연성과 인성 우수기어박스, 자동차 부품탄소강 주강품SC4100.25~0.30% C400~500 MPa700~1000 MPa중간 강도와 인성기계 구조용 ..

기계재료 2025.04.10