KS B ISO 1302 표면거칠기 기호의 크기
2025년부터 국가기술자격 CAD실기시험의 규격의 변경에 따라 아래와 같이 표면거칠기 지시 및 기호의 크기를 적용하여 작업해 주시길 바랍니다.




| 숫자 및 문자 높이 (h, ISO 3098-2 기준) |
2.5 | 3.5 | 5 | 7 | 10 | 14 | 20 |
|---|---|---|---|---|---|---|---|
| 기호의 선 두께 (d′) | 0.25 | 0.35 | 0.5 | 0.7 | 1 | 1.4 | 2 |
| 문자의 선 두께 (d) | 숫자 및 문자 높이에 비례 | ||||||
| 높이 (H₁) | 3.5 | 5 | 7 | 10 | 14 | 20 | 28 |
| 높이 (H₂, 최소) | 7.5 | 10.5 | 15 | 21 | 30 | 42 | 60 |
※ H₂는 지시선의 줄 수에 따라 달라질 수 있습니다.
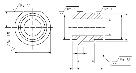
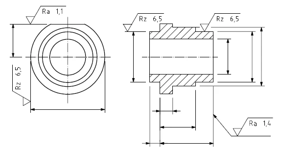
원기둥형 및 각기둥형 표면
중심선을 이용하여 표시되고, 각기둥형 표면마다 동일한 표면 거칠기 요구사항이 적용되는 경우에는 원기둥형 및 각기둥형 표면을 한 번만 지정할 수 있다.

그러나 각각의 각기둥형 표면에 서로 다른 표면 거칠기 요구사항이 있는 경우에는 각 표면을 개별적으로 표시해야 한다.

e나라 표준인증
standard.go.kr
153LAB
'국가 기술 자격 CAD 실기 시험 > 기계 제도와 도면 해독' 카테고리의 다른 글
| V-블록(V-block)의 기능 및 활용 (0) | 2025.04.23 |
|---|---|
| 도브테일 (Dove tail) (19) | 2024.08.14 |
| V-벨트풀리 아이들러의 본체 모델링, 투상도, 치수 (1) | 2023.08.01 |
| 주철품과 주강품의 보통 치수 공차 (일반 공차) (0) | 2023.07.10 |
| 동력전달장치의 부품별 재질 선정 (0) | 2023.07.05 |
| 주물면과 가공면의 구분 (2) | 2023.07.03 |
| 치공구의 시작 - 바이스1 #모델링부터 도면 작업까지 전 과정 따라하기 (2) | 2023.06.26 |
| 투상도 작도와 치수 기입 방법 최종 - (3) 치수 기입 (1) | 2023.05.11 |