캐드, 제품모델링, 기계, 금형 이야기

전체 글 183

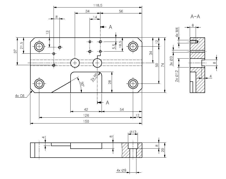
투상도 작도와 치수 기입 방법 최종 - (3) 치수 기입

지난번 올린 글에서 (1) 모델링과 (2) 투상도 작도의 방법에 대해 알아보았습니다. 투상도 작도와 치수 기입 방법 - (1) 모델링 우리는 CAD 실기 시험을 볼 때, 3D 모델링을 하고, 2D 부품도 작업을 합니다. 3D 모델링은 형상별로 모델링하고 그 과정 속에서 형상별로 치수 기입을 합니다. 그런데 왜 도면 작업할 때는 제대로 된 153lab.com 투상도 작도와 치수 기입 방법 - (2) 투상도 작도 지난 포스팅에서 투상도 작도와 치수 기입을 위한 모델링을 하였습니다. https://153lab.com/66 치수 기입에 대해 알아 보자 - (1) 모델링 우리는 CAD 실기 시험을 볼 때, 3D 모델링을 하고, 2D 부품도 작업 153lab.com 이번 글에서는 마지막 편 (3) 치수 기입 하는 ..

일반기계기사, 기계설계산업기사, 전산응용기계제도기능사의 실격 사유 (채점 제외 대상)

국가 기술 자격 CAD 실기 시험의 실격 사유 (채점 제외 대상) 관련 자격 시험 종목으로는 전산응용기계제도기능사, 기계설계산업기사,일반기계기사입니다. 채점 대상에서 제외되는 항목 가) 기권 (1) 수험자 본인이 수험 도중 기권 의사를 표시한 경우 나) 실격 (1) 시험 시작 전 program 설정을 조정하거나 미리 작성된 Part program (도면, 단축키, 셋업 등) 또는 LISP과 같은 Block(도면양식, 표제란, 부품란, 요목표, 주서 및 표면 거칠기 등)을 사용한 경우 - 중요한 것은 '시험 시작 전'과 '미리 작성된'이라는 것입니다. 시험 시간 내에 설정 또는 만드는 것은 상관없습니다. (2) 채점 시 도면 내용이 다른 수험자와 일부 또는 전부가 동일한 경우 (3) 파일로 제공한 KS 데..