치수 기입에는 원칙과 효율적 순서와 방법이 있습니다.
그러나, 무엇보다 가장 우선으로 생각해야 하는 것은 '치수를 누락하지 않는다'입니다.
자격시험의 채점 기준이 치수의 중복당 감점이 아니라 누락당 감점이라는 것을 명심하고 누락하지 않도록 해야 합니다.
| 치수 기입 | 중요 치수 | 틀리거나 누락 2개당 1점 감점 | 5 | 15 | 치수 공차, 끼워 맞춤 공차 기호, 기하 공차 기호가 기입되는 치수와 규격에서 정한 호칭 치수를 모두 기입한다. |
| 일반 치수 | 틀리거나 누락 2개당 1점 감점 | 5 | 가로, 세로, 두께의 전체 치수 및 조립과 작동의 간섭을 일으키기 쉬운 치수를 빠짐없이 기입한다. | ||
| 치수 누락 | 누락 2개당 1점 감점 | 5 | ±0.5mm이상 차이가 나지 않도록 주어진 조립도의 치수를 정확히 잰다. |
만약 어떤 부품의 생긴 모양이 너무 생소하여, 어떻게 치수를 넣어야 할지 모를 때는 다음 2가지 방법을 고려해 보세요.
치수 기입 방법을 모를 때 사용하는 2가지 방법
(1) 모델링한 부품의 스케치(Sketch)와 각 피쳐(Feature)의 치수(parameter)를 보고 치수 기입한다.
모델링할 때, 사용한 치수의 적절함과는 별개로 스케치에서 사용한 치수, 모델링에서 사용한 치수를 생각하며 치수기입하면 절대 누락할 일이 없다. 단, 스케치는 완전히 구속하여야 한다.

(2) 인벤터의 '모형 주석 검색' 기능을 사용한다.
인벤터의 기능 중, 모형 주석 검색 기능이 스케치와 피쳐 모델링에 사용한 치수를 투상도(View)에 기입해 주는 것이다.

모형 주석 검색의 사용법
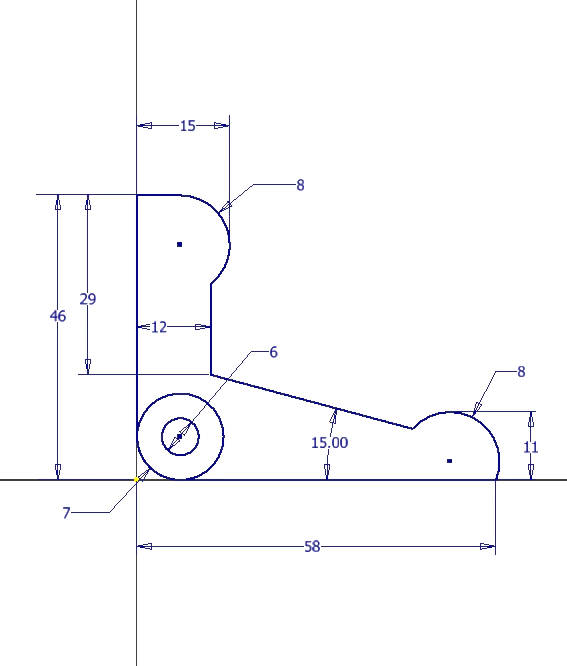
과제 - 리밍지그의 클램퍼라는 부품으로 모형 주석 검색의 예를 들어 사용법을 익혀 보도록 하자.

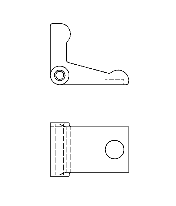
1. 클램퍼(Clamper)의 투상도 배치
부품 클램퍼의 투상도를 배치한다.
형상을 파악하는데 2면도로 충분하기에 정면도와 저면도를 사용한다.

2. 구멍의 단면
두 개의 구멍을 단면 하기 위해 숨은선을 켜고, 브레이크 아웃 명령을 사용하여 구멍을 단면한다.


3. 중심선 작도
(1) 자동화된 중심선을 사용하여 중심선을 작도하고, 불필요한 중심선은 삭제와 정리, 숨은선은 보이지 않게 한다.


4. 모형 주석 검색의 사용
(1) 투상도를 마우스 우클릭하여, 모형 주석 검색 명령을 클릭한다.

(2) 대화 상자에서의 설정은 기본값 그대로 [확인] 버튼을 클릭한다.

5. 치수의 정리
불필요한 치수는 삭제하고, 치수를 보기 좋게 배치한다.

이상으로 치수 기입이 어려울 때 도움을 주는 2가지 방법과 인벤터의 '모형 주석 검색'의 사용법을 알아보았습니다.
가장 좋은 방법은 모델링할 때에 치수 기입을 생각하며 모델링하는 것이 좋습니다.
어떤 모양이 출제되어도 치수가 누락되지 않도록 끝까지 최선을 다하시면 좋은 결과가 점수로 보상될 것입니다.
수고하셨습니다.
153랩
채점 기준표 - 일반기계기사 · 기계설계산업기사 · 전산응용기계제도기능사
채점 기준 국가 기술 자격 CAD 실기 시험의 기계 계열 (일반기계기사, 기계설계산업기사, 전산응용기계제도기능사) 실기 과제의 채점 기준은 아래와 같으며, 학습 방법란의 내용을 참고하여 학습
153lab.com
'인벤터' 카테고리의 다른 글
| 인벤터의 브레이크 아웃(Break out)의 개념과 응용 (2) | 2023.05.28 |
|---|---|
| 줌 인 아웃 - 마우스 휠의 방향 변경하는 법 (1) | 2023.05.09 |
| 전산응용기계제도기능사 질량 기입 방법 (1) | 2023.05.03 |
| 분할을 활용한 이중 스퍼 기어 박스 인벤터 모델링 (2) | 2023.05.02 |
| 인벤터의 "자동화된 중심선" 기본 설정 변경하기 (2) | 2023.03.31 |
| [인벤터] 포크 (Fork) 모델링 (0) | 2022.08.29 |
| [인벤터] 머그컵(Mug cup) 모델링 (0) | 2022.08.29 |
| [인벤터] 나이프(knife) 모델링 (0) | 2022.08.27 |