"국가 기술 자격 CAD 실기 시험"
흔히 우리는 CAD 작업형 시험이라고 말합니다.
기계분야에 해당하는 종목으로는 "기계설계기사" , "일반기계기사", "기계설계산업기사", "전산응용기계제도기능사"가 있습니다.
매년 3회, 4회 정도의 시험이 있으며 (기계설계기사는 1회) 필기시험을 먼저 응시하고 합격을 해야 실기 시험 접수를 할 수 있습니다. 실기 접수를 하면, 보통 한 달 후에 실기 시험을 봅니다.
지금부터 말씀드리려는 내용은 실기 시험 당일, 어떤 과정으로 시험을 보는지, 우리가 어떻게 시간을 배분하여야 하는지에 대해 말씀드리겠습니다.
1. 고사장 입실

고사장은 실기 시험 접수 때에 본인이 선택한 장소입니다.
보통 대학교, 고등학교입니다. 요즘은 학원도 있습니다. (거리두기 문제로 고사장이 부족)
접수할 때, 본인의 PC지참 여부를 체크하여야 하는데, 본인이 노트북을 사용하고자 [ PC지참]에 체크를 했다면 체크하지 않은 친구들보다 30분 전에 입실하여 노트북 검사를 받아야 합니다.
PC 지참 O : 08시 30분 입실
PC 지참 X : 09시 30분 입실

PC지참으로 체크하였다가 고사장 PC로 변경하는 것은 시험 당일에도 가능합니다. 노트북 검사 때 말씀하세요. 그런데 PC지참에 체크를 하지 않고 당일 본인의 노트북을 사용하려는 것은 허용이 안되니 특히 유의해야 합니다.
실기 접수 시에 고사장 PC를 사용하겠다고 한다면 (PC 지참 x ) 반드시 고사장에 설치되어 있는 3D프로그램을 확인하고 접수해야 합니다. AutoCAD는 모든 고사장에 설치되어 있지만 인벤터, 솔리드웍스, NX, 카티아 등 3D 프로그램은 한 종류만 설치되어 있는 경우가 많으니 주의하고 접수하세요.
2. 시험 시작 10분 전 (09시 20분) - 시험 요강과 문제도 배포
코로나 이전에는 9시에 시험을 시작했으나 현재는 9시 30분입니다. 시험 시작 전 10분 전후로 감독관이 시험 요강과 문제도를 나누어 주고 요강에 있는 사항을 설명합니다.

시험 요강에서는 반드시 확인하여야 할 것은 3가지 정도인데 첫 번째는 작업해야 하는 부품 번호입니다.
보통 2D도면에는 3 ~ 4개, 3D도면에는 3 ~ 5개의 조합으로 출제됩니다.



두 번째는 윤곽선, 중심마크, 표제란, 부품란, 수검란등의 크기입니다.

세 번째는 선의 굵기와 색상입니다. ( AutoCAD로 최종 출력하는 분들은 꼭 확인해야 합니다.)

도면의 틀은 전산응용기계제도기능사와 기계설계산업기사가 현재 같고, 일반기계기사만 조금 차이가 있으니 아래에서 종목을 확인하고 시험에 응시하시기 바랍니다.
일반기계기사 도면 양식 (2023년 1회 기준)
일반기계기사 도면 양식입니다. 일반기계기사는 기계설계산업기사와 전산응용기계제도기능사와는 조금 다릅니다. 칸의 간격이 8mm가 아닌 10mm이고 중심마크가 10mm입니다. 2023년 1회 기준이므로
153lab.com
기계설계산업기사 도면 양식 (2023년 1회 기준)
[요강] 기계설계산업기사 양식
153lab.com
전산응용기계제도기능사 도면 양식 (2023년 1회 기준)
전산응용기계제도기능사는 선의 굵기가 기계설계산업기사와 동일합니다. 수험란(왼쪽상단의 표)에서 그림처럼 20,20을 하면 수험번호 입력이 어렵습니다. 수험번호 숫자 입력공간을 25 정도로
153lab.com
그 외의 주의 사항은 공개된 시험 요강을 시험 보기 전에 보고 숙지하는 것이 좋습니다.
실격 사유를 미리 알고 가야 하고, 문제도를 조금이라도 더 보기 위해서입니다.
QNET에서 공개한 시험요강은 전산응용기계제도기능사 시험 요강이지만 일반기계기사, 기계설계산업기사와 거의 같습니다. 기계설계산업기사는 2019년도부터 설계변경(치수 변경)이 들어가며 시험시간이 5시간 30분이고, 전산응용기계제도기능사에만 질량을 구합니다.
[공개 요강] 전산응용기계제도기능사 - 일반기계기사.기계설계산업기사 참고
아래 첨부한 공개 요강은 전산응용기계제도기능사 요강이지만 일반기계기사, 기계설계산업기사도 내용이 비슷하며, 질량을 구하는 것은 현재 기능사에만 해당하는 내용이다. 시험장에 가기 전
153lab.com
시험 요강에서 위의 3가지를 파악하였으면 이제 문제도를 천천히 훑어봅니다.
(아래 도면은 교육 시 사용하는 도면을 예로 든 것이니 참고해 주시기 바랍니다.)

3. 시험 시작 (09시 30분) - 도면의 양식 작도 (템플릿 소요시간 : 15분)
9시 30분에 시험이 시작되면 이때가 가장 긴장을 많이 할 때입니다. 긴장을 많이 하게 되면 머리는 굳고, 마음만 급하게 됩니다. 이때 야구에서 타자가 타석에 들어서 몸풀기하는 것처럼 평소에 갈고, 닦았던(?) 템플릿 작도의 실력을 유감없이 발휘하세요. 막힘없이 템플릿을 만드는 것만으로도 자신감을 찾게 될 것이며, 템플릿 작도 시간이 평소보다 훨씬 빠를 것입니다. ( 머리보다 근육이 제 역할을 할 때입니다.)
·오토캐드로 도면 작업을 하는 경우의 템플릿

·인벤터로 도면 작업을 하는 경우의 템플릿

4. 투상과 3D모델링 (09시 45분 ) - 투상은 십자 낱말 풀이 (소요시간 : 1시간 30분)
시험 요강을 보면 그려야 할 부품의 번호가 낮은 번호부터 높은 번호 순서대로 기입되어 있을 겁니다. 예로 ①, ②, ⑤, ⑦
보통 시험을 치는 학생들을 보면 그 번호 순서대로 투상하고 모델링을 하는 경우가 있는데 절대 그렇게 해서는 안됩니다. 왜냐하면 보통 ① 부품의 경우, 조립의 기준이 되는 부품인 경우가 많은데, 형상이 단순할 수 있지만 복잡하게 출제되는 경우가 많기 때문입니다.
모델링을 하려면 부품에 대한 3차원적 인식이 적어도 7~80%는 되어야 시작을 할 수 있고, 중간에 틀려도 크게 틀리지 않아 충분히 시험 시간 안에 고쳐가며 완성할 수 있지만, 아직 형상에 대한 인식이 제대로 되어 있지 않은 상태에서 그리는 것은 자칫 시험을 망칠 수 있습니다.
투상은 십자 낱말 풀이와 비슷합니다.

십자 낱말 풀이를 할 때, 힌트를 보고 1번의 가로를 모르면 1번의 세로를, 1번의 가로와 세로를 모르면 2번의 세로를 풀어 헷갈렸던 1번의 가로와 세로를 찾는 기준이 됩니다. 이런 식으로 확실한 답을 근거로 불확실한 부분을 찾아갑니다.
문제도는 조립도입니다. 서로 연관이 있고, 끼워 맞춤되어 있는 것이 위의 십자 낱말 풀이와 유사합니다.

따라서 가장 확실하고 가장 정확하게 만들 수 있는 부품부터 만들어야 합니다. 그것은 보통 축(Shaft)인 경우가 많습니다. 축은 길이 방향으로 온단면하지 않기 때문에 바깥쪽에서 본 그대로의 모습을 볼 수 있고, 원통들로 이루어져 형상이 단순합니다.
축이 아니라도 투상이 쉬운 부품부터 작도하세요. 잊지 마세요. 투상이 쉬운 것부터...
투상이 쉬운 것부터 작업하다 보면 자연스레 그 주변의 모습이 조금씩 보일 겁니다.
그려야 할 부품 외에도 투상은 해야 합니다. 그래야 부품 간의 경계가 명확해지고 그려야 할 부품의 투상이 확실해집니다.
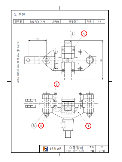
위의 편심구동장치 문제도를 예를 들면 아래와 같겠네요. 왼쪽부터 투상하고 모델링한 것으로 보면 됩니다. 개인마다 느끼는 차이는 있겠지만 확실히 다른 부품에 비해 1번 부품의 난도가 높겠죠.

5. 도면 작업 (11시 15분 / 2D, 3D 도면 작업, 소요시간 : 2시간 45분)
모델링을 마치고 도면 작업을 할 때쯤은 거의 시험 시작 후 2시간 정도 경과된 시간쯤 될 것입니다.
보통의 고사장에서 시험 시작 후 2시간 뒤부터 화장실 출입을 허용합니다.
이때, 화장실을 한번 다녀오는 것이 좋습니다.

모델링까지 완성하였다면 긴장이 많이 풀릴 것입니다.
왜냐하면 모델링을 다했기 때문에 어려운 투상을 다했다는 생각과 이제 도면작업만 하면 된다는 생각이 들기 때문입니다.
하지만 도면작업이 메인입니다. 도면작업이 제일 시간이 많이 소요되며, 채점은 도면 작업한 결과물인 출력물로 채점합니다.
화장실 한번 다녀오면서 기지개 한번 켜고 이때부터 달릴 각오 하세요.!!
도면 작업의 순서는
a. 투상도 정리와 작도
b. 치수 기입
c. 끼워 맞춤공차와 치수공차 기입
d. 표면거칠기 기입
e. 기하공차 기입
의 순서로 순서에 입각하여 연습하며 작업하는 것이 좋습니다.


6. 검도 (14시 / 검도는 최소 30분 이상, 시험 시간 종료될 때까지)
우리가 어느 정리된 문서를 보고 워드프로그램으로 타이핑을 해도 오타가 날 때가 있는데, 도면도 마찬가지로 알면서도 틀리는 내용이 상당히 많습니다.(예로 지름에 Ø 기호를 누락하는 경우 등등)
도면 작업을 하는 각 프로그램에서 ( 오토캐드나 인벤터 )에서 1차 검도를 하고 최종적으로 pdf를 출력해서 2차 검도하세요. 작업 시 느끼지 못했던 실수가 보입니다.
시험 볼 때, 검도를 할 수 있으려면 평소에도 작업 후 검도하는 습관을 만들어야 합니다.
기계설계 분야의 CAD 작업형 시험을 준비하면서 본인이 본인의 도면, 또는 타인의 도면을 검도할 수 있는 수준을 만들면 무조건 한 번에 합격이 가능하며, 이것이 어려운 일이 아닙니다.
평소에 꾸준히 검도하는 연습을 하세요.
7. 출력 (시험 시간 외)
검도를 충분히 했는데도 시간이 남으면 손을 들어 감독관이 주시는 usb에 작업물을 담아 출력 가능한 컴퓨터에서 출력하여 제출하면 됩니다.

출력하여 도면 제출을 빨리했다고 점수를 높게 주지는 않습니다. 시험 시간 내에 출력하나 시험 끝나고 출력하나 마찬가지입니다. 그러니 최대한 검도하고 출력하세요.
도면 작업은 A2 크기로 작업하지만 출력은 A3 트레이싱지에 출력합니다.
트레이싱지는 복사 도면을 만들 때 사용하던 용지로 반투명 용지입니다.

고사장마다 A2 이상의 용지를 출력할 수 있는 플로터를 비치하는 것도 어렵지만, A2를 A3로 출력하는 것은 도면의 보관과 이동 때문입니다.


시험시간이 종료되면 감독관이 가지고 오는 usb에 본인의 등번호로 만든 폴더를 담아 주고, 순서대로 나가서 출력하고 결과물 확인 후 고사장을 나오시면 됩니다.
출력 결과물에서 가장 많은 실수가 성명과 수험번호를 넣지 않는 경우입니다.
평소 연습 때에 넣지 않았던 습관이 시험장에서 나오는 것 같습니다.

수험번호 나오면 매번 연습할 때마다 성명과 수험번호를 넣어 연습하시기 바랍니다. :)
"국가 기술 자격 CAD 실기 시험"의 흐름과 효율적 시간 배분에 대해서 말씀드렸습니다.
총 5시간을 시험 본다고 하면 진행별 소요시간은 아래와 같습니다.
작업형 시험 진행별 소요 시간
① 템플릿 작도 (15분)
② 투상과 3D 모델링 (1시간 30분)
③ 2D 도면 작업 (2시간 45분)
④ 검도 (30분)
⑤ 출력과 제출 (시험 시간에 포함되지 않음)
어느 부분에서 어느 정도의 시간이 요구되는지를 구별하기 위한 배분이며, 절댓값이라 할 수는 없습니다. 또한 도면마다 소요되는 시간도 다를 수 있습니다. 평소에 연습할 때나 시험 때 참고하시고 시험은 주어진 시간 안에 최대한의 결과를 만드는 것이니 시간을 효율적으로 사용하여 모두 합격하시길 기원합니다.
감사합니다. 굳럭!!!

'국가 기술 자격 CAD 실기 시험 > 실기 시험을 준비하면서' 카테고리의 다른 글
| 2023년 2회 전산응용기계제도기능사 출제 문제 - 소형 탁상 그라인더 (1) | 2023.06.14 |
|---|---|
| 2023년 1회 일반기계기사 합격 후기, 작업형 49점 (0) | 2023.06.09 |
| 일반기계기사, 기계설계산업기사, 전산응용기계제도기능사의 실격 사유 (채점 제외 대상) (2) | 2023.05.10 |
| 2023년 1회 일반기계기사 1일차 출제 도면 (드릴지그-4) (2) | 2023.04.25 |
| 국가기술자격 CAD 실기 시험 연습은 2013년도 KS규격(PDF) (0) | 2023.03.31 |
| 전산응용기계제도기능사 도면 양식 (2023년 1회 기준) (1) | 2023.03.28 |
| 일반기계기사 도면 양식 (2023년 1회 기준) (1) | 2023.03.28 |
| 기계설계산업기사 도면 양식 (2023년 1회 기준) (1) | 2023.03.28 |