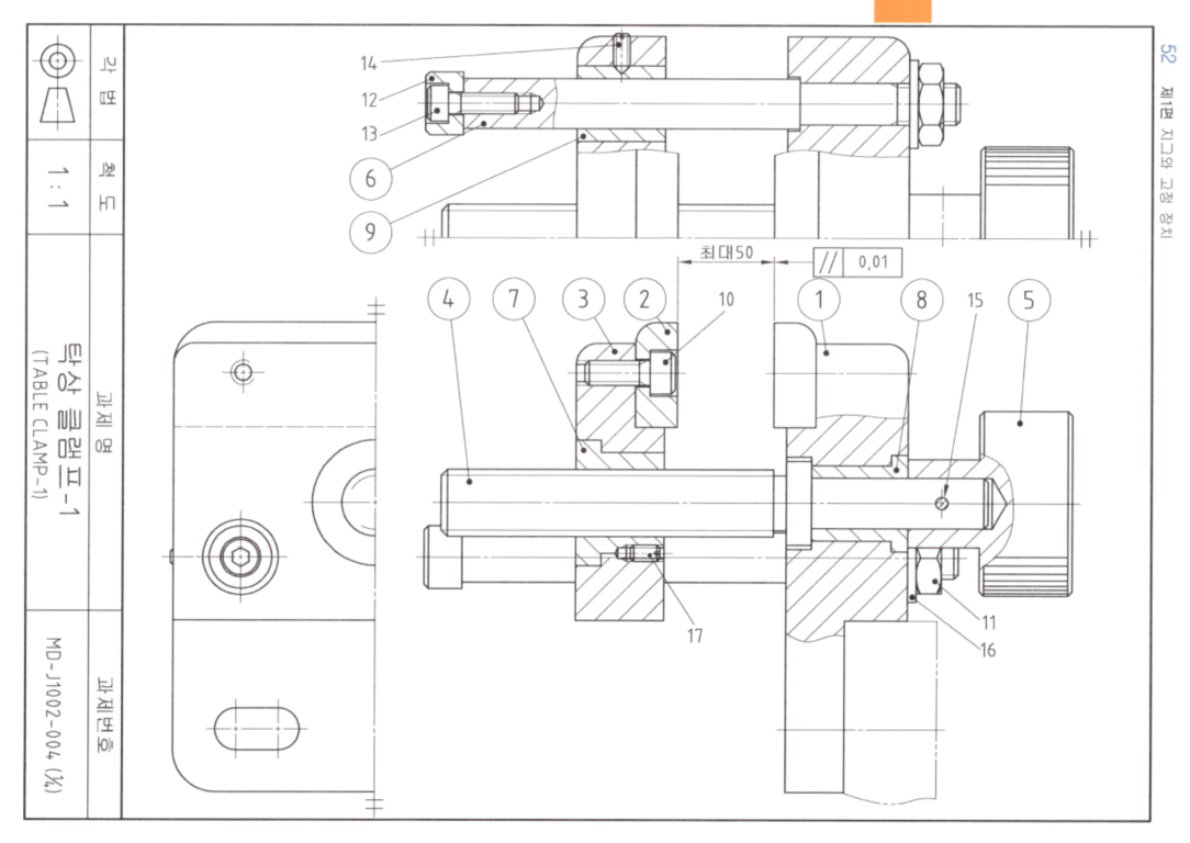
2023년 6월 16일 전산응용기계제도기능사 실기 시험 문제입니다.
투상은 어렵지 않으나 리드나사축 1개와 가이드포스트2개, 3개의 축이 삼각형 배치를 정확히 유지하기 위한 치수와 공차가 요구됩니다.
전산응용기계제도기능사외에 다른 종목에서도 자주 출제되는 문제이므로 시험을 준비하고 있다면, 꼼꼼히 살펴보시기 바랍니다.
탁상 바이스 문제도

153LAB
'국가 기술 자격 CAD 실기 시험 > 실기 시험을 준비하면서' 카테고리의 다른 글
| 2023년 4회 일반기계기사 고사장 (서울, 경기, 경인, 인천) (0) | 2023.10.09 |
|---|---|
| 2023년 4회차 일반기계기사 시험 일정 (6) | 2023.07.29 |
| 2024년 일반기계기사 시험 변경 사항 및 출제 기준 (2) | 2023.07.02 |
| 채점 기준표 - 일반기계기사 · 기계설계산업기사 · 전산응용기계제도기능사 (2) | 2023.06.30 |
| 2023년 2회 전산응용기계제도기능사 출제 문제 - 소형 탁상 그라인더 (1) | 2023.06.14 |
| 2023년 1회 일반기계기사 합격 후기, 작업형 49점 (0) | 2023.06.09 |
| 일반기계기사, 기계설계산업기사, 전산응용기계제도기능사의 실격 사유 (채점 제외 대상) (2) | 2023.05.10 |
| 2023년 1회 일반기계기사 1일차 출제 도면 (드릴지그-4) (2) | 2023.04.25 |