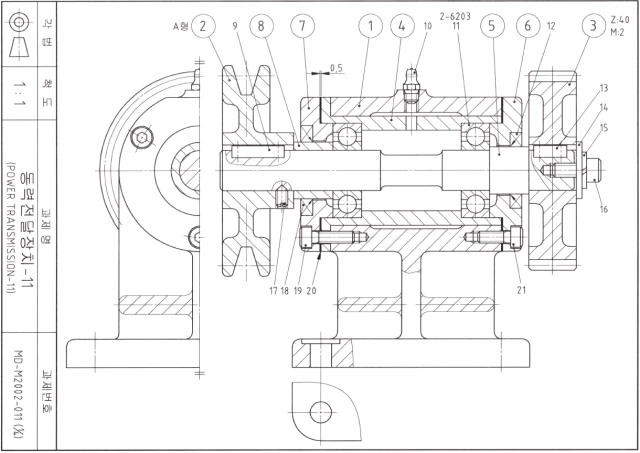
2024년 1회 일반기계기사 작업형, 첫날 시험(2024. 4. 28 일요일)에서 동력전달장치 도면, 드릴지그 도면의 과제 2장이 지급되었으며, 각각 2개의 부품을 작업하는 것입니다.
동력전달장치는 본체, 스퍼기어였으며, 드릴지그는 고정부시와 부시홀더였습니다.
2D 4개, 3D 4개입니다.
출력은 기존과 같이 2D 한 장, 3D 한 장 제출합니다.
변경 사항
| 변경 전 | 변경 후 | |
| 과제 도면 | 1장 | 2장 |
| 작품명 | 과제 도면명 작성 | "일반기계기사 도면 과제"로 작성 |
| 성명 | 캐드로 기입 | 도면 출력 후 수기로 기입 |
| 중심마크 | 10mm | 15mm |
과제 도면


수검란
수검란의 성명을 비워 놓고 출력 후, 수기로 기입합니다.

표제란
도면명이 다른 2장을 작도하므로 도면명을 적지 않고, '일반기계기사 도면 과제'로 적습니다.

중심마크
중심마크는 다른 종목(기계설계산업기사,전산응용기계제도기능사)와 같이 15mm로 변경되었습니다.

마무리
시험 당일에는 다른 생각보다는 시간 내에 도면 2장을 정상적으로 출력하여 제출한다는 마음으로 임하시길 바랍니다.
그럼 좋은 결과가 있을 것입니다.

153LAB
'국가 기술 자격 CAD 실기 시험' 카테고리의 다른 글
| 2025년 국가기술자격시험 시행 공고 (0) | 2024.11.23 |
|---|---|
| 전산응용설계(CAD)의 시대에 손으로 제도하여 시험을 치루었던 '기계제도기능사'의 시험문제와 요강 보기 (65) | 2023.12.06 |
