인벤터에서 PDF 내보내기
일반기계기사, 기계설계산업기사, 전산응용기계제도기능사 시험에서 2D, 3D 도면 각각 한 장씩, 완성했다고 가정하고 그 후에 도면을 PDF로 내보내는 방법을 알아보도록 하겠습니다.
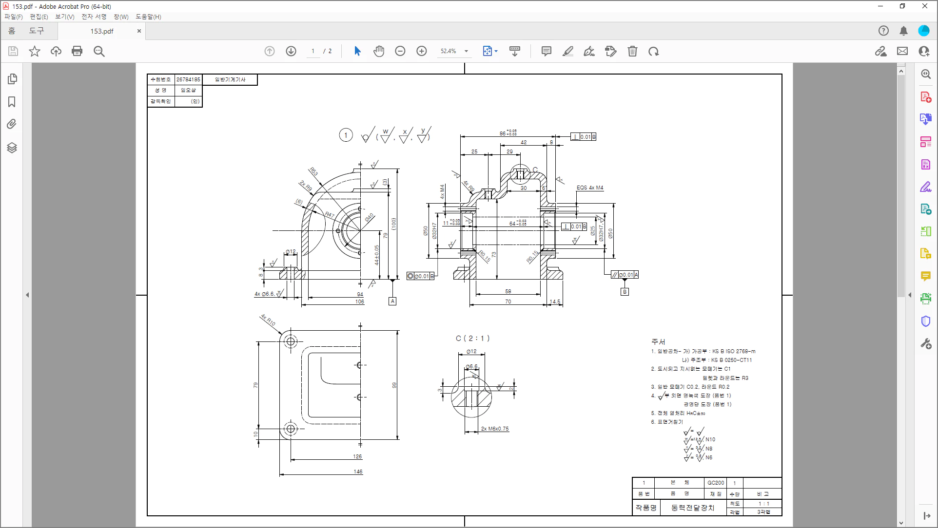
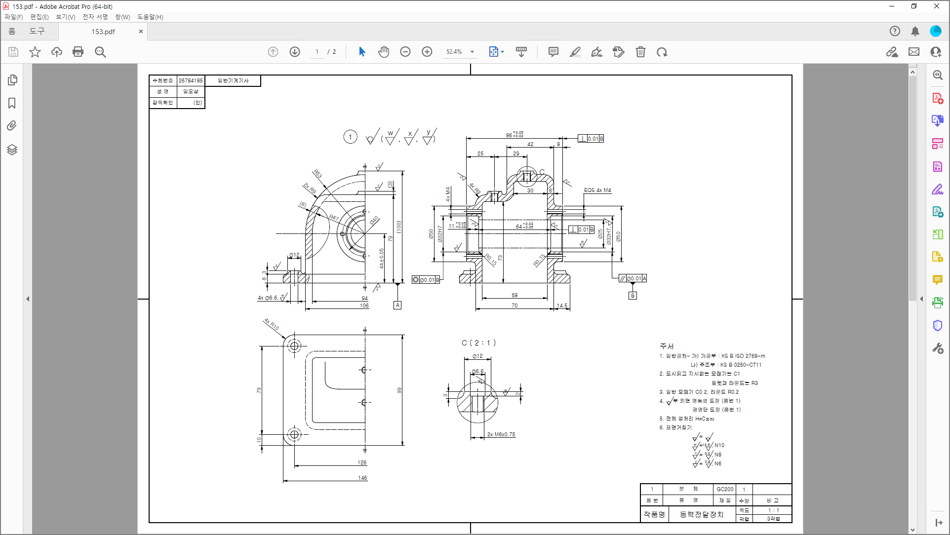
1. 2D 부품도, 3D 렌더링 등각 투상도의 완성
idw파일에는 sheet가 총 두 개로 하나는 2D 부품도, 다른 하나는 3D 등각투상도이다.
ⓐ Sheet:1 - 2D 부품도


ⓑ Sheet:2 - 3D 렌더링 등각 투상도


2. PDF 내보내기
ⓐ [파일] - [내보내기] - [PDF] 순으로 클릭한다.

ⓑ 파일 이름과 옵션
PDF 파일 이름을 입력하고, [옵션] 버튼을 클릭한다.

ⓒ 옵션

빨간 사각형만 체크하면 되는데 세부 사항은 다음과 같다.
① 인쇄 범위
※ 현재 시트 : 현재 활성된 시트만 출력.
※ 전체 시트 : 도면에 있는 모든 시트를 출력. ◁ 하나의 PDF 파일에 2D, 3D 도면 모두 탑재된다.
※ 범위 내 시트 : 여러 개의 시트를 범위로 출력
② 설정
※ 모든 색상을 검은색으로 : 모든 선을 검은색으로 출력 (음영 색상은 해당 없음) ◁ 간혹 중심선이 오류 나면 자주색으로 변경되는 부분에 대한 보험이다.
※ 객체 선가중치 제거 : 선의 굵기를 무시하고 모두 가는 굵기로 출력한다. ◁ 절대 체크하면 안 되겠죠?
③ 벡터 해상도
※ 400 DPI : 벡터 해상도는 선의 해상도이다. 400 DPI면 충분하다.
※ 뷰어에 게시된 파일 화면 표시 : PDF 내보내기 후에 PDF뷰어를 통해 저장된 PDF를 화면에 띄워준다.
[PDF 도면] 대화상자에서 [확인] 버튼 클릭 후, 저장한다.


3. PDF 내보내기 결과
PDF 파일 하나에 두장의 도면이 탑재되었다 - 완성


이어서 PDF 뷰어에서 A3 용지 출력하는 방법은 아래 링크를 참고하시기 바랍니다.
PDF 뷰어에서 도면의 출력
PDF 뷰어에서 도면 출력 방법과 옵션 고사장에서 시험 마지막 중요 과제인 '출력'에 대해서 알아보도로 하겠습니다. 1. PDF 열기 아도비 아크로뱃(Adobe acrobat)에서 출력할 PDF 파일을 연다. 2. [인쇄]
153lab.com
153LAB
'국가 기술 자격 CAD 실기 시험 > 인벤터 2D 템플릿(idw)' 카테고리의 다른 글
| 인벤터에서 부품란을 테이블로 만들기 (0) | 2024.04.09 |
|---|---|
| PDF 뷰어에서 도면 출력 방법 (3) | 2023.05.31 |
| 인벤터 3D 도면 만들기 - 3D 렌더링 등각 투상도 (2) | 2023.04.29 |
| 인벤터 2D 템플릿 만들기 - 4. 주서의 기입 (1) | 2022.08.18 |
| 인벤터 2D 템플릿 만들기 - 3. 대칭 도시 기호, 품번 기호의 정의 방법, 품번 기호와 대표(부분)표면거칠기의 배치 방법 (1) | 2022.08.17 |
| 인벤터 2D 템플릿 만들기 - 2. 윤곽선, 중심마크, 표제란, 부품란 만들기 (0) | 2022.08.17 |
| 인벤터 2D 템플릿 만들기 - 1. 도면 스타일 설정 ( 치수와 공차, 문자, 치수선, 치수보조선, 지시선, 표면거칠기 ) (0) | 2022.08.16 |