수나사와 암나사를 그려 봅시다.
사실 실무에서는 일일이 나사를 그리지 않지만, 나사를 한 번이라도 그려보지 않으면 도면에서 나사를 파악하는데 어려움이 있기 때문에 한 번은 그려봐야 합니다.
그릴줄 아는데 안 그리는 것과 못 그리는 것은 차이가 큽니다.
오토캐드나, 3D 프로그램에서 2D로 한 번씩 그려보세요.
아니면 손으로라도...

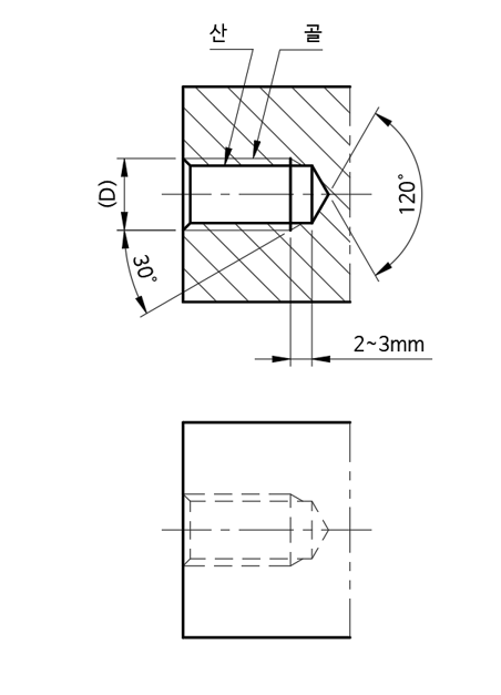
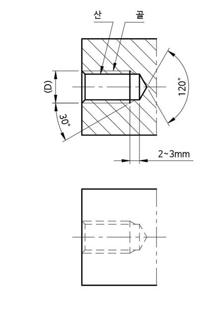
※ 아래 그림을 참고해서 M10 수나사와 암나사를 작도하세요.




'기초 제도' 카테고리의 다른 글
| 작은 나사의 모양과 종류 (2) | 2023.05.21 |
|---|---|
| 육각구멍붙이볼트와 자리 파기 및 볼트 구멍 치수 (2) | 2023.05.21 |
| 육각 머리 볼트와 너트를 그리는 순서와 방법 (2) | 2023.05.20 |
| 사각 머리 볼트와 너트를 그리는 순서와 방법 (2) | 2023.05.20 |
| 육각 머리 볼트 / 탭 구멍의 제도, 치수, 표시법 (3) | 2023.05.19 |
| 3. 나사의 종류 (1) | 2023.05.18 |
| 2. 나사의 표시 방법 (2) | 2023.05.18 |
| 1. 나사의 도시법 (2) | 2023.05.17 |