
2024년 3회 일반기계기사 실기 시험에서의 특이점은 그동안 필답형 시험 후, 며칠 뒤 CAD실기 시험을 보았지만 이번 회에서는 는 CAD실기 시험을 먼저 보고 필답형을 치른다는 것입니다.
필답형 시험과 CAD작업형 시험간의 기간이 어느 정도 있어 준비하는데 큰 무리가 없어 보입니다.
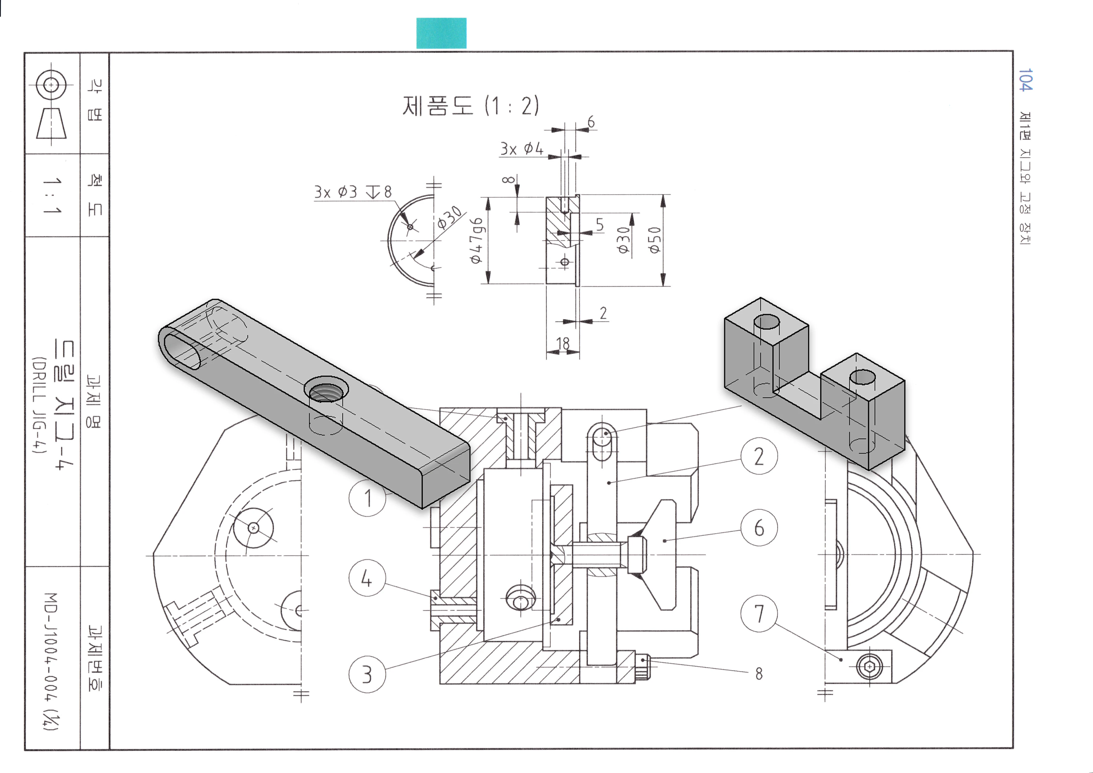
2024년 3회 일반기계기사 CAD작업형 유사 문제
1일 차 - 동력전달장치 / 드릴지그


2일 차 - 동력변환장치 (편심구동장치) / 드릴지그

3일 차 - 벨트긴장장치 / 드릴지그

밸런스있는 문제
CAD 작업형 시험은 전체적인 시간 안에 밸런스에 초점을 맞춰 한 도면을 집중으로 분석하는 것보다 오히려 쉬워졌다는 평입니다.
끝까지 최선을 다한다면 좋은 결과 있으실 겁니다.

153LAB
'국가 기술 자격 CAD 실기 시험 > 투상 연습' 카테고리의 다른 글
| 드릴지그 F (0) | 2025.09.06 |
|---|---|
| 드릴지그 D (0) | 2025.09.06 |
| V-블록 클램프 (0) | 2025.08.25 |
| 드릴지그 - 2021년 전산응용기계제도기능사 기출 유사 문제 (54) | 2024.04.26 |
| 투상의 기초 연습하기 - 문제 1~19 (30) | 2023.12.14 |
| 2023년 4회 전산응용기계제도기능사 3일차 실기 문제 도면 - 스트랩 클램프 (3) | 2023.11.25 |
| 2023년 4회 일반기계기사 2,3,4일차 작업형 출제 문제 - "베어링하우징" "드릴지그" "기어풀리드라이브" "바이스' (0) | 2023.11.10 |
| 2023년 4회 일반기계기사 1일차 작업형 출제 문제 - "편심왕복장치" (0) | 2023.11.08 |