반달키와 평행키의 KS규격 적용 모델링과 도면 작업
반달키와 평행키의 KS규격 적용 모델링과 도면 작업


반달키는 2022년 KS기계제도규격 기준으로 2페이지입니다.
이번 시간에는 반달키와 평행키의 KS규격을 적용하여 모델링하고 도면 작업을 해보도록 하겠습니다.

( 1 ) 감속기-2의 ⑤ 축 모델링
① 인벤터의 스케치 환경에서 축의 기본 모양을 작도하고 치수 기입한다.

② 평행키홈과 반달키홈을 만들기 위해 각각 직사각형과 원을 이용해 도면을 보고 대략의 위치에 다음과 같이 그린다.

③ 각각 평행키홈와 반달키홈의 위치를 도면에서 자로 측정하여 치수 기입한다.

④ 평행키홈의 길이를 도면에서 자로 측정하여 치수 기입한다.

⑤ 평행키와 반달키의 규격 찾기

위 그림과 같이 키를 먼저 축에 고정하고, 구멍과 조립한다.
조립 순서 : 키 + ① 축 > ② 구멍
따라서 규격에서 변수를 찾을 때, b1, t1, d1 같이 숫자 1이 붙은 것은 축에서의 키홈에 관련된 값이며, b2, t2와 같이 숫자 2가 붙은 것은 구멍에 있는 키홈의 값이다.
평행키와 반달키의 크기를 결정하는 치수는 키가 조립되는(홈이 있는) 축의 지름 치수이다.
먼저 평행키홈이 있는 축지름이 Ø16이므로 평행키의 KS규격을 보고 폭(b1 : 5)과 깊이(t1 :3)를 확인한다.

깊이(t1) 3을 치수기입한다.

⑥ 반달키홈의 호칭 치수를 찾기 위해서는 반달키홈 두번째 페이지 표의 [ 계열 1 ]에서 해당 축지름을 적용하여야 한다.


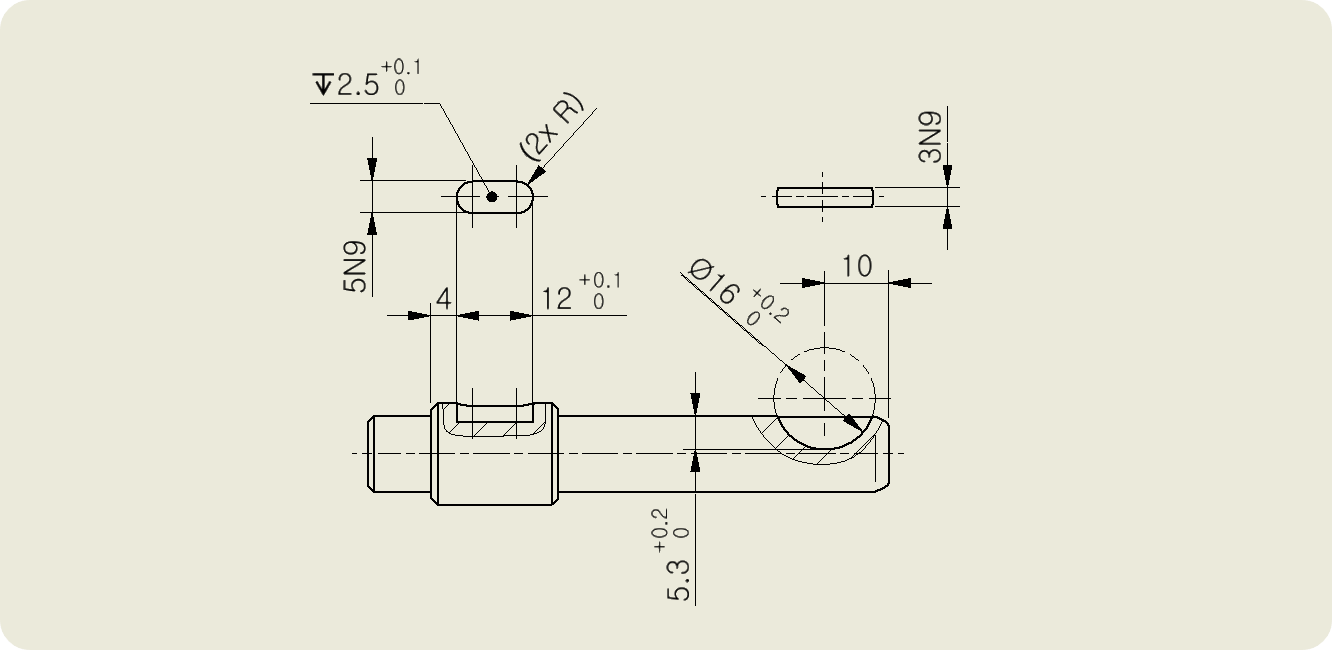
반달키홈이 있는 축지름이 Ø12이므로 10~12가 되므로, 키의 호칭 치수는 3x16이다. KS규격에서 10~12와 같이 표기되는 것은 모두 10 초과 12 이하임을 잊지 말아야 하겠다.
키의 호칭 치수 3x16은 반달키의 폭이 3 지름이 Ø16이라는 것이다. b x d0

⑦ 반달키홈의 규격의 첫번째 페이지에서 호칭 3x16에 대한 관련 치수( 폭 b1, 깊이 t1, 지름 d1)와 해당 공차를 적용하면 된다. 폭은 3, 깊이는 5.3 지름 16이다. r1 및 r2는 적용하지 않는다.

⑧ 깊이와 지름을 치수 기입한다.

⑨ 이제 축을 만들 영역을 선택하여 [회전] 시켜 솔리드바디를 만들고, 키 홈은 각각 b1만큼 돌출 시킨다.



⑩ 평행키홈에 모깍기를 키홈 폭/2 만큼 적용한다.

⑪ 오일실 모떼기( 2 x 30°), 조립 모떼기 ( 1 x 45°), 센터구멍 ( 2/4.25) 등을 추가해서 완성한다.

( 2 ) 반달키 홈과 평행키 홈의 도면 작업
① 투상도 작도와 정리
반달키홈과 평행키홈 모두 국부 투상도가 필요하다. [오리기] 기능과 가시성 끄기, 브레이크 아웃 등을 사용해 다음과 같은 순서로 정리한다.





파단선을 스플라인으로 작도할 때, 센터구멍을 피해야 하는데, 그 이유는 센터구멍이 단면에 보이게 되면 치수기입을 해줘야 하는 등, 일이 많아진다 :)


반달키홈에서 꼭 해주어야 하는 것이 있는데, 바로 밀링 커터를 가상선으로 홈에 맞추어 그려주어야 한다. 스케치에 들어가서 반달키홈에 맞는 원을 그리고 레이어는 가상선으로 설정된 [작업평면]으로 한다.

중심선들과 평행키의 보조선, 오일실 모떼기의 면 구분선을 넣어 투상도를 완성한다.

② 치수 기입과 공차
평행키와 반달키에 관련된 치수기입만 하도록 하자.
항상 위치치수와 크기치수를 생각하며 기입한다.
공차는 KS규격에 모두 나와 있으므로, 꼼꼼히 찾아 적용하며, 평행키홈의 길이(L)의 치수에는 동일한 크기의 키가 조립되는 관계로 +0.1^ 0 정도의 공차를 적용해야 한다. (깊이 공차를 적용하면 된다.)

이상으로 반달키홈에 대해 알아보았습니다. 평행키홈도 같이 정리하는 시간이 되시길 바랍니다.
구멍 쪽은 평행키와 다를 바 없으니 규격을 찾아 잘 정리하시기 바랍니다.
